- ET7428 1Ω Dual SPDT Negative Signal Handing Analog Switch
- ET7222 High-Speed USB 2.0(480Mbps) Switch
- ET5228H 0.6Ω Dual SPDT Negative Signal Handing Analog Switch
- ET5223 0.5Ω Dual SPDT Analog Switch
- HTR6916 共阴极16x9阵列LED 驱动器
- HTR7198(S), HTR7144(S) 带自动呼吸功能的18x
- PL62010 集成升降压控制器及双向PD3.0等多种快
- RY6050-ADJ Series 500mA Adjustable High-Speed Low Power LDO
- RY6050 Series 500mA High PSRR, Low Noise, Low Power LDO
- RY6313 40V 150mA Low Power LDO
- RY6031 300mA High PSRR, Low Noise, Low Power LDO
- RY8337C 36V 3A 500KHz Synchronous Step-Down Regulator
- RY8337B 30V 3A 500KHz Synchronous Step-Down Regulator
- RY8337 38V 3.3A 500KHz Synchronous Step-Down Regulator
D类音频功放实现低EMI
D类音频功放实现低EMI
1 介绍
D类音频功放由于开关频率的存在,常常有EMI问题。本文将介绍一些方法,来有效减小D类音频功放的EMI。
2 选择铁氧体磁珠降低边缘速率
利用成本低廉的铁氧体磁珠能节省不少的系统BOM成本。对于小于5MHz的 EMI带宽,尤其是当开关频率约为300kHz(以获得较佳效率),实验结果显示减少边缘速率是降低EMI的有效方法。

图1 磁珠滤波

图2 不同阻抗铁氧体磁环的边缘速率
图2中,较高的铁氧体磁珠阻抗可以实现较低边沿速率的D类输出;使用600ohm@100MHz 的铁氧体磁珠,可以获得最低边缘速率的D类输出,最终在高频段实现最佳EMI结果。然而,对于相同型号相同封装的磁珠,阻抗较高意味着额定电流较小,所以还要考量其额定电流是否符合电路要求。图3为铁氧体磁珠对于传导性EMI的效果。

图3 铁氧体磁珠对于传导性EMI的效果
图4为铁氧体磁珠对于辐射性EMI的效果

图4 铁氧体磁珠对于辐射性EMI的效果
3 利用LC滤波
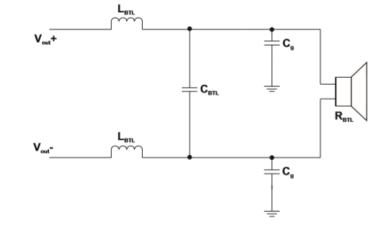
使用电感滤波,尽管价格昂贵,但抑制EMI效果非常明显,仍被广泛使用。对于传统调制方式的D类音频功放,可使用如下LC滤波。

图5 传统调制方式D类音频功放的BTL LC滤波
表1 传统调制方式8ohm负载的LC滤波
RBTL = 8ohm | |||||||
Q | fo | Peaking at 20kHz | LBTL | CBTL | Cg | Gain250kHz | THD+N at 1W 1kHz(%) |
0.7 | 28 | -1.2 | 33 | 0.47 | 0.1 | -38 | 0.0579 |
0.7 | 41 | -0.28 | 22 | 0.33 | 0.068 | -31 | 0.05638 |
1.26 | 34 | 2 | 15 | 0.68 | 0.1 | -35 | 0.0856 |
表2 传统调制方式6ohm负载的LC滤波
RBTL = 6ohm | |||||||
Q | fo | Peaking at 20kHz | LBTL | CBTL | Cg | Gain250kHz | THD+N at 1W 1kHz |
0.7 | 31 | -0.75 | 22 | 0.68 | 0.1 | -36 | 0.0648 |
0.7 | 45 | -0.19 | 15 | 0.39 | 0.082 | -30 | 0.0915 |
1.15 | 28 | 2 | 15 | 1.0 | 0.18 | -38 | 0.0949 |
1.27 | 38 | 1.6 | 10 | 1.0 | 0.18 | -33 | 0.1312 |
表3 传统调制方式4ohm负载的LC滤波
RBTL = 4ohm | |||||||
Q | fo | Peaking at 20kHz | LBTL | CBTL | Cg | Gain250kHz | THD+N at 1W 1kHz |
0.7 | 31 | -0.85 | 15 | 1.0 | 0.18 | -36 | 0.0776 |
0.94 | 23 | 0.29 | 15 | 1.5 | 0.27 | -42 | 0.07612 |
0.7 | 46 | -0.22 | 10 | 0.56 | 0.1 | -29 | 0.09049 |
1.15 | 28 | 0 | 10 | 1.5 | 0.27 | -38 | 0.10625 |
对于免滤波调制方式的D类音频功放,可使用如下LC滤波。

图6 免滤波调制方式D类音频功放的BTL LC滤波
表4 免滤波调制方式8ohm负载的LC滤波
RBTL = 8ohm | |||||||
Q | fo | Peaking at 20kHz | LBTL | Cg | Z50kHz | Gain250kHz | THD+N at 1W 1kHz |
0.7 | 28 | -1.2 | 33 | 1 | 51 | -38 | 0.050 |
0.7 | 41 | -0.28 | 22 | 0.68 | 34 | -31 | 0.075 |
1.26 | 34 | 2 | 15 | 1.5 | 23 | -35 | 0.096 |
表5 免滤波调制方式6ohm负载的LC滤波
,
RBTL = 6ohm | |||||||
Q | fo | Peaking at 20kHz | LBTL | Cg | Z250kHz | Gain250kHz | THD+N at 1W 1kHz |
0.7 | 31 | -0.75 | 22 | 1 | 34 | -36 | 0.063 |
0.7 | 45 | -0.19 | 15 | 1 | 23 | -30 | 0.090 |
1.15 | 28 | 2 | 15 | 2 | 23 | -38 | 0.090 |
1.27 | 38 | 1.6 | 10 | 2 | 15 | -33 | 0.080 |
表6 免滤波调制方式4ohm负载的LC滤波
RBTL = 4ohm | |||||||
Q | fo | Peaking at 20kHz | LBTL | Cg | Z250kHz | Gain250kHz | THD+N at 1W 1kHz |
0.7 | 31 | -0.85 | 15 | 2 | 23 | -36 | 0.090 |
0.94 | 23 | 0.29 | 15 | 3.3 | 23 | -42 | 0.090 |
0.7 | 46 | -0.22 | 10 | 1 | 15 | -29 | 0.082 |
1.15 | 28 | 2 | 10 | 3.3 | 16 | -38 | 0.087 |
4 利用佐贝尔网络,尽量降低瞬时振荡。
图7为我们设计的用于降低输出滤波电路振荡效应的典型电路。R1和C1将吸收由IC本身造成的振荡能量。R2和C2 用于吸收由滤波器谐振频率造成的振荡。

图7 调谐,以减少振荡、降低边缘速率
图8.a中,在传导性EMI测试噪音频带,捕获到周期为350ns的振荡(约2.85MHz),其能量在佐贝尔网络之后已经大幅减弱,并获得更高边缘增益。
表7 滤波器和佐贝尔网络设置
滤波器和佐贝尔网络设置 | C3 | C2 | R2 | PVCC闲置电流 |
设置1 | 1nF | 1nF | 68Ω | 65mA |
设置2(无佐贝尔) | 1nF | NC | NC | 45mA |
设置3 | 2.2nF | 1nF | 68Ω | 80mA |
设置4(无佐贝尔) | 2.2nF | NC | NC | 60mA |

图8 调整佐贝尔网络和电容(减少振荡,获得较慢的边缘速率)
不过又出现了另外一个问题,图9显示振荡加剧了2MHz~4MHz的频带噪声(如果D类输出电流增加的话,振荡会更加严重)。从理论上讲,谐波分量越高,振幅应该越小,但是,滤波器的谐振频率点改变了这一情况。我们看一下图8.a,与设置4相比,设置3在2MHz~5MHz频带具有更好的噪声抑制能力。最终,设置3在减少振荡方面表现出最佳的调优效果,并且获得了较低的边缘速率,及良好的2MHz~5MHz的EMI裕量。

图9 振荡加剧2MHz~4MHz 频带噪声(设置4)
5 PCB 布局
(l)滤波器PCB布局
为尽可能减少滤波器电流回路(电流回流至GND),确保电流环路小。
1) 将滤波器尽可能靠近输出引脚。
2) 尽量减少滤波器接地的电流回路。
3) 尽量确保滤波器和D类设备的底层是一个完整的接地层。
4) 如果要添加佐贝尔网络来减少振荡,将佐贝尔网络尽可能靠近滤波器。
5) 将缓冲电路尽可能靠近设备的输出引脚。
(2) 电源布局

图10 PVCC布局
(3) 输出
D类功放输出走线短而粗,包括接到喇叭的线短而粗甚至使用屏蔽线,都能有效的减小EMI。