产品分类/ Products
- ET7428 1Ω Dual SPDT Negative Signal Handing Analog Switch
- ET7222 High-Speed USB 2.0(480Mbps) Switch
- ET5228H 0.6Ω Dual SPDT Negative Signal Handing Analog Switch
- ET5223 0.5Ω Dual SPDT Analog Switch
- HTR6916 共阴极16x9阵列LED 驱动器
- HTR7198(S), HTR7144(S) 带自动呼吸功能的18x
- PL62010 集成升降压控制器及双向PD3.0等多种快
- RY6050-ADJ Series 500mA Adjustable High-Speed Low Power LDO
- RY6050 Series 500mA High PSRR, Low Noise, Low Power LDO
- RY6313 40V 150mA Low Power LDO
- RY6031 300mA High PSRR, Low Noise, Low Power LDO
- RY8337C 36V 3A 500KHz Synchronous Step-Down Regulator
- RY8337B 30V 3A 500KHz Synchronous Step-Down Regulator
- RY8337 38V 3.3A 500KHz Synchronous Step-Down Regulator
模拟开关芯片
产品名称:ET7428 1Ω Dual SPDT Negative Signal Handing Analog Switch
型号: ET7428
产片介绍:General Description The ET7428 is an advanced CMOS analog switch fabricated in Sub−micron silicon gate CMOS technology Thepartalsofeaturesguarantee
产片介绍:General Description The ET7428 is an advanced CMOS analog switch fabricated in Sub−micron silicon gate CMOS technology Thepartalsofeaturesguarantee
┄┄┄详细介绍┄┄┄
General Description
The ET7428 is an advanced CMOS analog switch fabricated in Sub−micron silicon gate CMOS technology.
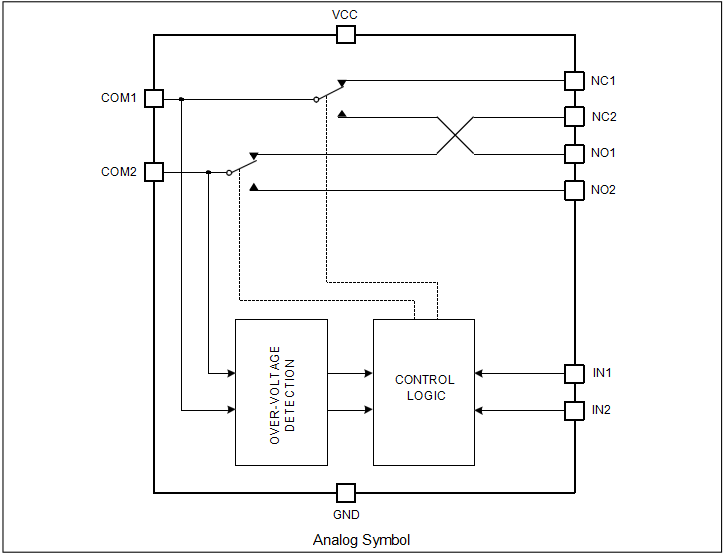
The part also features guaranteed Break Before Make (BBM) switching, assuring the switches never short the driver. The switches can handle negative signal down to -3.6V. When the voltage of the COM terminal exceeds OVP threshold, the channels from the COM terminal to the NC and NO terminals will be turned off.
ET7428 is offered in a small QFN10L package, which is ideal for small form factor portable equipment.
Features
● Low RON is typical 1Ω @ VCC =3.3V
● Single supply operation from 2.7V to 5.5V
● Full -3.6V to 5.5V signal handling capability
● High off-channel isolation
● Low standby current
● Low distortion
● Break-Before-Make (BBM) switching
● High continuous current capability is ±300mA through each switch
● Part No. and Package Information

Application
● Smart Phones and Cellular Phones
● Cell Phone Audio Block/ Speaker
● Earphone Switching Ring-Tone Chip
● Amplifier Switching/Modems
Analog Symbol

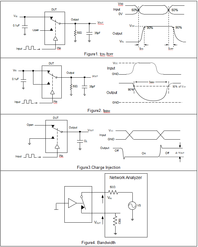
Test Circuit

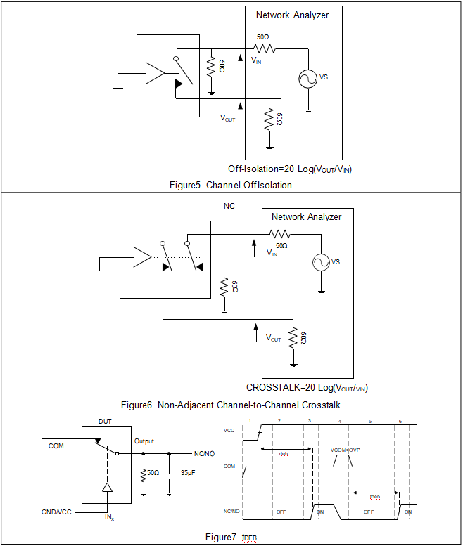
Test Circuit (Continued)
