产品分类/ Products
- ET7428 1Ω Dual SPDT Negative Signal Handing Analog Switch
- ET7222 High-Speed USB 2.0(480Mbps) Switch
- ET5228H 0.6Ω Dual SPDT Negative Signal Handing Analog Switch
- ET5223 0.5Ω Dual SPDT Analog Switch
- HTR6916 共阴极16x9阵列LED 驱动器
- HTR7198(S), HTR7144(S) 带自动呼吸功能的18x
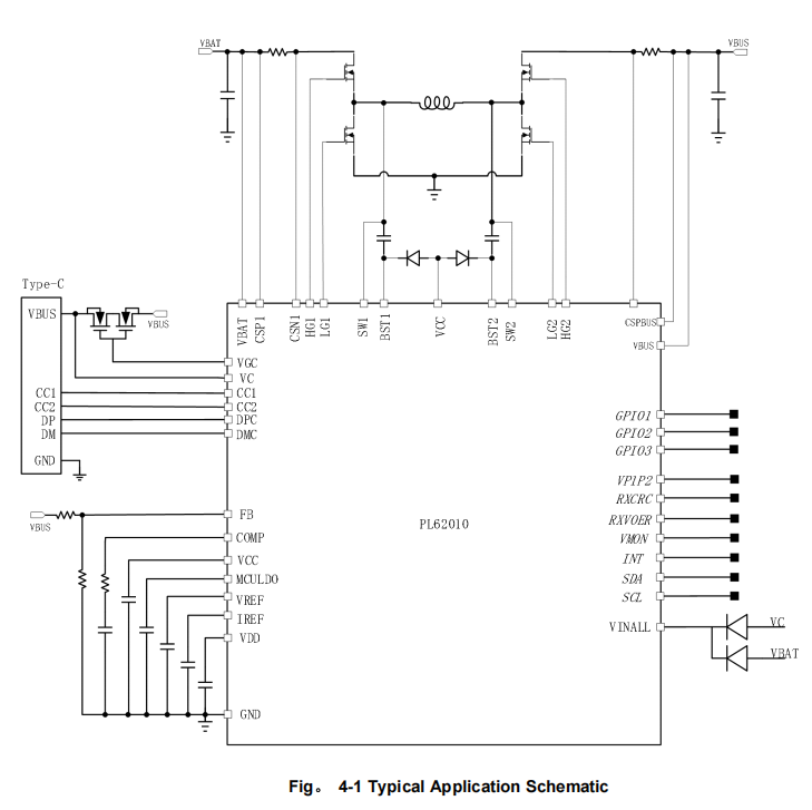
- PL62010 集成升降压控制器及双向PD3.0等多种快
- RY6050-ADJ Series 500mA Adjustable High-Speed Low Power LDO
- RY6050 Series 500mA High PSRR, Low Noise, Low Power LDO
- RY6313 40V 150mA Low Power LDO
- RY6031 300mA High PSRR, Low Noise, Low Power LDO
- RY8337C 36V 3A 500KHz Synchronous Step-Down Regulator
- RY8337B 30V 3A 500KHz Synchronous Step-Down Regulator
- RY8337 38V 3.3A 500KHz Synchronous Step-Down Regulator
全集成PD快充SOC
┄┄┄详细介绍┄┄┄
1 特性 2 应用产品
双向升降压充放电 移动电源
支持PD3.0 锂电池充电
支持QC2.0 3.0 4.0+ 电动工具
支持AFC
支持FCP
支持SCP
支持BC1.2
支持TYPE-C DRP/SRC/SNK角色 3 概述
充电管理,包括涓流充电,CC恒流充电,CV PL62010是一款高性能数模混合的升降压控制器,
恒压和充电终止功能 内置PD3.0,QC3.0,AFC,FCP,SCP,BC1.2
宽VBUS和VBAT电压,工作范围高达32V 等多种快充协议。自主专利的升降压控制模式,从
支持死电池激活 而实现在升压、降压、升降压平滑切换;采用COT
支持输入过压欠压保护,输出过流短路保护 架构和内置2A的驱动电路,从而实现高效率的、大
2~5串电池充放电管理 功率的负载输出;开关频率可编程设置150KHz、
支持4.2V和3.5V电池充电 300KHz;内置动态输出调压和输出恒流控制,可精
单节锂电池充满电压可设置4.1~4.4V 准实现PPS功能。
单节磷酸铁锂电池充满电压可设置3.5~3.7V PL62010内置ARM Cotex—M0内核,最高工作频率
可设置开关频率 150KHz和300KHz 48MHz,支持I2C、UART、GPIO等通用外设接口,
12-bit ADC转换器可设置电流10mA步进 可在线仿真、升级,可根据客户需求灵活配置不同
12-bit ADC转换器可设置电压5mV/步进 的应用场景。
可编程设置线损补偿 PL62010内置12bit ADC,可以精确测量输入端和电
内置2A驱动电路 池端电压电流。PL62010内置电量计算法,可通过
支持NTC温度检测I 2C获取电池电量、充电电压、充电电流等信息。
内置抖频技术,有效降低EMI干扰 PL62010 支持欠压保护、过压保护、过流保护、短
支持充电状态指示灯 路保护和过温保护,以确保在不同异常情况下系统
Cortex-M0 CPU,频率最高48MHz 的安全。
支持多路GPIO和GPADC PL62010的高集成度和丰富的功能,有效的降低了
支持串口、IIC通讯 系统的复杂性并减少方案成本,非常适合用于电池
I2C Maste/Slave 充放电管理的应用场景。
ESD 4KV
QFN5X5-48 package(Non-standard)
4 典型应用原理图
