- ET7428 1Ω Dual SPDT Negative Signal Handing Analog Switch
- ET7222 High-Speed USB 2.0(480Mbps) Switch
- ET5228H 0.6Ω Dual SPDT Negative Signal Handing Analog Switch
- ET5223 0.5Ω Dual SPDT Analog Switch
- HTR6916 共阴极16x9阵列LED 驱动器
- HTR7198(S), HTR7144(S) 带自动呼吸功能的18x
- PL62010 集成升降压控制器及双向PD3.0等多种快
- RY6050-ADJ Series 500mA Adjustable High-Speed Low Power LDO
- RY6050 Series 500mA High PSRR, Low Noise, Low Power LDO
- RY6313 40V 150mA Low Power LDO
- RY6031 300mA High PSRR, Low Noise, Low Power LDO
- RY8337C 36V 3A 500KHz Synchronous Step-Down Regulator
- RY8337B 30V 3A 500KHz Synchronous Step-Down Regulator
- RY8337 38V 3.3A 500KHz Synchronous Step-Down Regulator
音响的分类及吸顶音响的介绍
一、音响类型

二、定压与定阻
1. 输出形式:简单来说,定压是以电压来推动扬声器,要求负载的额定电压一定;定阻是以电流来推动扬声器,要求输出负载电阻一定。
2. 场景使用:定压主要用于公共广播,定阻主要用于家庭背景音乐、家庭影院、KTV、舞台。
3. 音质区别:定压用在要求音质不是很高的大空间,所以相较来说音质较差。定阻相对来说适用于小空间,在音质上的效果表现更好。
三、音箱尺寸与音效:
尺寸大的音箱,低频响应会比较好,人耳所感受的的声音会比较好听些。当然还要同功放、功率等等方面都做到相匹配。
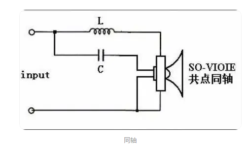
四、同轴与分轴音箱:
同轴是指高、中、低音在同一个点发声,发声更集中;而分轴则是在不同的地方,常见的有2分频和3分频。

五、有源音响和无源音响区别;
1、有源音响多用于电脑多媒体领域,无源音箱一般都是用于家庭影院,卡拉OK等场合。
2、有源音箱产品无法达到HiFi级别的音质,而无源音响带有分频网络和阻抗补偿电路,可以达到HiFi级别的音质。
六、吸顶音箱;

现在家庭背景音乐所采用的音箱有三种,吸顶式音箱,壁挂式音箱(嵌入式),平板音箱。
1、吸顶式喇叭分为三种,普通吸顶,同轴吸顶,高低音可调式吸顶,吸顶喇叭只能在家中有天花吊顶上用。从音质上看,同轴吸顶和高低音喇叭效果比较好
2、壁挂嵌入式喇叭,目前壁挂音箱颜色多为白色,与墙壁搭配和谐,另外,壁挂音箱解决了没有吊顶的问题。缺点是由于安装需要在墙上开口,工程量会大一些。
3、平板音箱,可以个性化的定制画面,把环境与音箱完美结合到一起场均匀,色好,在安装上很简
单,直接挂在墙面合适的位置即可。但价格上相对比吸顶要高,市场普及率还不高。
4、吸顶音响功率区分
低功率型吸顶音响的功率范围通常在10W到30W之间,特点是小巧轻便,音质清晰,易于安装,价格实惠,但声音较小,适用于小型会议室、家庭影院、卧室等小型场所。
中功率型吸顶音响的功率范围通常在30W到100W之间,特点是功率适中,音质表现优秀,能够满足较高的音质要求,具有一定的音量输出能力,适用于中型会议室、演播室、酒吧、咖啡厅等中等规模的场所。
高功率型吸顶音响的功率范围通常在在100W以上,特点是功率强大,音质震撼,能够产生较大的声压级,使音乐或演讲更加震撼人心,适用于大型剧院、演唱会、体育场等大规模场所。
全频型吸顶音响的频率响应能够覆盖从低音到高音的全部频率范围,音质均衡,音色自然,适用于家庭影院、会议室、酒吧、咖啡厅等需要全面而均衡音质的场所。
高音型吸顶音响主要强调高音部分,通常具有较高的高音增益,音色明亮、清晰,适合表现高音乐器的声音和人声,适用于需要强调高音质的场合,如演唱会、音乐厅等
低音型吸顶音响主要强调低音部分,通常具有较低的低音截止频率和较高的低音增益,音色浑厚、有力,能够产生强烈的低音效果,适合表现低音乐器的声音和电子音乐等,适用于需要强调低音效果的场合,如迪斯科舞厅、夜总会等。
优缺点分析;
一、功能上的优缺点
1.优点:吸顶音箱采用了全向发声技术,其声音能够在房间内360度均匀分布,用户无论在哪个位置都能感受到相同的音效,同时不会占用房间内的地面空间。
2.缺点:吸顶音箱的声音传播受到空间限制,其音效在大空间内表现不如传统音响设备。此外,吸顶音箱的音效经常受到房间内家具装修风格的影响。
二、安装上的优缺点
1.优点:吸顶音箱的安装非常简便,只需要将吸顶音箱整体嵌入天花板中即可,避免了像传统音响设备一样需要占用房间内其他空间的问题。
2.缺点:吸顶音箱的安装位置限制较大,需要在装修前进行设计规划。安装时需要考虑家庭布局以及天花板装修风格,否则可能会因为出现了不和谐的视觉效果而影响整个房间的美观。
三、维护上的优缺点
1.优点:吸顶音箱的维护非常方便,只需要定期将其清洁干净即可保持其正常使用。
2.缺点:吸顶音箱一旦出现故障,需要拆除天花板进行处理,进行维护修理比较复杂,费时费钱。
综合来看,吸顶音箱的优点在于无占用空间、360度全方位发声、简易安装等方面,而缺点则主要在于声音的传播受到空间限制、安装时需要考虑家装风格及天花板结构等因素。在选择吸顶音箱时,用户需要根据自身需求及家庭装修等实际情况进行综合考虑,佰泰盛世致力于为客户提供聚好芯 精致音的音频芯片解决方案,功放芯片从1W-140W区间功率段均有,可以满足不同的场景功率要求。
上一篇:台灯频闪造成的原因及危害
下一篇:芯片进口数量下降,国产半导体制造业增幅明显