- ET7428 1Ω Dual SPDT Negative Signal Handing Analog Switch
- ET7222 High-Speed USB 2.0(480Mbps) Switch
- ET5228H 0.6Ω Dual SPDT Negative Signal Handing Analog Switch
- ET5223 0.5Ω Dual SPDT Analog Switch
- HTR6916 共阴极16x9阵列LED 驱动器
- HTR7198(S), HTR7144(S) 带自动呼吸功能的18x
- PL62010 集成升降压控制器及双向PD3.0等多种快
- RY6050-ADJ Series 500mA Adjustable High-Speed Low Power LDO
- RY6050 Series 500mA High PSRR, Low Noise, Low Power LDO
- RY6313 40V 150mA Low Power LDO
- RY6031 300mA High PSRR, Low Noise, Low Power LDO
- RY8337C 36V 3A 500KHz Synchronous Step-Down Regulator
- RY8337B 30V 3A 500KHz Synchronous Step-Down Regulator
- RY8337 38V 3.3A 500KHz Synchronous Step-Down Regulator
RH6010八通道触摸感应开关(IIC输出)产品规格说明
| 1.概述: RH6010是一款带 2.特性: |
◆ 内置去抖动算法可有效防止噪声导致的误动作。 |
3.封装示意图

图1 封装示意图(SSOP16)
表1 引脚描述表
| NO. | PADNAME | Descrption | NO. | PADNAME | Descrption | |
| 1 | GND | 负电源 | 16 | CJM | 外置电容CJ 调节端 | |
| 2 | INT | 中断指示标志 | 15 | CJP | ||
| 3 | TP4 | 触摸按键 | 14 | TP3 | 触摸按键 | |
| 4 | TP5 | 13 | TP2 | |||
| 5 | TP6 | 12 | TP1 | |||
| 6 | TP7 | 11 | TP0 | |||
| 7 | SDA | 通讯时钟线 | 10 | CKT | 测试管脚 | |
| 8 | SCK | 通讯时钟线 | 9 | VDD | 正电源 | |
| 注意:CKT引脚在正常使用时悬空 | ||||||
4.功能描述
通过设置内部寄存器,RH6010 既能配置为多种输出模式,也可灵活调节灵敏度和稳定度。上电完成后若不需要对片内寄存器进行写操作,则设置为默认模式。
4.1
总线
RH6010采用标准
总线接口与主控MCU通讯,可通过该协议设置寄存器进行模式配置,也可读出按键状态值或寄存器值。
关于
详细信息请参考标准
通信协议资料。
注:.1 RH6010在工作中可以动态多次配置。
.2芯片
地址:78H。
4.2 配置寄存器
配置寄存器可通过
总线的写寄存器指令写入。每次执行写寄存器指令后,芯片将更新配置寄存器值并自动重校准。
表2 配置寄存器
| Reg. | Name | D7 | D6 | D5 | D4 | D3 | D2 | D1 | D0 |
| 00H(R/W) | Config1 | SCT[1:0] | SFT[5:0] | ||||||
| 01H(R/W) | Config2 | OTC | MOT[1:0] | OLH | KEYT | LPM | RTC[1:0] | ||
| 02H (R) | Key7 | Key6 | Key5 | Key4 | Key3 | Key2 | Key1 | Key0 | |
| 03H(R/W) | Reserved | ||||||||
| 注意:02H寄存器为只读 | |||||||||
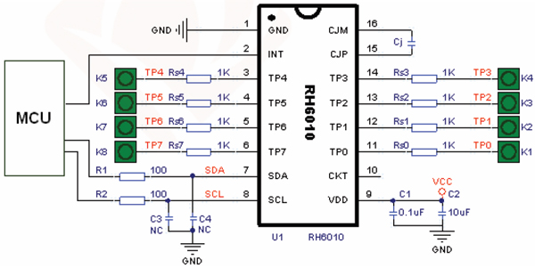
5.应用电路

图6 RH6010应用电路图
说明:
1. CJ指调节灵敏度的电容,电容值大小0pF~50pF(电容值的增大将导致灵敏度降低),可根据具体应用进行选择。
2.Rs 指在触摸电极和触摸输入脚之间串联的电阻,用于提高触摸的抗干扰能力,可根据具体应用进行选择。
3.VDD 与GND 间需并联滤波电容以消除噪声。供电电源需稳定,如果电源电压漂移或者快速变化,可能引起灵敏度漂移或检测错误。
| 1.概述: RH6010是一款带 2.特性: |
◆ 内置去抖动算法可有效防止噪声导致的误动作。 |
3.封装示意图

图1 封装示意图(SSOP16)
表1 引脚描述表
| NO. | PADNAME | Descrption | NO. | PADNAME | Descrption | |
| 1 | GND | 负电源 | 16 | CJM | 外置电容CJ 调节端 | |
| 2 | INT | 中断指示标志 | 15 | CJP | ||
| 3 | TP4 | 触摸按键 | 14 | TP3 | 触摸按键 | |
| 4 | TP5 | 13 | TP2 | |||
| 5 | TP6 | 12 | TP1 | |||
| 6 | TP7 | 11 | TP0 | |||
| 7 | SDA | 通讯时钟线 | 10 | CKT | 测试管脚 | |
| 8 | SCK | 通讯时钟线 | 9 | VDD | 正电源 | |
| 注意:CKT引脚在正常使用时悬空 | ||||||
4.功能描述
通过设置内部寄存器,RH6010 既能配置为多种输出模式,也可灵活调节灵敏度和稳定度。上电完成后若不需要对片内寄存器进行写操作,则设置为默认模式。
4.1
总线
RH6010采用标准
总线接口与主控MCU通讯,可通过该协议设置寄存器进行模式配置,也可读出按键状态值或寄存器值。
关于
详细信息请参考标准
通信协议资料。
注:.1 RH6010在工作中可以动态多次配置。
.2芯片
地址:78H。
4.2 配置寄存器
配置寄存器可通过
总线的写寄存器指令写入。每次执行写寄存器指令后,芯片将更新配置寄存器值并自动重校准。
表2 配置寄存器
| Reg. | Name | D7 | D6 | D5 | D4 | D3 | D2 | D1 | D0 |
| 00H(R/W) | Config1 | SCT[1:0] | SFT[5:0] | ||||||
| 01H(R/W) | Config2 | OTC | MOT[1:0] | OLH | KEYT | LPM | RTC[1:0] | ||
| 02H (R) | Key7 | Key6 | Key5 | Key4 | Key3 | Key2 | Key1 | Key0 | |
| 03H(R/W) | Reserved | ||||||||
| 注意:02H寄存器为只读 | |||||||||
5.应用电路

图6 RH6010应用电路图
说明:
1. CJ指调节灵敏度的电容,电容值大小0pF~50pF(电容值的增大将导致灵敏度降低),可根据具体应用进行选择。
2.Rs 指在触摸电极和触摸输入脚之间串联的电阻,用于提高触摸的抗干扰能力,可根据具体应用进行选择。
3.VDD 与GND 间需并联滤波电容以消除噪声。供电电源需稳定,如果电源电压漂移或者快速变化,可能引起灵敏度漂移或检测错误。
上一篇:RH6041 电容式二/三/四按键触摸感应开关 产品规格说明
下一篇:RH6616-F(N) 单通道触控型调光IC 产品规格说明