- ET7428 1Ω Dual SPDT Negative Signal Handing Analog Switch
- ET7222 High-Speed USB 2.0(480Mbps) Switch
- ET5228H 0.6Ω Dual SPDT Negative Signal Handing Analog Switch
- ET5223 0.5Ω Dual SPDT Analog Switch
- HTR6916 共阴极16x9阵列LED 驱动器
- HTR7198(S), HTR7144(S) 带自动呼吸功能的18x
- PL62010 集成升降压控制器及双向PD3.0等多种快
- RY6050-ADJ Series 500mA Adjustable High-Speed Low Power LDO
- RY6050 Series 500mA High PSRR, Low Noise, Low Power LDO
- RY6313 40V 150mA Low Power LDO
- RY6031 300mA High PSRR, Low Noise, Low Power LDO
- RY8337C 36V 3A 500KHz Synchronous Step-Down Regulator
- RY8337B 30V 3A 500KHz Synchronous Step-Down Regulator
- RY8337 38V 3.3A 500KHz Synchronous Step-Down Regulator
如何采用面向低噪声的运放进行设计?
本文作者
凌力尔特公司
Brian Black,产品市场经理,信号调理产品
Glen Brisebois,高级应用工程师,信号调理产品
物理过程的现实使我们无法获得具有完美精度、零噪声、无穷大开环增益、转换速率和增益带宽乘积的理想运放。但是,我们期待一代又一代连续面市的放大器可比前一代的放大器更好。那么,低 1/f 噪声运放的下一步会怎么样呢?
回到 1985 年,凌力尔特的 George Erdi 设计了 LT1028。30 多年过去了,该器件依然是市面上低频条件下电压噪声最低的运放,其在 1kHz 时的输入电压噪声密度为 0.85nV/√Hz,在 0.1Hz 至 10Hz 时的输入电压噪声为 35nVP-P。直到今年,一款新型放大器 LT6018 才对 LT1028 的地位提出了挑战。LT6018 的 0.1Hz 至 10Hz 输入电压噪声为 30nVP-P,并具有一个 1Hz 的 1/f 拐角频率,但是其宽带噪声为 1.2nV/√Hz。结果是,LT6018 是适合较低频率应用的较低噪声选择,而 LT1028 则可为很多宽带应用提供更好的性能,如图 1 所示。

图 1:LT1028 和 LT6018 积分电压噪声
嘈杂的噪声令人苦恼
但是,与针对某个给定频段选择具最低电压噪声密度 (en) 的放大器相比,设计低噪声电路要复杂得多。如图 2 所示,其他噪声源开始起作用,不相干噪声源以平方根之和组合起来。

图 2:运放电路噪声源
首先,把电阻器看作是噪声源。电阻器天生具有与电阻值的平方根成比例的噪声。在 300K 的温度下,任何电阻器的电压噪声密度为 en = 0.13√R nV/√Hz。该噪声也可被视为一种诺顿 (Norton) 等效电流噪声:in = en/R = 0.13/√R nA/√Hz。因此,电阻器具有一个 17 zeptoWatts 的噪声功率。优良的运放将具有低于该值的噪声功率。例如:LT6018 的噪声功率 (在 1kHz 频率下测量) 约为 1 zeptoWatt。
在图 2 的运放电路中,源电阻、增益电阻器和反馈电阻器 (分别为 RS、R1 和R2) 均为产生电路噪声的因素。当计算噪声时,电压噪声密度中使用的 “√Hz” 会引起混淆。但是,加在一起的是噪声功率,而不是噪声电压。因此,如需计算电阻器或运放的积分电压噪声,应把电压噪声密度与频段内赫兹数的平方根相乘。例如,一个 100Ω 电阻器在 1MHz 带宽内具有 1.3μV RMS 的噪声 (0.13nV/√Ω * √100Ω * √1,000,000Hz)。对于采用一阶滤波器 (而不是砖墙式滤波器) 的电路,带宽将乘以 1.57 以捕获较高带宽范围内的噪声。如欲以 “峰至峰值” 而非 “RMS 值” 来表达噪声,则应乘以一个因子 6 (而不是对于正弦波信号所采用的 2.8)。考虑到这些因素,在采用一个简单的 1MHz 低通滤波器时该 100Ω 电阻器的噪声接近于 9.8μVP-P。
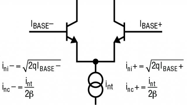
另外,运放还具有由流入和流出每个输入的电流引起的输入电流噪声 (in- 和 in+)。这些与它们流入的电阻 (就 in- 来说为 R1 与 R2 的并联电阻,而就 in+ 而言则为 R1 与 RS 的并联电阻) 相乘,凭借欧姆定律的 “魔力” 产生了电压噪声。往放大器里面看 (图 3),该电流噪声是由多个噪声源组成的。

图 3:一个运放差分对中的相干和不相干噪声源
就宽带噪声而论,两个输入晶体管均具有与其基极相关联的点噪声 (ini- 和 ini+),这些点噪声是不相干的。来自位于输入对尾部之电流源的噪声 (int) 还产生了在两个输入之间划分的相干噪声 (在每个输入中为 int/2β)。如果两个输入上承载的电阻相等,则每个输入上的相干电压噪声也是相等的,并且抵消 (根据放大器的共模抑制能力),因而留下的主要是不相干噪声。这在产品手册中被列为平衡电流噪声。如果两个输入上的电阻极大地失配,则相干和不相干噪声分量保留,而且电压噪声以平方根之和相加。这在有些产品手册中列为不平衡噪声电流。
LT1028 和 LT6018 的电压噪声均低于一个 100Ω电阻器 (在室温下为1.3nV/√Hz),因此在源电阻较高的场合中,运放的电压噪声通常不是电路中噪声的限制因素。在源电阻低得多的情况下,放大器的电压噪声将开始居主导地位。当源电阻非常高的时候,放大器的电流噪声处于支配地位,而对于中等水平的源电阻而言,则电阻器的约翰逊 (Johnson) 噪声具有决定性的影响 (对于那些不具有过高噪声功率的良好设计运放)。使放大器电流噪声和电压噪声达到平衡 (这样两者都不处于支配地位) 的电阻是等于放大器的电压噪声除以其电流噪声。由于电压和电流噪声随频率而改变,所以该中点电阻也是如此。对于一个非平衡电源而言,在 10Hz 时 LT6018 的中点电阻约为 86Ω;而在 10kHz 时则大约为 320Ω。
尽量降低电路噪声
那么,设计工程师要采取什么措施来最大限度地降低噪声呢? 对于处理电压信号,把等效电阻减小至低于放大器的中点电阻是一个很好的起点。对于许多应用来说,源电阻是由前面的电路级 (通常是一个传感器) 固定的。可以选择很小的增益和反馈电阻器。然而,由于反馈电阻器构成了运放负载的一部分,因此存在着因放大器之输出驱动能力以及可接受之热和功率耗散量而产生的限制。除了输入所承载的电阻之外,还应考虑频率。总噪声包括在整个频率范围内进行积分的噪声密度。在高于 (或许也包括低于) 信号带宽的频率上对噪声进行滤波是很重要的。
在放大器的输入是一个电流的跨阻抗应用中,需要采取一种不同的策略。在该场合中,反馈电阻器的约翰逊噪声以其电阻值的一个平方根因子增加,但与此同时信号增益的增加则与电阻值成线性关系。于是,最佳的 SNR 利用运放的电压能力或电流噪声所允许的最大电阻来实现。如欲了解有趣的实例,请参见 LTC6090 产品手册第 26 页的应用电路。
噪声和其他让人头疼的问题
噪声只是误差的一个来源,而且应在其他误差源的环境中考虑。输入失调电压 (运放输入端上的电压失配) 可被认为是 DC 噪声。它的影响虽可通过实施一次性系统校准得到显著的抑制,但是由于机械应力变化的原因,该失调电压会随着温度的起伏和时间的推移而改变。另外,它还随着输入电平 (CMRR) 和电源 (PSRR) 而变化。旨在消除由这些变量所引起之漂移的实时系统校准很快就变得既昂贵又不切实际。对于温度大幅波动的严酷环境应用,由于失调电压和漂移所致的测量不确定性会产生比噪声更强的主导作用。例如,单单因为温度漂移,一款具有 5μV/°C 温度漂移性能指标的运放会在 -40°C 至 85°C 温度范围内经历一个 625μV 的输入参考偏移。与之相比,几百纳伏 (nV) 的噪声就无关紧要了。LT6018 拥有 0.5μV/°C 的出色漂移性能和一个 80μV 的最大失调规格 (从 -40°C 至 85°C)。如欲获得更好的性能,则可关注近期推出的 LTC2057 自动置零放大器,该器件在 -40°C 至 125°C 温度范围内具有小于 7μV 的最大失调电压。其宽带噪声为 11nV/√Hz,而其 DC 至 10Hz 噪声为 200nVP-P。虽然该噪声高于 LT6018,但是由于其在整个温度范围内具备出色的输入失调漂移性能,因此对于低频应用来说 LTC2057 有时会是一种更好的选择。另外还值得注意的是,由于其具有低偏置电流,所以 LTC2057 的电流噪声比 LT6018 低得多。LTC2057 低输入偏置电流的另一个好处是:与许多其他的零漂移放大器相比,它具有非常低的时钟馈通。当源阻抗很高时,这些其他零漂移放大器中有的会产生大的电压噪声杂散信号。
在此类高精度电路中,还必须谨慎地最大限度抑制热电偶效应,任何存在异类金属结点的场合都会出现该效应。甚至由不同制造商提供的两根铜导线之结点都会产生 200nV/°C 的热电势,这比 LTC2057 的最差漂移高出 13 倍以上。在这些低漂移电路中,采用正确的 PCB 布局方法以匹配或尽量减少放大器输入通路中的结点数目,使输入和匹配结点紧靠在一起,以及避免产生热梯度是很重要的。
结论
噪声是一种基本的物理限制。为了最大限度地降低其在处理传感器信号过程中所产生的不良影响,在选择合适的运放、尽量减小和匹配输入电阻、以及实施设计的物理布局方面必须谨慎从事。
上一篇:透过电感损耗看电源功耗,计算一点不复杂
下一篇:如何选择电压、电流型的运放