- ET7428 1Ω Dual SPDT Negative Signal Handing Analog Switch
- ET7222 High-Speed USB 2.0(480Mbps) Switch
- ET5228H 0.6Ω Dual SPDT Negative Signal Handing Analog Switch
- ET5223 0.5Ω Dual SPDT Analog Switch
- HTR6916 共阴极16x9阵列LED 驱动器
- HTR7198(S), HTR7144(S) 带自动呼吸功能的18x
- PL62010 集成升降压控制器及双向PD3.0等多种快
- RY6050-ADJ Series 500mA Adjustable High-Speed Low Power LDO
- RY6050 Series 500mA High PSRR, Low Noise, Low Power LDO
- RY6313 40V 150mA Low Power LDO
- RY6031 300mA High PSRR, Low Noise, Low Power LDO
- RY8337C 36V 3A 500KHz Synchronous Step-Down Regulator
- RY8337B 30V 3A 500KHz Synchronous Step-Down Regulator
- RY8337 38V 3.3A 500KHz Synchronous Step-Down Regulator
模拟输入HT317/数字输入HT560 2X30W立体声D类音频功率放大器
近年来,特别是2008金融危机之后,随着智能手机、智能家居、物联网等的快速发展,整个消费电子亦呈现快速增长。基于此,传统音响市场从DVD、家庭影院、电视机、汽车音响等市场逐渐向更多的市场领域扩展,如智能音响、便携式音响、无线音响、智能家居、集成吊顶、智能灯、机器人、儿童玩具,并增长显著。
以智能音响为例,美国知名市场调研公司comScore公布最细数据显示,智能音箱在美国有Wi-Fi家庭的普及率达到了20%,从2017年12月到2018年2月之间短短3个月内,其普及率就暴增了50%,现在使用智能音箱的美国家庭达到惊人的1870万个智能音箱。随着全球消费电子风向标苹果在今年初发布智能音响Homepod,预计智能音响将进入一个更快速的增长周期。

(图片来源于网络)
另外,随着智能音响的带动,智能吊顶、智能灯泡、智能玩具等产品概念逐渐退出,并大有成为主流的趋势。这些产品中往往嵌入了语音控制和喇叭,体验相比传统智能家居有较为明显的提升。
然而,我们注意到的是,在这些迅速增长的新兴市场中,虽然小功率(小于10W)音频功放已被以嘉兴禾润电子科技有限公司为代表的大陆芯片供应商所占据,但是在大功率音频功放领域,仍旧以TPA311x、TAS575x、TDA749x等少数进口品牌的少数陈旧产品所垄断。
就此,深圳市永阜康科技有限公司现在力推的两款强有力的产品,即可在电视机、家庭影院等传统市场中应用,亦可在智能音响、无线音响等新兴市场广泛使用。
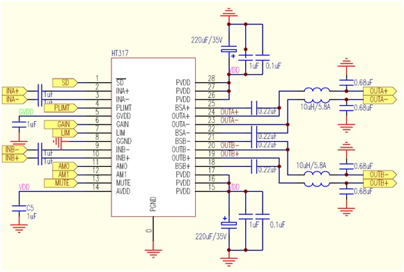
*模拟输入2×30W Class D音频功率放大器HT317
该器件具有精简的外围(TSSOP28),24V, 8ohm, THD+N=1%条件下
能提供
2×30W的功率,24V, 4ohm, THD+N = 10%条件下能提供75W的功率, 并具有AGC、过温限幅和各类保护功能,因其具有明显的性价比优势和良好的音质表现,是明星产品TPA3116/8的有力继承者。
特性:
・输出功率(BTL模式)
2×30W (VDD=24V, RL=8Ω, THD+N=1%)
2×23W (VDD=14V, RL=4Ω, THD+N=10%)
・输出功率(PBTL模式)
75W (VDD=24V, RL=4Ω, THD+N=10%)
・单电源系统,4.5V-26V宽电压输入范围
・超过90%效率,无需散热器
・可设置功率限制功能(PLIMT)以及AGC功能
・过温限幅功能
・模拟差分/单端输入,输出模式立体声/单声道可选
・多重开关频率选择,具有AM抑制功能。
・保护功能:过压/过流/过热/欠压异常,直流检测和短路保护
・无铅无卤封装,TSSOP28-PP
应用原理图

HT317 BTL输出

HT317 PBTL输出
PCB Layout图

HT317 PCB Layout Top Layer

HT317 PCB Layout Bottom Layer
随着蓝牙音响、Wi-Fi音响和智能音响的普及,方案中涉及I2S数字音频信号的场合越来越多,因此方案对I2S输入的数字功放需求越来越大,其中TAS575x为代表性产品。然而在较多场合中,主控已具有一定的EQ等调音功能,TAS575x等产品中的EQ等调音功能即略显冗余并且不利于成本的控制;在另一些场合中,由于需要单独的较为功能全面的音频DSP进行调音,TAS575x等产品中的EQ等调音功能亦略显冗余并且不利于成本的控制。HT560正是基于这些场合,其成本严格控制,未含有EQ等调音功能,能输入数字音频信号并驱动喇叭。
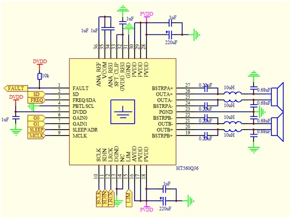
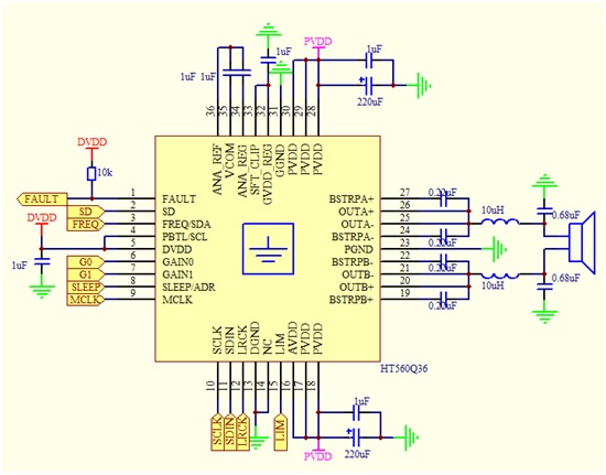
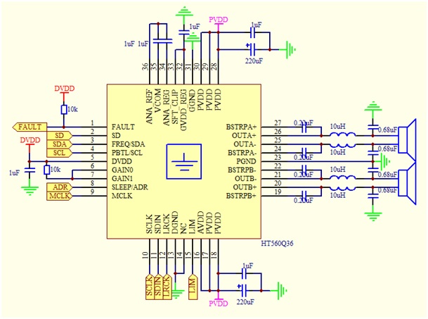
特性:
・输出功率
BTL,2×30W,24V/8Ω,连续
BTL,2×25W,16V/4Ω,连续
BTL,2×40W,18V/4Ω,峰值
PBTL, 75W,24V/4Ω,连续
・4.5V-26V宽电压输入范围
・超过90%效率,无需散热片
・立体声I2S输入
・32,44.1,48,88.2,96kHz采样率
・可选硬件或软件控制
・可编程功率限制,以及AGC功能
・过温限幅功能
・输出短路、过流关断功能
・欠压异常保护功能
・无铅无卤封装,QFN36-P

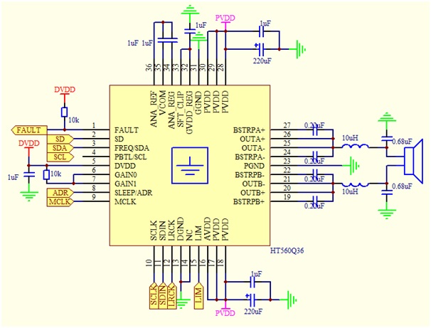
HT560 硬件模式BTL输出

HT560硬件模式PBTL输出

HT560软件I2C模式 BTL输出

HT560软件I2C模式 PBTL输出
PCB Layout图

HT560 PCB Layout Top Layer

HT560 PCB Layout Bottom Layer