新闻资讯/ News
- ET7428 1Ω Dual SPDT Negative Signal Handing Analog Switch
- ET7222 High-Speed USB 2.0(480Mbps) Switch
- ET5228H 0.6Ω Dual SPDT Negative Signal Handing Analog Switch
- ET5223 0.5Ω Dual SPDT Analog Switch
- HTR6916 共阴极16x9阵列LED 驱动器
- HTR7198(S), HTR7144(S) 带自动呼吸功能的18x
- PL62010 集成升降压控制器及双向PD3.0等多种快
- RY6050-ADJ Series 500mA Adjustable High-Speed Low Power LDO
- RY6050 Series 500mA High PSRR, Low Noise, Low Power LDO
- RY6313 40V 150mA Low Power LDO
- RY6031 300mA High PSRR, Low Noise, Low Power LDO
- RY8337C 36V 3A 500KHz Synchronous Step-Down Regulator
- RY8337B 30V 3A 500KHz Synchronous Step-Down Regulator
- RY8337 38V 3.3A 500KHz Synchronous Step-Down Regulator
技术资讯
触控 MCU PCB 设计指南
来 源: 时 间:2024-06-21
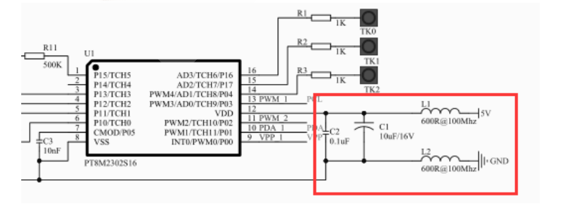
1. 典型应用电路
备注:
◼
VDD 滤波电容推荐使用 0.1uF 的容值,供电电源纹波≤0.5V,可无需外接 LDO,不会影响
TOUCH 性能
◼
CMOD 电容推荐使用 10~47nF 的 X7R 材质电容,有高温应用环境下,推荐使用 NPO 电容
◼
TOUCH 端口串联电阻取值范围为 1~5.1K 推荐值:1K
2. EMC认证电路设计注意事项
◼
TOUCH 端口串联电阻需取值 5.1K, 在不影响实际应用的前提下,可适当放宽至 10K
◼
软件部份需选用支持 EMC 认证的 TOUCH 库
3. CS认证电路设计注意事项
◼
AC-DC 所使用的电源需是认证电源,无论是外置适配器还是板载电源方案
◼
MCU 电源电路设计需预留 L1 L2 磁珠的位置。若产品无法通过 10V CS 动态测试,可加入磁
珠改善

上一篇:模拟类功放和数字类功放的区别
下一篇:电容式触摸芯片的工作原理