- ET7428 1Ω Dual SPDT Negative Signal Handing Analog Switch
- ET7222 High-Speed USB 2.0(480Mbps) Switch
- ET5228H 0.6Ω Dual SPDT Negative Signal Handing Analog Switch
- ET5223 0.5Ω Dual SPDT Analog Switch
- HTR6916 共阴极16x9阵列LED 驱动器
- HTR7198(S), HTR7144(S) 带自动呼吸功能的18x
- PL62010 集成升降压控制器及双向PD3.0等多种快
- RY6050-ADJ Series 500mA Adjustable High-Speed Low Power LDO
- RY6050 Series 500mA High PSRR, Low Noise, Low Power LDO
- RY6313 40V 150mA Low Power LDO
- RY6031 300mA High PSRR, Low Noise, Low Power LDO
- RY8337C 36V 3A 500KHz Synchronous Step-Down Regulator
- RY8337B 30V 3A 500KHz Synchronous Step-Down Regulator
- RY8337 38V 3.3A 500KHz Synchronous Step-Down Regulator
看高效率、低功率转换 IC 如何提高可穿戴设备性能并改善生活工作条件
| 本文作者
Steve Knoth 凌力尔特公司 电源产品部 高级产品市场工程师 背景信息 可穿戴设备不再仅是在炫酷的科幻电影中才能看到的东西 (感谢《007》、《少数派报告》、《至尊神探》这些电影!),使用可穿戴设备也不再只是梦想,可穿戴设备已经蔚然成风。最初,可穿戴设备很简单,例如走路或跑步计步器。不过,经过短时间后,可穿戴设备就变得比较先进了,或者说更加智能了,包括更加重视外观设计而不是只重视功能,因此增大了这类设备的总体吸引力。从智能服装、谷歌眼镜、先进的健身活动跟踪器、虚拟现实设备、夜视设备到平视显示器,可穿戴设备已经成为主流消费、军用和工业市场的组成部分。“可穿戴设备”可定义为用户可以长时间穿戴的产品,而且由于穿戴了这种产品,用户体验以某种方式得到了提升。“智能的”可穿戴设备增加了连接功能和独立的数据处理功能。可穿戴设备分成 5 种应用子类:健身 / 健康 (活动监视器、健身腕带、脚踏计和心率监视器);信息娱乐 (智能眼镜/防护镜、智能手表和成像设备);军用 (夜视设备、平视显示器、人体外骨骼和智能服装);工业 (可穿戴终端) [信息来源:HIS Electronics and Media,2013]。这些应用的采用率是由不同的市场驱动力推动的。就军事应用而言,驱动力是希望改善情境识别能力、地图 / 路线、战斗效率以及挽救生命。就工业应用而言,主要的驱动力是提高生产线效率和追踪能力。就信息娱乐应用而言,驱动力来自采用尖端成像和虚拟现实技术的持续爆炸性增长之游戏市场,以及越来越多能够无线连接智能手机以使其成为“物联网 (IoT)”组成部分的设备。最后,就健康和医疗市场而言,主要的驱动力包括:预期寿命延长、削减医疗保险费用不断上涨、以及延长健康生活时间和减少住院。 运用生物统计信息实现健康生活 生物统计信息反映的是人体基本功能的生命体征。这类信息包括体温、脉搏 / 心率、呼吸频率和血压。这些信息至关重要,因为生命体征出现负面变化可能表示健康度下降,反之亦然。显然,医院和医生诊室都配备了昂贵的设备,以测量这些生物统计信息。不过,如果这些生物统计信息能够高效、低成本地在医疗环境以外测量,那么生活质量就有可能得到很大的改善。例如,在家中或者在工作环境中,可以随时随地实时地改变生活方式和行为方式,从而改善健康度,并有可能延长甚至挽救生命。幸运的是,由于设备价格降低和传感器技术改进,用于医疗保健目的的智能可穿戴设备出现了激增。这其中包括较简单和可以附着在身体上的“单体征”检测产品,也包括较复杂、充满传感器且覆盖全身的人体外骨骼。不过,从集成电路 (IC) 电子组件的角度来看,给这些可穿戴设备分区并为其高效率供电并非微不足道之事。为了进一步理解这一点,我们接下来深入剖析典型的智能可穿戴设备。 典型智能可穿戴设备 典型智能可穿戴设备包括哪些功能? 人们可能会把这种设备看成微型嵌入式系统。显然,准确分区取决于设备自身,不过,一般而言,智能可穿戴设备的核心架构由以下各部分组成:
可穿戴产品的主要设计目标通常是实现紧凑的外形尺寸、轻重量以实现可穿戴性 / 舒适性、以及超低的能耗以延长电池运行时间 / 寿命。不过,用最小的电流、高效率、准确地给这类设备供电并不那么简单。与智能可穿戴设备供电有关的一些关键问题如下:
超低静态电流 IC 解决方案 显然,满足可穿戴应用需求的 IC 解决方案以及上面讨论的相关问题应该具备以下特性:
幸运的是,凌力尔特公司最近推出了一些产品,例如超低 IQ LTC3388/-x 降压型稳压器、毫微功率 LTC3331 能量收集稳压器以及集成了库伦计数器的 LTC3335 降压-升压型转换器都已经具备了大部份这些特性。 LTC3388 是一款超低静态电流同步降压型转换器,在 2.7V 至 20V 输入电源电压范围内,可提供高达 50mA 连续输出电流。LTC3388 的无负载工作电流仅为 720nA,从而使该器件非常适合多种电池供电的低静态电流电源应用,例如“持续运作型”电源和可穿戴设备。其迟滞同步整流在很宽的负载电流范围内优化了效率。针对 15µA 至 50mA 的负载而言,该器件还提供超过 90% 的效率,且在稳定时仅需要 720nA 无负载静态电流,因此延长了电池寿命。LTC3388 采用 3mm x 3mm DFN 封装 (或 MSOP-10),仅需 5 个外部组件,因此能够为多种低功率应用构成非常简便和占板面积非常紧凑的解决方案。图 1 显示了 LTC3388 的典型应用电路。
图 1:简便的 LTC3388-1 典型低压应用电路 毫微功率静态电流 IC LTC3335 是一款毫微功率高效率同步降压-升压型转换器,内置了精确的库伦计数器,提供高达 50mA 连续输出电流。该器件具仅为 680nA 的静态电流,可编程峰值输入电流从低至 5mA 直至 250mA,非常适合多种低功率电池应用,例如在可穿戴设备和 IoT 设备中见到的那些应用。其 1.8V 至 5.5V 输入电压范围和 8 个 1.8V 至 5V 的用户可选输出允许在输入电压高于、低于或等于输出电压时,提供稳定的输出电源。此外,该器件集成的精确 (±5% 电池放电测量准确度) 库伦计数器可在长寿命不可再充电的电池供电应用中,对累积电池放电提供准确监视,这类应用在很多情况下具极其平坦的电池放电曲线。典型应用包括无线传感器、远程监视器和凌力尔特的 Dust Networks® SmartMesh® 系统。LTC3335 包含 4 个内部低 RDSON MOSFET,可提供高达 90% 的效率。其他特点包括一个可编程放电报警门限、一个用于存取库伦计数值和器件设定的 I2C 接口、一个电源良好输出和 8 个 5mA 至 250mA 的可选峰值输入电流以适合多种类型和尺寸的电池。采用耐热增强型 20 引线 3mm x 4mm QFN 封装的 LTC3335 的工作结温范围为 -40°C 至 +125°C。图 2 显示了 LTC3335 的典型应用电路。
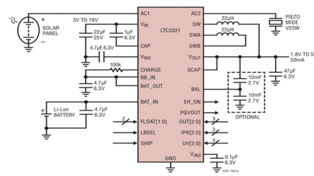
图 2:简化的 LTC3335 应用原理图 LTC3331 是一款完整的能量收集解决方案,提供高达 50mA 连续输出电流,当可收集能量可用时能延长电池寿命。简便的 10mA 分流器用收集的能量给可充电电池充电,同时低电池电量断接功能保护电池免于深度放电。当用收集的能量向负载提供稳定功率时,该器件仅需要电池提供 200nA 电源电流,当在无负载情况下由电池供电时,仅需要 950nA 工作电流。LTC3331 集成了一个高压能量收集电源、一个电池充电器和一个同步降压-升压型 DC/DC 转换器,可为能量收集应用提供一个持续稳定的输出,例如无线传感器网络中的能量收集应用。能量收集电源由适合 AC 或 DC 输入的全波桥式整流器和高效率降压型转换器组成,从压电 (AC)、太阳能 (DC)、或磁性 (AC) 能源收集能量。当没有收集能量可用时,可充电电池输入给降压-升压型转换器供电,该转换器在直至 4.2V 的整个电池电压范围内运行,无论输入高于、低于或等于输出,都可调节输出。当收集能源不再可用时,LTC3331 自动转换至电池。LTC3331 的能量收集输入在 3V 至 19V AC 或 DC 电压范围内运行,从而使该器件非常适合多种压电、太阳能或磁性能源。其输入欠压闭锁门限设定是可编程的,范围为 3V 至 18V,从而使应用能够在峰值功率传送点上运行能量收集电源。其他特点包括引脚可编程输出电压和降压-升压峰值电流限制、一个超级电容器平衡器和一个输入保护性分路器。LTC3331 采用耐热增强型 5mm x 5mm QFN 封装。图 3 显示了 LTC3331 的典型应用电路。
图 3:LTC3331 的典型应用电路 结论 智能可穿戴设备不再仅是虚构的电影小工具,智能可穿戴设备市场正处于爆炸性增长,这个市场涵盖多种强调设计美观和功能的产品,以及面向健康和健身、医疗、信息娱乐、军事和工业应用领域的产品。例如,充满传感器的医疗保健可穿戴产品可在医疗设施外外监视关键的生物统计信息,例如心率和血压,为拥有更积极、更健康的生活方式创造了机会。智能可穿戴设备的核心架构取决于产品类型,但本质上都是由微控制器、MEMS 传感器、无线连接、电池和支持性电子组件组成。给小电流可穿戴设备高效率供电可以证实是非常有挑战性的,不过凌力尔特提供了一系列领先的、能够以低功率提供非常高性能的产品,这些产品已经帮助促进了可穿戴设备市场的增长。诸如超低 Iq LTC3388 能量收集降压型稳压器以及毫微功耗的 LTC3331 能量收集降压型稳压器和集成了库伦计数器的 LTC3335 降压-升压型稳压器等器件,都可以显着地简化和改善智能可穿戴设备的性能。 |


