产品分类/ Products
- ET7428 1Ω Dual SPDT Negative Signal Handing Analog Switch
- ET7222 High-Speed USB 2.0(480Mbps) Switch
- ET5228H 0.6Ω Dual SPDT Negative Signal Handing Analog Switch
- ET5223 0.5Ω Dual SPDT Analog Switch
- HTR6916 共阴极16x9阵列LED 驱动器
- HTR7198(S), HTR7144(S) 带自动呼吸功能的18x
- PL62010 集成升降压控制器及双向PD3.0等多种快
- RY6050-ADJ Series 500mA Adjustable High-Speed Low Power LDO
- RY6050 Series 500mA High PSRR, Low Noise, Low Power LDO
- RY6313 40V 150mA Low Power LDO
- RY6031 300mA High PSRR, Low Noise, Low Power LDO
- RY8337C 36V 3A 500KHz Synchronous Step-Down Regulator
- RY8337B 30V 3A 500KHz Synchronous Step-Down Regulator
- RY8337 38V 3.3A 500KHz Synchronous Step-Down Regulator
I2S输入双声道功放
产品名称:HT560 2x30WI2S输入,无电感,立体声D类放大器
型号: HT560
产片介绍:HT560是一别S输入的立体声D类音频功放支持多种采样频率,包含两种速率模式。 HT560除了驱动BTL立体声双喇叭外,还能驱动PBTL单喇叭。 HT560包含了硬件工作模式和PC控制模式,具有数字限幅器、AGC、多种增益选择,支持不同应用下较宽的工作电压范围。
产片介绍:HT560是一别S输入的立体声D类音频功放支持多种采样频率,包含两种速率模式。 HT560除了驱动BTL立体声双喇叭外,还能驱动PBTL单喇叭。 HT560包含了硬件工作模式和PC控制模式,具有数字限幅器、AGC、多种增益选择,支持不同应用下较宽的工作电压范围。
┄┄┄详细介绍┄┄┄
■ 概述
HT560是一别S输入的立体声D类音频功放支持多种采样频率,包含两种速率模式。
HT560除了驱动BTL立体声双喇叭外,还能驱动PBTL单喇叭。
HT560包含了硬件工作模式和PC控制模式,具有数字限幅器、AGC、多种增益选择,支持不同应用下较宽的工作电压范围。
功放输出MOS的Ros(on约为110mQ,其在成本和散热二者间达到了 最佳平衡。
该产品提供QFN6X6-36L封装,其具有不错的散热表现,在现代消费电子复杂的环境温度下提供出色的性能。
HT560除了驱动BTL立体声双喇叭外,还能驱动PBTL单喇叭。
HT560包含了硬件工作模式和PC控制模式,具有数字限幅器、AGC、多种增益选择,支持不同应用下较宽的工作电压范围。
功放输出MOS的Ros(on约为110mQ,其在成本和散热二者间达到了 最佳平衡。
该产品提供QFN6X6-36L封装,其具有不错的散热表现,在现代消费电子复杂的环境温度下提供出色的性能。
■ 特点
·电源供电
- PVDD: 4.5V - 26.4V;
·音频性能
- 输出功率(BTL)
- PVDD: 4.5V - 26.4V;
·音频性能
- 输出功率(BTL)
2x30WV (PVDD=24V, RL=8D,THD+N=1%)
- 输出功率(PBTL)
60W (PVDD=24V,RL=40,THD+N=1%)
- 输出功率(PBTL)
60W (PVDD=24V,RL=40,THD+N=1%)
-THD+N=0.02%(PVDD=24V,RL=8,Pa= 1W)
-噪声: 75uV (Gain = 25.2dBV A加权)
·音频I/O:
-I2S输入
-BTL或PBTL输出
-32,44.1,48,88.2,96kHz采样频率
·其他功能
- 硬件模式或I2C控制模式
- 数字限幅器和AGC功能
- 限温控制
-12C地址可选(110110x[R/W])
·音频I/O:
-I2S输入
-BTL或PBTL输出
-32,44.1,48,88.2,96kHz采样频率
·其他功能
- 硬件模式或I2C控制模式
- 数字限幅器和AGC功能
- 限温控制
-12C地址可选(110110x[R/W])
-D类PWM频率可调
·保护:时钟错误、直流、短路保护等,过温保护,可设置,过流保护
·QFN6x6-36L封装
·保护:时钟错误、直流、短路保护等,过温保护,可设置,过流保护
·QFN6x6-36L封装
■ 应用
·蓝牙/W-FI音箱 ·便携式音箱
·智能音箱 ·LCD TV/监视器
·智能音箱 ·LCD TV/监视器
·声霸,扩展坞,PC音频
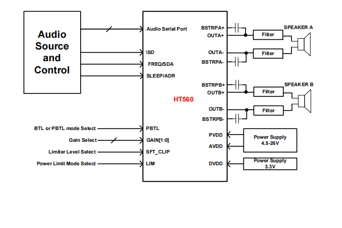
■ 典型应用图
■ 典型应用图

上一篇:HT760 2×30W I2S 数字功放
下一篇:HT562 2X40W I 2S Input Stereo Class D Amplifier