产品分类/ Products
- ET7428 1Ω Dual SPDT Negative Signal Handing Analog Switch
- ET7222 High-Speed USB 2.0(480Mbps) Switch
- ET5228H 0.6Ω Dual SPDT Negative Signal Handing Analog Switch
- ET5223 0.5Ω Dual SPDT Analog Switch
- HTR6916 共阴极16x9阵列LED 驱动器
- HTR7198(S), HTR7144(S) 带自动呼吸功能的18x
- PL62010 集成升降压控制器及双向PD3.0等多种快
- RY6050-ADJ Series 500mA Adjustable High-Speed Low Power LDO
- RY6050 Series 500mA High PSRR, Low Noise, Low Power LDO
- RY6313 40V 150mA Low Power LDO
- RY6031 300mA High PSRR, Low Noise, Low Power LDO
- RY8337C 36V 3A 500KHz Synchronous Step-Down Regulator
- RY8337B 30V 3A 500KHz Synchronous Step-Down Regulator
- RY8337 38V 3.3A 500KHz Synchronous Step-Down Regulator
接收
产品名称:OPS1121B 符合 QI 1.2.4 3W 高效率无线充电接收芯片
型号: OPS1121B
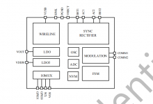
产片介绍:芯片符合 Qi 1 2 4 版本协议,支持最大 3W 输出。芯片集成高
效率全桥整流电路,CHG 输出,有线开关,ADC,ASK 模块,无线充电协议状态机及 NVM 存储器。
产品名称:OPS1121A 符合 Qi 1.2.4 高效率无线充电接收芯片
型号: OPS1121A
产片介绍:符合 WPC Qi 1 2 4 标准,最大输出功率 4W。集成无线充电接收协议,ASK 通信,同步整流,LDO。LDO 典型输出电压 5 0V,最大输出电流 800mA。动态整流输出电压,获得快速负载响应及高重...