产品分类/ Products
- ET7428 1Ω Dual SPDT Negative Signal Handing Analog Switch
- ET7222 High-Speed USB 2.0(480Mbps) Switch
- ET5228H 0.6Ω Dual SPDT Negative Signal Handing Analog Switch
- ET5223 0.5Ω Dual SPDT Analog Switch
- HTR6916 共阴极16x9阵列LED 驱动器
- HTR7198(S), HTR7144(S) 带自动呼吸功能的18x
- PL62010 集成升降压控制器及双向PD3.0等多种快
- RY6050-ADJ Series 500mA Adjustable High-Speed Low Power LDO
- RY6050 Series 500mA High PSRR, Low Noise, Low Power LDO
- RY6313 40V 150mA Low Power LDO
- RY6031 300mA High PSRR, Low Noise, Low Power LDO
- RY8337C 36V 3A 500KHz Synchronous Step-Down Regulator
- RY8337B 30V 3A 500KHz Synchronous Step-Down Regulator
- RY8337 38V 3.3A 500KHz Synchronous Step-Down Regulator
RGB LED驱动芯片
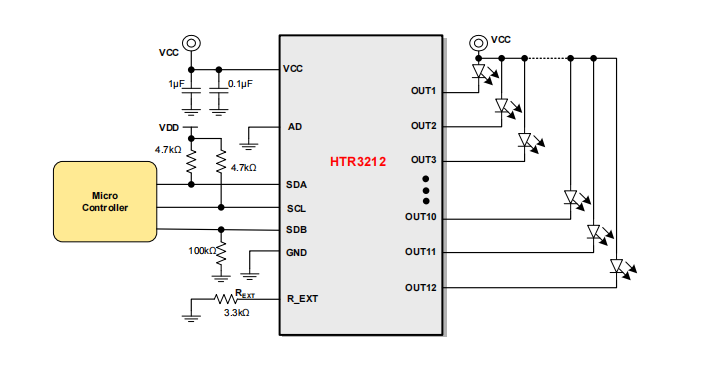
产品名称:HTR3212S (12路LED PWM驱动器)
型号: HTR3212S
产片介绍:HTR3212是一款12路LED PWM驱动器,PWM频率可固定为3kHz或22kHz。每一路最大输出电流可通过外置电阻REXT调节,最大38mA,并可独立控制4档可选。每一路可通过I2C单独控制256级细腻亮度调节。
产片介绍:HTR3212是一款12路LED PWM驱动器,PWM频率可固定为3kHz或22kHz。每一路最大输出电流可通过外置电阻REXT调节,最大38mA,并可独立控制4档可选。每一路可通过I2C单独控制256级细腻亮度调节。
┄┄┄详细介绍┄┄┄
■ 概述
HTR3212是一款12路LED PWM驱动器,PWM频率可固定为3kHz或22kHz。每一路最大输出电流可通过外置电阻REXT调节,最大38mA,并可独立控制4档可选。每一路可通过I2C单独控制256级细腻亮度调节。
主控器件通过I2C接口对HTR3212进行编程控制,通过将SDB脚拉低或软件设置可关断芯片,进入低功耗模式。
HTR3212使用QFN-20L(3mm×3mm)封装。工作电压在2.5V到5.5V,可在-40°C to +85°C工作。
主控器件通过I2C接口对HTR3212进行编程控制,通过将SDB脚拉低或软件设置可关断芯片,进入低功耗模式。
HTR3212使用QFN-20L(3mm×3mm)封装。工作电压在2.5V到5.5V,可在-40°C to +85°C工作。
■ 特点
・输入电压范围VCC:2.5V-5.5V
・I2C接口,支持连续写数据
・4个I2C地址可选 (HTR3212F)
・内置软件复位寄存器
・每路LED支持256阶 PWM亮度调节
・12路 LED 独立控制
・12路 LED 最大电流独立控制,4档可选
・2档调制频率可选,3kHz(默认)和22kHz
・QFN20L-3×3,无铅封装
・I2C接口,支持连续写数据
・4个I2C地址可选 (HTR3212F)
・内置软件复位寄存器
・每路LED支持256阶 PWM亮度调节
・12路 LED 独立控制
・12路 LED 最大电流独立控制,4档可选
・2档调制频率可选,3kHz(默认)和22kHz
・QFN20L-3×3,无铅封装
■ 应用
・智能音响 ・无线音响
・带LED显示的手机和掌上设备 ・家电类LED显示
・带LED显示的手机和掌上设备 ・家电类LED显示
■ 典型应用图

