首页 > 产品中心 > 电源管理类 > RGB LED驱动芯片 >
产品分类/ Products
RGB LED驱动芯片
产品名称:HTR3229 16x8 阵列 LED 驱动器
型号: HTR3229
产片介绍:HTR3229是一款通过1MHz的I2C 接口进行编程的支持16X8或15X 9阵列的LED驱动芯片,每路LED都支持8位PWM数据进行独立调光,并且每路CSx都有8位的直流扫描数据用来支持每个点的256阶的线性PWM调光,并且每个CSx都支持256阶的直流电流可调节等级。

┄┄┄详细介绍┄┄┄

■ 概述
  HTR3229是一款通过1MHz的I2C 接口进行编程的支持16X8或15X 9阵列的LED驱动芯片,每路LED都支持8位PWM数据进行独立调光,并且每路CSx都有8位的直流扫描数据用来支持每个点的256阶的线性PWM调光,并且每个CSx都支持256阶的直流电流可调节等级。
  另外,每个LED的开路和短路状态都能被检测,HTR3229能够把开路和短路信息存储在Open-Short寄存器组中。这个寄存器组允许MCU通过I2C接口读取用以告诉MCU这些LED灯是否是在开路或者短路状态以及位置信息。
  HTR3229的工作电压在2.5V到5.5V之间,并且关断电流和工作电流都非常小。HTR3229支持QFN-32(4mmx4mm)封装,可在2.5V到5.5V和-40°C to +125°C下工作。
■ 特点 
· 输入电压范围: 2.5V-5.5V
· 16路电流源
· 支持16xn (n=1~8),15x9 LED 阵列配置独立的256阶PWM控制台阶
· 每个CSx有256个直流台阶
· 64个整体电流台阶
· SDB上升沿复位I2C模块
· 32kHz的PWM频率
· 支持1MHz的I2C接口
· 独立的开路和短路错误检测功能
· PWM信号180度相位转变功能
· 扩频功能
· De-Ghost
· QFN-32 (4mm x4mm)
■ 应用
· 白色家电LED面板显示           · IOT设备                  
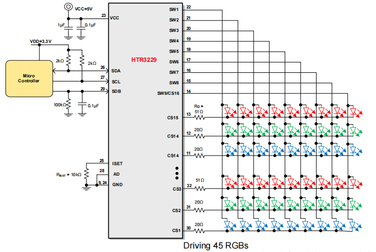
■ 典型应用图

VDD应小于VCC。如果VDD小于3.0V,建议增加使用电平转换电路,以避免额外的关断电流。
Ro电阻是为了减少HTR3229的热耗散。若VCC=3.3V,驱动的是单色灯(红黄/橙),可不接Ro 电阻。


Ro电阻是为了减少HTR3229的热耗散。红灯的Ro电阻建议使用51Ohm,比蓝灯/绿灯的Ro电阻大约30 Ohm。

上一篇:HTR3218S 18路LED PWM驱动器
下一篇:HTR3310 10路LED驱动器和GPIO控制器

公司简介,关于我们 佰泰盛世产品展示 联系佰泰盛世
点击关闭

  • 销售 马生:
    销售 陆生:

    扫码联系微信

    服务热线:

    0755-82717797