产品分类/ Products
- ET7428 1Ω Dual SPDT Negative Signal Handing Analog Switch
- ET7222 High-Speed USB 2.0(480Mbps) Switch
- ET5228H 0.6Ω Dual SPDT Negative Signal Handing Analog Switch
- ET5223 0.5Ω Dual SPDT Analog Switch
- HTR6916 共阴极16x9阵列LED 驱动器
- HTR7198(S), HTR7144(S) 带自动呼吸功能的18x
- PL62010 集成升降压控制器及双向PD3.0等多种快
- RY6050-ADJ Series 500mA Adjustable High-Speed Low Power LDO
- RY6050 Series 500mA High PSRR, Low Noise, Low Power LDO
- RY6313 40V 150mA Low Power LDO
- RY6031 300mA High PSRR, Low Noise, Low Power LDO
- RY8337C 36V 3A 500KHz Synchronous Step-Down Regulator
- RY8337B 30V 3A 500KHz Synchronous Step-Down Regulator
- RY8337 38V 3.3A 500KHz Synchronous Step-Down Regulator
RGB LED驱动芯片
产品名称:HTR3239 8x8/7x9 阵列 LED 驱动器
型号: HTR3239
产片介绍:HTR3239是一款通过1MHz的I2C接口进行编程的支持8×8或7×9阵列的LED驱动芯片,每路LED都支持8位PWM数据进行独立调光,并且每路CSx都有8位的直流扫描数据用来支持每个点的256阶的线性PWM调光,并且每个CSx都支持256阶的直流电流可调节等级。
产片介绍:HTR3239是一款通过1MHz的I2C接口进行编程的支持8×8或7×9阵列的LED驱动芯片,每路LED都支持8位PWM数据进行独立调光,并且每路CSx都有8位的直流扫描数据用来支持每个点的256阶的线性PWM调光,并且每个CSx都支持256阶的直流电流可调节等级。
┄┄┄详细介绍┄┄┄
■ 概述
HTR3239是一款通过1MHz的I2C接口进行编程的支持8x8或7x9阵列的LED驱动芯片,每路LED都支持8位PWM数据进行独立调光,并且每路CSx都有8位的直流扫描数据用来支持每个点的256阶的线性PWM调光,并且每个CSx都支持256阶的直流电流可调节等级。
另外,每个LED的开路和短路状态都能被检测,HTR3239能够把开路和短路信息存储在Open-Short寄存器组中。这个寄存器组允许MCU通过I2C接口读取用以告诉MCU这些LED灯是否是在开路或者短路状态以及位置信息。
另外,每个LED的开路和短路状态都能被检测,HTR3239能够把开路和短路信息存储在Open-Short寄存器组中。这个寄存器组允许MCU通过I2C接口读取用以告诉MCU这些LED灯是否是在开路或者短路状态以及位置信息。
HTR3239的工作电压在2.5V到5.5V之间,并且关断电流和工作电流都非常小。HTR3239支持SOP24封装,可在2.5V到5.5V和-40°C to+125°C下工作。
■ 特点
・输入电压范围:2.5V-5.5V
・8路电流源
・支持8×n (n=1~8), 7×9 LED 阵列配置
・独立的256阶PWM控制台阶
・每个CSx有256个直流台阶
・64个整体电流台阶
・SDB上升沿复位I 2C模块
・32kHz的PWM频率 (0.25k~80kHz可编程)
・支持1MHz的I2C接口
・独立的开路和短路错误检测功能
・PWM信号180度相位转变功能
・扩频功能
・De-Ghost
・SOP24 封装
■ 应用
・白色家电LED面板显示 ・IOT设备
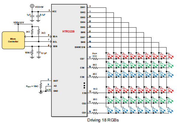
■ 典型应用图

VDD应小于VCC。如果VDD小于3.0V,建议增加使用电平转换电路,以避免额外的关断电流。
Ro电阻是为了减少HTR3239的热耗散。若VCC=3.3V,驱动的是单色灯(红/黄1橙),可不接Ro电阻。

Ro电阻是为了减少HTR3239的热耗散。红灯的Ro电阻建议使用51Ohm,比蓝灯/绿灯的Ro电阻大约30 Ohm。
上一篇:HTR3316 16路LED驱动器和GPIO控制器
下一篇:HTR7216(S) 带自动呼吸功能的18x12阵列LED 驱动器兼容AW20216SQNR