产品分类/ Products
- ET7428 1Ω Dual SPDT Negative Signal Handing Analog Switch
- ET7222 High-Speed USB 2.0(480Mbps) Switch
- ET5228H 0.6Ω Dual SPDT Negative Signal Handing Analog Switch
- ET5223 0.5Ω Dual SPDT Analog Switch
- HTR6916 共阴极16x9阵列LED 驱动器
- HTR7198(S), HTR7144(S) 带自动呼吸功能的18x
- PL62010 集成升降压控制器及双向PD3.0等多种快
- RY6050-ADJ Series 500mA Adjustable High-Speed Low Power LDO
- RY6050 Series 500mA High PSRR, Low Noise, Low Power LDO
- RY6313 40V 150mA Low Power LDO
- RY6031 300mA High PSRR, Low Noise, Low Power LDO
- RY8337C 36V 3A 500KHz Synchronous Step-Down Regulator
- RY8337B 30V 3A 500KHz Synchronous Step-Down Regulator
- RY8337 38V 3.3A 500KHz Synchronous Step-Down Regulator
双通道带防破音功放
产品名称:HT8697 9.5W防削顶双声道AB/D类音频功率放大器
型号: HT8697
产片介绍:HT8697是一款具有防削顶失真功能的,双声道免滤波D类音频功率放大器。在VDD=8 5V、THD+N=10%、4Ω负载条件下,能连续输出2×9 5W功率。在AB类模式下,在VDD=8 5V、THD+N=10%、4Ω负载下,能瞬间输出2×9 0W功率。
产片介绍:HT8697是一款具有防削顶失真功能的,双声道免滤波D类音频功率放大器。在VDD=8 5V、THD+N=10%、4Ω负载条件下,能连续输出2×9 5W功率。在AB类模式下,在VDD=8 5V、THD+N=10%、4Ω负载下,能瞬间输出2×9 0W功率。
┄┄┄详细介绍┄┄┄
■ 概述
HT8697是一款具有防削顶失真功能的,双声道免滤波D类音频功率放大器。在VDD=8.5V、THD+N=10%、4Ω负载条件下,能连续输出2×9.5W功率。在AB类模式下,在VDD=8.5V、THD+N=10%、4Ω负载下,能瞬间输出2×9.0W功率。
HT8697具有防削顶失真(ACF)输出控制功能,可检测并抑制由于输入音乐、语音信号幅度过大所引起的输出信号削顶失真(破音),显著提高音质,创造舒适听音享受,并保护扬声器免受过载损坏。同时芯片也具有ACF-Off 模式可配置。
HT8697内部集成免滤波器数字调制技术,能够直接驱动扬声器,并最大程度减小脉冲输出信号的失真和噪音。输出无需滤波网络,极少的外部元器件节省了系统空间和成本,是便携式应用的理想选择。
HT8697可实现AB类和D类的自由切换功能,在受到D类功放EMI干扰困扰时,可随时切换至AB类音频功放模式。
此外,HT8697内置的关断功能使待机电流最小化,还集成了输出端过流保护、片内过温保护和电源欠压异常保护等功能。
■ 特点
・防削顶失真功能(Anti-Clipping Function, ACF)
・免滤波器数字调制,直接驱动扬声器
・输出功率
2×9.5W@ Class D,2X9.0W@Class AB(VDD=8.5V, RL=4Ω, THD+N=10%,)
2×6.7W@ Class D or Class AB(VDD=7.2V, RL=4Ω, THD+N=10%)
・过流保护功能
・过热保护功能
・欠压异常保护功能
・无铅无卤封装,TSSOP20L-PP
・免滤波器数字调制,直接驱动扬声器
・输出功率
2×9.5W@ Class D,2X9.0W@Class AB(VDD=8.5V, RL=4Ω, THD+N=10%,)
2×6.7W@ Class D or Class AB(VDD=7.2V, RL=4Ω, THD+N=10%)
・过流保护功能
・过热保护功能
・欠压异常保护功能
・无铅无卤封装,TSSOP20L-PP
■ 应用
・蓝牙音箱 ・便携式音箱
・2.1声道小音箱 ・扩音器
・iphone/ipod/ipod docking ・拉杆音箱
・平板电脑,笔记本电脑 ・便携式游戏机
・小尺寸LCD电视/监视器 ・MP4, 导航仪
・2.1声道小音箱 ・扩音器
・iphone/ipod/ipod docking ・拉杆音箱
・平板电脑,笔记本电脑 ・便携式游戏机
・小尺寸LCD电视/监视器 ・MP4, 导航仪
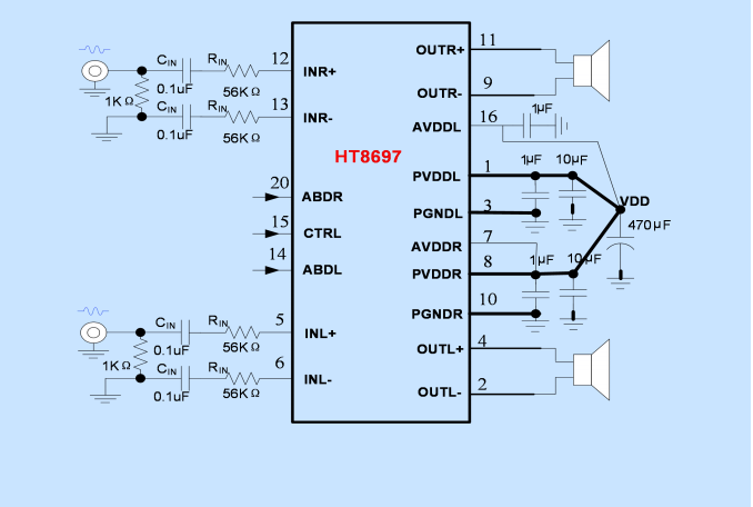
■ 典型应用图

上一篇:HT2144 2.1W、防破音、D类、双声道功率放大器
下一篇:HT366 具有防破音功能的免电感滤波2X20W D类立体声音频功放