产品分类/ Products
- ET7428 1Ω Dual SPDT Negative Signal Handing Analog Switch
- ET7222 High-Speed USB 2.0(480Mbps) Switch
- ET5228H 0.6Ω Dual SPDT Negative Signal Handing Analog Switch
- ET5223 0.5Ω Dual SPDT Analog Switch
- HTR6916 共阴极16x9阵列LED 驱动器
- HTR7198(S), HTR7144(S) 带自动呼吸功能的18x
- PL62010 集成升降压控制器及双向PD3.0等多种快
- RY6050-ADJ Series 500mA Adjustable High-Speed Low Power LDO
- RY6050 Series 500mA High PSRR, Low Noise, Low Power LDO
- RY6313 40V 150mA Low Power LDO
- RY6031 300mA High PSRR, Low Noise, Low Power LDO
- RY8337C 36V 3A 500KHz Synchronous Step-Down Regulator
- RY8337B 30V 3A 500KHz Synchronous Step-Down Regulator
- RY8337 38V 3.3A 500KHz Synchronous Step-Down Regulator
接收
产品名称:OPS1121A 符合 Qi 1.2.4 高效率无线充电接收芯片
型号: OPS1121A
产片介绍:符合 WPC Qi 1 2 4 标准,最大输出功率 4W。集成无线充电接收协议,ASK 通信,同步整流,LDO。LDO 典型输出电压 5 0V,最大输出电流 800mA。动态整流输出电压,获得快速负载响应及高重载效率。高可靠性架构,整流输出过压钳位保护,支持输入过压,输出过流,内外部过温保护,可编程温度控制。指示错误
产片介绍:符合 WPC Qi 1 2 4 标准,最大输出功率 4W。集成无线充电接收协议,ASK 通信,同步整流,LDO。LDO 典型输出电压 5 0V,最大输出电流 800mA。动态整流输出电压,获得快速负载响应及高重载效率。高可靠性架构,整流输出过压钳位保护,支持输入过压,输出过流,内外部过温保护,可编程温度控制。指示错误
┄┄┄详细介绍┄┄┄
■ 概述
OPS1121A 为一款针对 Qi BPP 的高集成度、高效率、低功耗无线充电接收芯片。该芯片集成了无线接收全桥整流、
OPS1121A 为一款针对 Qi BPP 的高集成度、高效率、低功耗无线充电接收芯片。该芯片集成了无线接收全桥整流、
线性整流器,Qi 无线充电协议和有线切换开关通路。OPS1121A 仅需少量外围器件且不需要固件编程操作,
性能稳定可靠,可实现极简的小功率无线充电接收解决方案。
OPS1121A 输出电压典型值 5.0V, 最大输出电流 800mA。芯片支持通过动态调节 Vrect 输出,获得最佳的动态切
OPS1121A 输出电压典型值 5.0V, 最大输出电流 800mA。芯片支持通过动态调节 Vrect 输出,获得最佳的动态切
换响应及重载效率。芯片重载下充电效率超过 80%①,同时支持外部 NTC 温度调节及 UVLO,OVP,OTP 各种保护功能。
芯片集成片内 EEPROM 可调整所有关键充电参数,适配各种小型线圈,Qi 标准认证兼容性强。
OPS1121A 集成有线开关通路,能够自动检测电源插入并实现有线无线充电切换。芯片集成了高可靠有线过压及过流
OPS1121A 集成有线开关通路,能够自动检测电源插入并实现有线无线充电切换。芯片集成了高可靠有线过压及过流
保护功能。
OPS1121A 芯片采用 3mm x 3mm QFN-16pin 封装,支持 I2C 配置,可实现单 LED 亮灯指示模式。
①:使用 8.3uH 小线圈,搭配 OPS1033 发端,充电效率评测方法:OPS1121A 输出功率/发端输入功率,即整个系统的效率
■ 特点
● 符合 WPC Qi 1.2.4 标准,最大输出功率 4W
● 集成无线充电接收协议,ASK 通信,同步整流,LDO
● LDO 典型输出电压 5.0V,最大输出电流 800mA
● 动态整流输出电压,获得快速负载响应及高重载效率
● 高可靠性架构,整流输出过压钳位保护,支持输入过压,输出过流,内外部过温保护,可编程温度控制,
OPS1121A 芯片采用 3mm x 3mm QFN-16pin 封装,支持 I2C 配置,可实现单 LED 亮灯指示模式。
①:使用 8.3uH 小线圈,搭配 OPS1033 发端,充电效率评测方法:OPS1121A 输出功率/发端输入功率,即整个系统的效率
■ 特点
● 符合 WPC Qi 1.2.4 标准,最大输出功率 4W
● 集成无线充电接收协议,ASK 通信,同步整流,LDO
● LDO 典型输出电压 5.0V,最大输出电流 800mA
● 动态整流输出电压,获得快速负载响应及高重载效率
● 高可靠性架构,整流输出过压钳位保护,支持输入过压,输出过流,内外部过温保护,可编程温度控制,
指示及错误检测。
● 支持关键参数编程操作,实现协议及芯片参数灵活可配置
● 极简外围器件,只需 13 个阻容器件
● 支持有线无线两种模式自动切换,集成所有功率 MOS
● 支持 I2C 接口实现程序升级,调试及控制
● 支持单路 LED 指示
● 3mm x 3mm 0.5pitch QFN 16pin 封装
■ 应用
● 个人护理产品
● TWS 充电仓及其它便携式充电仓
● 消费电子可穿戴设备
● 智能手表
● 无线键鼠
■ 芯片实现
● 支持关键参数编程操作,实现协议及芯片参数灵活可配置
● 极简外围器件,只需 13 个阻容器件
● 支持有线无线两种模式自动切换,集成所有功率 MOS
● 支持 I2C 接口实现程序升级,调试及控制
● 支持单路 LED 指示
● 3mm x 3mm 0.5pitch QFN 16pin 封装
■ 应用
● 个人护理产品
● TWS 充电仓及其它便携式充电仓
● 消费电子可穿戴设备
● 智能手表
● 无线键鼠
■ 芯片实现

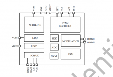
图 1 为 OPS1121A 基本模块单元示意图,芯片符合 Qi 1.2.4 版本协议,支持最大 4W 输出。芯片集成高效
率全桥整流电路,LDO 输出,有线开关,ADC,ASK 模块,无线充电协议状态机及 NVM 存储器。
OPS1121A 可根据功率及使用需要配置为无源全桥,有源半桥,有源全桥工作模式。OPS1121A 根据负载电流
OPS1121A 可根据功率及使用需要配置为无源全桥,有源半桥,有源全桥工作模式。OPS1121A 根据负载电流
状况动态配置 VRECT 的电压值,可获得效率与轻重载切换的性能均衡,保持充电的稳定性和可靠性。调制器通
过电容连接或断开实现 ASK 调制,内部 ADC 实时监控电压电流及温度信息,实现无线充电过程中外部 NTC 温
度调节及 UVLO,OVP,OTP 等各种保护功能。
■ 典型应用图
4.1 OPS1121A 原理图
■ 典型应用图
4.1 OPS1121A 原理图

4.2 LED 推荐应用方案
OPS1121A 支持单 LED 显示系统 LDO 供电状况,推荐方案如下:
电源输入正常并且输出供电正常时, LED 长亮; 电源输入不正常或者输出供电不正常时, LED 周期闪烁;
无电源输入或者输出停止供电时, LED 熄灭;