产品分类/ Products
- ET7428 1Ω Dual SPDT Negative Signal Handing Analog Switch
- ET7222 High-Speed USB 2.0(480Mbps) Switch
- ET5228H 0.6Ω Dual SPDT Negative Signal Handing Analog Switch
- ET5223 0.5Ω Dual SPDT Analog Switch
- HTR6916 共阴极16x9阵列LED 驱动器
- HTR7198(S), HTR7144(S) 带自动呼吸功能的18x
- PL62010 集成升降压控制器及双向PD3.0等多种快
- RY6050-ADJ Series 500mA Adjustable High-Speed Low Power LDO
- RY6050 Series 500mA High PSRR, Low Noise, Low Power LDO
- RY6313 40V 150mA Low Power LDO
- RY6031 300mA High PSRR, Low Noise, Low Power LDO
- RY8337C 36V 3A 500KHz Synchronous Step-Down Regulator
- RY8337B 30V 3A 500KHz Synchronous Step-Down Regulator
- RY8337 38V 3.3A 500KHz Synchronous Step-Down Regulator
LDO线性稳压芯片
产品名称:LN1132(低功耗 300mA 低压差 CMOS 电压稳压器)
型号: LN1132
产片介绍:LN1132 系列是使用 CMOS 技术开发的低压差,高精度输出电压,低消耗电流正电压型电压稳压器。由于内置有低 通态电阻晶体管,因而压差低,能够获得较大的输出电流。
产片介绍:LN1132 系列是使用 CMOS 技术开发的低压差,高精度输出电压,低消耗电流正电压型电压稳压器。由于内置有低 通态电阻晶体管,因而压差低,能够获得较大的输出电流。
┄┄┄详细介绍┄┄┄
■ 产品概述
LN1132 系列是使用 CMOS 技术开发的低压差,高精度输出电压,低消耗电流正电压型电压稳压器。由于内置有低通态电阻晶体管,因而压差低,能够获得较大的输出电流。为了使负载电流不超过输出晶体管的电流容量,内置了过载电流保护电路、短路保护电路。
此外,因采用 SOT-23-3,SOT89-3 等小型封装,故可高密度安装。
■ 产品特点
● 可选择输出电压:可以在 1.2~6.0V 的范围内选择,并以 0.1 V 为单位进级
● 输出电压精度高:精度可达±2.0%
● 输入输出压差低: 典型值 160 mV (输出为 3.0V 的产 品, IOUT=100mA 时)
● 消耗电流少:典型值 5.0μA
● 输出电流大:可输出 300mA(VIN≥VOUT+1V)
● 内置保护:内置过流保护和负载短路保护电路
● 最大工作电压:7V
● 采用小型封装:SOT-89-3 ,SOT-23-3 以及客户要求的封装
■ 封装
● SOT-89-3L
● SOT-89-5L
●SOT-23-3L,SOT-23-3B,SOT23-5
■ 用途
● 移动电话
● 无绳电话
● 相机、摄像机
● 手持游戏机
● 手持式 AV 设备
● 基准电压源
● 电池供电设备
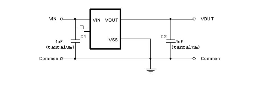
■ 典型应用电路

上一篇:LN6216(具有低功耗和低差动器的输出电流CMOS调节器)
下一篇:LN1154(低功耗 低跌落电压 中电流电压调整器)
