产品分类/ Products
- ET7428 1Ω Dual SPDT Negative Signal Handing Analog Switch
- ET7222 High-Speed USB 2.0(480Mbps) Switch
- ET5228H 0.6Ω Dual SPDT Negative Signal Handing Analog Switch
- ET5223 0.5Ω Dual SPDT Analog Switch
- HTR6916 共阴极16x9阵列LED 驱动器
- HTR7198(S), HTR7144(S) 带自动呼吸功能的18x
- PL62010 集成升降压控制器及双向PD3.0等多种快
- RY6050-ADJ Series 500mA Adjustable High-Speed Low Power LDO
- RY6050 Series 500mA High PSRR, Low Noise, Low Power LDO
- RY6313 40V 150mA Low Power LDO
- RY6031 300mA High PSRR, Low Noise, Low Power LDO
- RY8337C 36V 3A 500KHz Synchronous Step-Down Regulator
- RY8337B 30V 3A 500KHz Synchronous Step-Down Regulator
- RY8337 38V 3.3A 500KHz Synchronous Step-Down Regulator
DC-DC升压
产品名称:PL33011升压DC-DC转换器
型号: PL33011
产片介绍:PL33011是一款高效的电流模式升压转换器,集成了导通电阻RDS (ON) 为80毫欧的NMOSFET。固定650kHz开关频率,内部补偿减少了外部元件数量,节省了PCB空间。内置的软启动电路将启动时的浪涌电流降至最低。
产片介绍:PL33011是一款高效的电流模式升压转换器,集成了导通电阻RDS (ON) 为80毫欧的NMOSFET。固定650kHz开关频率,内部补偿减少了外部元件数量,节省了PCB空间。内置的软启动电路将启动时的浪涌电流降至最低。
┄┄┄详细介绍┄┄┄
1、产品特征
• 输入电压范围:1.4V-6.5V
• 输出电压范围:3.3V-24V
• 集成了导通电阻为80mΩ的NMOSFET
• 固定开关频率: 650KHz
• 内部软启动功能可限制启动时的浪涌电流
• 内部补偿功能可节省外部元件数量
• 输出过压保护
• 峰值电流模式控制
• 轻载时的脉冲跳跃模式可提高轻载效率
• 采用SOT23-6封装
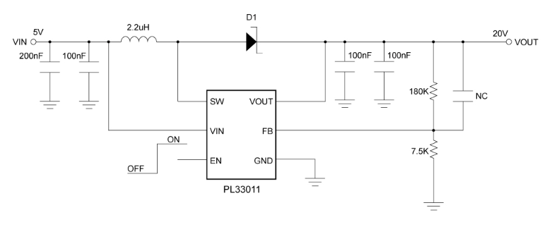
2、应用原理图

3、产品描述
PL33011是一款高效的电流模式升压转换器,集成了导通电阻RDS (ON) 为80毫欧的NMOSFET。固定650kHz开关频率,内部补偿减少了外部元件数量,节省了PCB空间。内置的软启动电路将启动时的浪涌电流降至最低。
PL33011还具备轻载脉冲跳跃模式,该模式可降低系统在轻载情况下从输入电源获取的功率损耗。逐周期电流限制功能可在过载情况下保护器件。
4、典型应用场景
• 充电器
• 小型电子设备
• 便携式产品