产品分类/ Products
- ET7428 1Ω Dual SPDT Negative Signal Handing Analog Switch
- ET7222 High-Speed USB 2.0(480Mbps) Switch
- ET5228H 0.6Ω Dual SPDT Negative Signal Handing Analog Switch
- ET5223 0.5Ω Dual SPDT Analog Switch
- HTR6916 共阴极16x9阵列LED 驱动器
- HTR7198(S), HTR7144(S) 带自动呼吸功能的18x
- PL62010 集成升降压控制器及双向PD3.0等多种快
- RY6050-ADJ Series 500mA Adjustable High-Speed Low Power LDO
- RY6050 Series 500mA High PSRR, Low Noise, Low Power LDO
- RY6313 40V 150mA Low Power LDO
- RY6031 300mA High PSRR, Low Noise, Low Power LDO
- RY8337C 36V 3A 500KHz Synchronous Step-Down Regulator
- RY8337B 30V 3A 500KHz Synchronous Step-Down Regulator
- RY8337 38V 3.3A 500KHz Synchronous Step-Down Regulator
DC-DC升压
产品名称:PL5700 升压DC-DC转换器
型号: PL5700
产片介绍:PL5700采用恒定导通时间(COT)控制拓扑结构,能实现快速瞬态响应。其 2A 栅极驱动器可将外部 MOSFET 的功率损耗降至最低,同时允许使用各种标准阈值器件。此外,PL5700 采用脉冲跳跃模式,以提高轻载或空载时的效率。
产片介绍:PL5700采用恒定导通时间(COT)控制拓扑结构,能实现快速瞬态响应。其 2A 栅极驱动器可将外部 MOSFET 的功率损耗降至最低,同时允许使用各种标准阈值器件。此外,PL5700 采用脉冲跳跃模式,以提高轻载或空载时的效率。
┄┄┄详细介绍┄┄┄
1、产品特征
• 输入电压范围:2.8V-30V
• 输出电压范围:4.5V-30V
• 最大输出电流:20A
• 开关频率150kHz/300kHz/600kHz
• 频率抖动EMI性能好
• 支持欠压、过压、过流、短路、温度等保护
• 采用 QFN4*4-32 封装
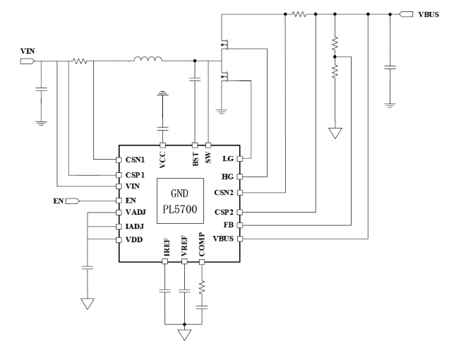
2、应用原理图

3、产品描述
PL5700采用恒定导通时间(COT)控制拓扑结构,能实现快速瞬态响应。其 2A 栅极驱动器可将外部 MOSFET 的功率损耗降至最低,同时允许使用各种标准阈值器件。此外,PL5700 采用脉冲跳跃模式,以提高轻载或空载时的效率。
开关频率可根据 FREQ 引脚与接地引脚(GND)之间不同的电阻值设置为 150kHz 或 300kHz。 该器件还具备可编程软启动功能,可通过 VADJ 和 IADJ 引脚对输出 VBUS 电压和输出电流限制进行编程设置。它集成了欠压锁定(UVLO)、软启动(SS)、内部稳压电源和斜率补偿功能,从而最大限度地减少了外部元件的数量。
PL5700具备电压控制环路和恒流环路。保护功能包括用于过载保护(OLP)的打嗝模式和过压保护(OVP)。
4、典型应用场景
• 备用电源
• 启停式升压
• 蓝牙音箱
• 智能 USB 插座
上一篇:PL34051 同步升压转换器
下一篇:最后一页