产品分类/ Products
- ET7428 1Ω Dual SPDT Negative Signal Handing Analog Switch
- ET7222 High-Speed USB 2.0(480Mbps) Switch
- ET5228H 0.6Ω Dual SPDT Negative Signal Handing Analog Switch
- ET5223 0.5Ω Dual SPDT Analog Switch
- HTR6916 共阴极16x9阵列LED 驱动器
- HTR7198(S), HTR7144(S) 带自动呼吸功能的18x
- PL62010 集成升降压控制器及双向PD3.0等多种快
- RY6050-ADJ Series 500mA Adjustable High-Speed Low Power LDO
- RY6050 Series 500mA High PSRR, Low Noise, Low Power LDO
- RY6313 40V 150mA Low Power LDO
- RY6031 300mA High PSRR, Low Noise, Low Power LDO
- RY8337C 36V 3A 500KHz Synchronous Step-Down Regulator
- RY8337B 30V 3A 500KHz Synchronous Step-Down Regulator
- RY8337 38V 3.3A 500KHz Synchronous Step-Down Regulator
升降压芯片
产品名称:PL3901 100V同步降压/升压CV/CC控制器
型号: PL3901
产片介绍:PL3901是一款高性能同步降压 升压转换器控制器。同步整流可提高效率,降低功率损耗并降低热量,从而实现高功率升压应用。4 5V至56V(升压模式)和4 5V至96V(降压模式)的输入电源范围涵盖了广泛的系统架构和电池化学成分。
产片介绍:PL3901是一款高性能同步降压 升压转换器控制器。同步整流可提高效率,降低功率损耗并降低热量,从而实现高功率升压应用。4 5V至56V(升压模式)和4 5V至96V(降压模式)的输入电源范围涵盖了广泛的系统架构和电池化学成分。
┄┄┄详细介绍┄┄┄
1、产品特征:
• 输入电压范围:升压模式下为4.5V至56V(感应引脚60V最大绝对值),启动后可在2.5V电压下工作,降压模式下为4.5V至96V(供电电压引脚100V最大绝对值
• 输出电压高达56V(降压模式)和 96V(升压模式)
• ±1% 1.200V 参考电压
• 电阻器或电感器DCR电流感应
• 同步运行,实现最高效率并减少热量
• 升压模式下同步MOSFET的接近100%占空比能力
• CV/CC 模式控制(恒压和恒流)
• 低静态电流: 350μA
• 可锁定开关频率(75kHz to 850kHz).
• 可编程固定开关频率 (50kHz to 900kHz)
• 电源正常输出电压监测器
• 低关机电流, IQ < 8µA
• 内部LDO为VBIAS或EXTVCC的栅极驱动供电
• 耐热性能增强型扁平20引脚3mm × 4mm QFN封装
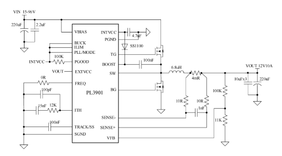
2、应用原理图

3、产品描述
PL3901是一款高性能同步降压/升压转换器控制器。同步整流可提高效率,降低功率损耗并降低热量,从而实现高功率升压应用。4.5V至56V(升压模式)和4.5V至96V(降压模式)的输入电源范围涵盖了广泛的系统架构和电池化学成分。在升压模式下,当从转换器或其他辅助电源的输出进行偏置时,PL3901可以在启动后以低至2.5V的输入电源运行。工作频率可以设置为50kHz到900kHz的范围,或者使用内部锁相环与外部时钟同步。
TRACK/SS 引脚在启动期间逐渐提高输出电压。PLLIN/MODE 引脚在轻负载下选择突发模式、脉冲跳过模式或强制连续模式。
4、典型应用场景
• 消费类电子
• 工业
• 医疗
• 高电池电压供电系统