首页 > 产品中心 > 电源管理类 > DC-DC降压 >
产品分类/ Products
DC-DC降压
产品名称:PL56002 双路恒流降压控制器
型号: PL56002
产片介绍:PL56002是一款脉宽调制信号(PWM)控制器,针对输入电压为4 2V到32V的高性能同步降压DC DC应用而设计。 PL56002采用常开时间控制。根据FREQ引脚和GND引脚之间不同的电阻值,开关频率可以设定为150kHz或300kHz。

┄┄┄详细介绍┄┄┄

1、产品特征
 • 输入电压范围:3.5V-32V
 • 最大输出电流:20A
 • 开关频率150kHz、300kHz
 • 内置2A栅极驱动
 • 支持PWM调压、调电流
 • 支持100%占空比
 • 支持抖频模式
 • 轻载高效模式
 • 支持欠压、过压、过流、短路、温度等保护
 • 封装:QFN3x3-20
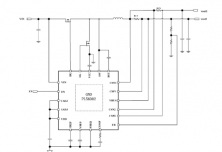
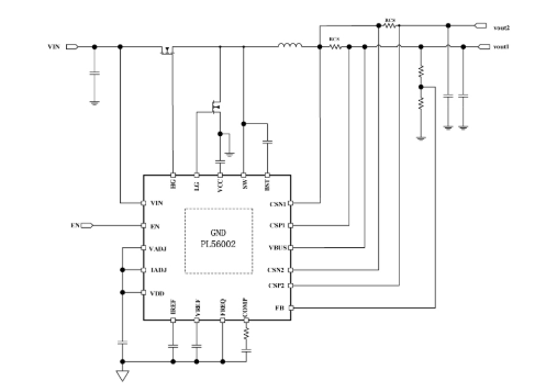
2、应用原理图
 
3、产品描述
  PL56002是一款脉宽调制信号(PWM)控制器,针对输入电压为4.2V到32V的高性能同步降压DC/DC应用而设计。
  PL56002采用常开时间控制。根据FREQ引脚和GND引脚之间不同的电阻值,开关频率可以设定为150kHz或300kHz。该设备还具有可编程的软启动功能,并提供各种保护功能,包括每周期限流、输入欠压锁定(UVLO)、输出过压保护(OVP)、过温关断和输出短路保护等。PL56002提供电压控制回路、恒流回路和热调节回路。
4、典型应用场景
 • 汽车启停系统
 • 工业用电源供应器
 • USB电源传输技术

上一篇:PL83081 双路恒流同步降压转换器
下一篇:最后一页

公司简介,关于我们 佰泰盛世产品展示 联系佰泰盛世
点击关闭

  • 销售 马生:
    销售 陆生:

    扫码联系微信

    服务热线:

    0755-82717797