产品分类/ Products
- ET7428 1Ω Dual SPDT Negative Signal Handing Analog Switch
- ET7222 High-Speed USB 2.0(480Mbps) Switch
- ET5228H 0.6Ω Dual SPDT Negative Signal Handing Analog Switch
- ET5223 0.5Ω Dual SPDT Analog Switch
- HTR6916 共阴极16x9阵列LED 驱动器
- HTR7198(S), HTR7144(S) 带自动呼吸功能的18x
- PL62010 集成升降压控制器及双向PD3.0等多种快
- RY6050-ADJ Series 500mA Adjustable High-Speed Low Power LDO
- RY6050 Series 500mA High PSRR, Low Noise, Low Power LDO
- RY6313 40V 150mA Low Power LDO
- RY6031 300mA High PSRR, Low Noise, Low Power LDO
- RY8337C 36V 3A 500KHz Synchronous Step-Down Regulator
- RY8337B 30V 3A 500KHz Synchronous Step-Down Regulator
- RY8337 38V 3.3A 500KHz Synchronous Step-Down Regulator
DC-DC升压
产品名称:PL31001升压DC-DC转换器
型号: PL31001
产片介绍:PL31001是一款全集成同步升压转换器,带有12mΩ主电源开关和15mΩ整流器开关。该器件可以为便携式设备提供高效率和小型电源解决方案。 PL31001具有2 7V至12V的宽输入电压范围,支持由单节或双节锂离子 聚合物电池供电的应用。 PL31001具备10A持续开关电流能力,能够提供高达13 6V的输出电压。
产片介绍:PL31001是一款全集成同步升压转换器,带有12mΩ主电源开关和15mΩ整流器开关。该器件可以为便携式设备提供高效率和小型电源解决方案。 PL31001具有2 7V至12V的宽输入电压范围,支持由单节或双节锂离子 聚合物电池供电的应用。 PL31001具备10A持续开关电流能力,能够提供高达13 6V的输出电压。
┄┄┄详细介绍┄┄┄
1、产品特征
• 输入电压范围:2.7V-12V
• 输出电压范围:4.5V-13.5V
• 当输入电压(VIN)为7.2V,VBUS电压为12V,输出电流(IOUT)为2A时效率高达97%
• 集成了12mΩ和15mΩ的FET晶体管
• 可调节开关频率:高达2.2MHz
• 逐周期可编程的电流限制,最高可达10A
• 内置4ms的软启动时间
• 轻载下的不连续导电模式(DCM)运行
• 输入欠压锁定
• 过温保护
• 封装:QFNFC2.5x2-11L
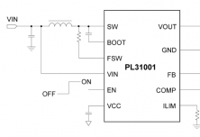
2、应用原理图

3、产品描述
PL31001是一款全集成同步升压转换器,带有12mΩ主电源开关和15mΩ整流器开关。该器件可以为便携式设备提供高效率和小型电源解决方案。 PL31001具有2.7V至12V的宽输入电压范围,支持由单节或双节锂离子/聚合物电池供电的应用。 PL31001具备10A持续开关电流能力,能够提供高达13.6V的输出电压。
PL31001采用自适应恒定关断时间峰值电流控制拓扑结构调节输出电压。在中等到重负载条件下,PL31001以PWM模式工作。在轻载条件下,PL31001以可提升效率的脉频调制(PFM)模式工作,而PL31001仍以可避免因开关频率较低而引发应用问题的PWM模式工作。PWM模式下的开关频率可在200kHz至2.2MHz范围内调节。
PL31001还内置4ms软启动功能和可调节开关电流峰值限制功能。此外还提供逐周期过流保护和热关断保护。
4、典型应用场景
• 蓝牙扬声器
• Thunderbolt接口
• 便携式刷卡机(POS)终端
• 电子烟
上一篇:PL33011升压DC-DC转换器
下一篇:PL32001同步升压转换器