首页 > 产品中心 > 电源管理类 > DC-DC升压 >
产品分类/ Products
DC-DC升压
产品名称:PL34051 同步升压转换器
型号: PL34051
产片介绍:PL34051是一款输入电压范围2 8V至32V的高效同步升压DC-DC转换器,它采用恒定导通时间(COT)控制拓扑,可提供快速的瞬态响应。PL34051集成了两个低导通电阻的功率场效应晶体管(FET):一个导通电阻为13mΩ的开关FET和一个导通电阻为13mΩ的整流FET。此外,PL34051采用脉冲跳跃模式来提高轻载或空载情况下

┄┄┄详细介绍┄┄┄

1、产品特征:
 • 输入电压范围:2.8V-32V
 • 输出电压范围:4.5V-32V
 • 集成了导通电阻为13mΩ的MOSFET开关
 • 外部软启动(SS)
 • 轻载情况下的脉冲跳跃模式
 • 使用PWM信号或模拟信号对输出电流和电压进行动态编程
 • 使用电阻可调节开关频率
 • 频率抖动以实现良好的电磁干扰(EMI)性能
 • 逐周期峰值电流限制
 • 带有稳定恒流(CC)环路的输出平均电流限制
 • 过电压保护(OVP)
 • 可编程的不连续导通模式(DCM)和连续导通模式(CCM)
 • 封装:QFN5x5-32
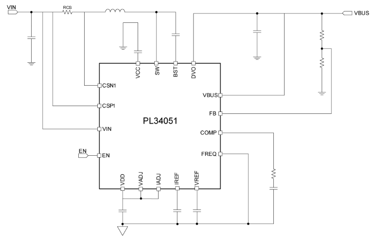
2、应用原理图
3、产品描述
  PL34051是一款输入电压范围2.8V至32V的高效同步升压DC-DC转换器,它采用恒定导通时间(COT)控制拓扑,可提供快速的瞬态响应。PL34051集成了两个低导通电阻的功率场效应晶体管(FET):一个导通电阻为13mΩ的开关FET和一个导通电阻为13mΩ的整流FET。此外,PL34051采用脉冲跳跃模式来提高轻载或空载情况下的效率。
  开关频率可根据FREQ引脚与接地引脚之间不同的电阻值设置为150kHz或300kHz。该器件还具备可编程软启动功能,VADJ和IADJ引脚用于对输出VBUS电压和输出电流限制进行编程。它具备欠压锁定(UVLO)、软启动(SS)、内部稳压电源和斜率补偿功能,从而最大程度地减少了外部元件的数量。
  PL34051提供电压控制环路和恒流环路。保护功能包括用于过载保护(OLP)的打嗝模式、过压保护(OVP)。
4、典型应用场景
 • 蓝牙扬声器
 • USB Type-C 功率传输
 • 便携式刷卡机(POS)终端
 • 电子烟

 

上一篇:PL30502同步升压转换器
下一篇:PL5700 升压DC-DC转换器

公司简介,关于我们 佰泰盛世产品展示 联系佰泰盛世
点击关闭

  • 销售 马生:
    销售 陆生:

    扫码联系微信

    服务热线:

    0755-82717797