产品分类/ Products
- ET7428 1Ω Dual SPDT Negative Signal Handing Analog Switch
- ET7222 High-Speed USB 2.0(480Mbps) Switch
- ET5228H 0.6Ω Dual SPDT Negative Signal Handing Analog Switch
- ET5223 0.5Ω Dual SPDT Analog Switch
- HTR6916 共阴极16x9阵列LED 驱动器
- HTR7198(S), HTR7144(S) 带自动呼吸功能的18x
- PL62010 集成升降压控制器及双向PD3.0等多种快
- RY6050-ADJ Series 500mA Adjustable High-Speed Low Power LDO
- RY6050 Series 500mA High PSRR, Low Noise, Low Power LDO
- RY6313 40V 150mA Low Power LDO
- RY6031 300mA High PSRR, Low Noise, Low Power LDO
- RY8337C 36V 3A 500KHz Synchronous Step-Down Regulator
- RY8337B 30V 3A 500KHz Synchronous Step-Down Regulator
- RY8337 38V 3.3A 500KHz Synchronous Step-Down Regulator
缓冲器、电压 电平转换器
产品名称:HT4125 (单电源四通道缓冲转换门器件)
型号: HT4125
产片介绍: HT4125 是一款低压CMOS 缓冲门器件,可运行在针对便携式和电池设备的更宽电压范围内。其采用了较低阀值电路来设计此输入,以便匹配Vcc =3 3V 时的1 8V 输入逻辑,并且可被用在1 8V 至3 3V 电平上行转换器功能中。此外输入端子上的5V 输入耐受可在Vcc=2 5V 时将芯片配置为3 3V 至2 5V 输出的下行转换。
产片介绍: HT4125 是一款低压CMOS 缓冲门器件,可运行在针对便携式和电池设备的更宽电压范围内。其采用了较低阀值电路来设计此输入,以便匹配Vcc =3 3V 时的1 8V 输入逻辑,并且可被用在1 8V 至3 3V 电平上行转换器功能中。此外输入端子上的5V 输入耐受可在Vcc=2 5V 时将芯片配置为3 3V 至2 5V 输出的下行转换。
┄┄┄详细介绍┄┄┄
■ 概述
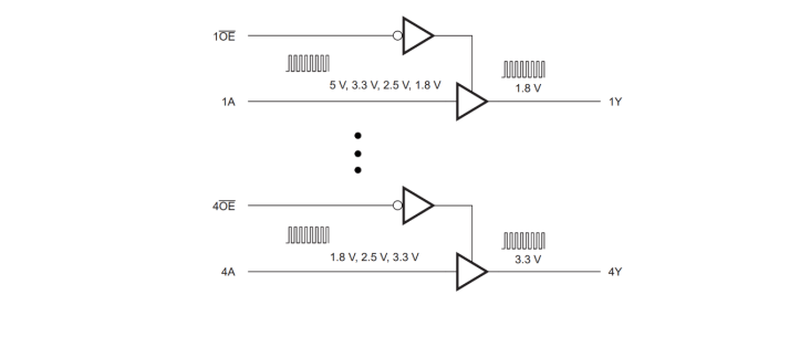
HT4125 是一款低压CMOS 缓冲门器件,可运行在针对便携式和电池设备的更宽电压范围内。
其采用了较低阀值电路来设计此输入,以便匹配Vcc =3.3V 时的1.8V 输入逻辑,并且可被用在1.8V 至3.3V 电平上行转换器功能中。此外输入端子上的5V 输入耐受可在Vcc=2.5V 时将芯片配置为3.3V 至2.5V 输出的下行转换。1.8至5.5V 的宽Vcc 范围有可能实现所需的开关输出电平连接至控制器或处理器。
HT4125 被设计成具有8mA 的经优化电流驱动能力,以减少由高驱动输出导致的线路反射、过冲和下冲。
其采用了较低阀值电路来设计此输入,以便匹配Vcc =3.3V 时的1.8V 输入逻辑,并且可被用在1.8V 至3.3V 电平上行转换器功能中。此外输入端子上的5V 输入耐受可在Vcc=2.5V 时将芯片配置为3.3V 至2.5V 输出的下行转换。1.8至5.5V 的宽Vcc 范围有可能实现所需的开关输出电平连接至控制器或处理器。
HT4125 被设计成具有8mA 的经优化电流驱动能力,以减少由高驱动输出导致的线路反射、过冲和下冲。
■ 特点
·单电源电压转换
·1.8V至5.5V 的工作电压范围
·上行转换模式
- 1.8V Vcc时,1.2V至1.8V
- 2.5V Vcc时,1.5V至2.5V
- 3.3V Vcc时,1.8V 至3.3V
- 5.0V Vcc 时,3.3V 至 5.0V
·下行转换模式
- 1.8V Vcc时,3.3V至1.8V
- 2.5V Vcc时,3.3V至2.5V
- 3.3V Vcc时,5.0V 至 3.3V
·1.8V至5.5V 的工作电压范围
·上行转换模式
- 1.8V Vcc时,1.2V至1.8V
- 2.5V Vcc时,1.5V至2.5V
- 3.3V Vcc时,1.8V 至3.3V
- 5.0V Vcc 时,3.3V 至 5.0V
·下行转换模式
- 1.8V Vcc时,3.3V至1.8V
- 2.5V Vcc时,3.3V至2.5V
- 3.3V Vcc时,5.0V 至 3.3V
· 逻辑输出以电源Vcc为基准
· 3.3V Vcc时,特有高达50MHz的频率
·输入端子上的TTL兼容性
· 任一有效Vcc上的输入可耐受5.5V 电压
· -40°C 至125°℃ 工作温度范围
· 采用无铅封装:QFN14L-3.5x3.5
· 锁断性能超过250mA,符合JESD 17 规范
· 采用无铅封装:QFN14L-3.5x3.5
· 锁断性能超过250mA,符合JESD 17 规范
· 静电放电(ESD)性能测试符合JESD 22 规范
- 2000V 人体模型(A114-B,II类)
- 200V 机器模型(A115-A)
- 1000V 充电器件模型(C101)
· 实现标准门功能和插槽替换
■ 应用
· 平板电脑 · 智能手机
· 个人计算机 ·工业汽车应用
· 个人计算机 ·工业汽车应用
■ 典型应用图
