产品分类/ Products
- ET7428 1Ω Dual SPDT Negative Signal Handing Analog Switch
- ET7222 High-Speed USB 2.0(480Mbps) Switch
- ET5228H 0.6Ω Dual SPDT Negative Signal Handing Analog Switch
- ET5223 0.5Ω Dual SPDT Analog Switch
- HTR6916 共阴极16x9阵列LED 驱动器
- HTR7198(S), HTR7144(S) 带自动呼吸功能的18x
- PL62010 集成升降压控制器及双向PD3.0等多种快
- RY6050-ADJ Series 500mA Adjustable High-Speed Low Power LDO
- RY6050 Series 500mA High PSRR, Low Noise, Low Power LDO
- RY6313 40V 150mA Low Power LDO
- RY6031 300mA High PSRR, Low Noise, Low Power LDO
- RY8337C 36V 3A 500KHz Synchronous Step-Down Regulator
- RY8337B 30V 3A 500KHz Synchronous Step-Down Regulator
- RY8337 38V 3.3A 500KHz Synchronous Step-Down Regulator
耳机专用触摸IC
产品名称:PT2051A 单触控单输出 IC
型号: PT2051A
产片介绍:PT2051A 是一款单通道触摸检测芯片。该芯片内建稳压电路,提供稳定电压给触摸感应电路使用,同时内部集成高效完善的触摸检测算法,使得芯片具有稳定的触摸检测效果。该芯片专为取代传统按键而设计,具有宽工作电压与低功耗的特性,可广泛地满足不同消费类应用的需求。
产片介绍:PT2051A 是一款单通道触摸检测芯片。该芯片内建稳压电路,提供稳定电压给触摸感应电路使用,同时内部集成高效完善的触摸检测算法,使得芯片具有稳定的触摸检测效果。该芯片专为取代传统按键而设计,具有宽工作电压与低功耗的特性,可广泛地满足不同消费类应用的需求。
┄┄┄详细介绍┄┄┄
1. 产品概述
PT2051A 是一款单通道触摸检测芯片。该芯片内建稳压电路,提供稳定电压给触摸感应电路使用,同时内部集成高效完善的触摸检测算法,使得芯片具有稳定的触摸检测效果。该芯片专为取代传统按键而设计,具有宽工作电压与低功耗的特性,可广泛地满足不同消费类应用的需求。
2. 主要特性
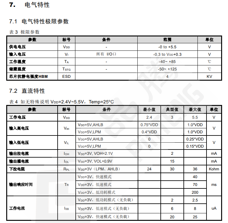
● 工作电压范围:2.4~5.5V
● 工作温度范围:-40~85℃
● 抗干扰性能优良:内置稳压电路、上电复位、低压复位功能及环境自适应算法等多种措
施
● 低功耗工作模式:典型值 2uA@VDD=3V/无负载
低速工作模式:典型值 6uA@VDD=3V/无负载
● 工作模式可程控,支持低速模式与低功耗模式程控(LPM)切换
● 按键最长响应时间:低速模式下约<70ms@VDD=3V
● 可接外部电容(1~50pF)调整触摸灵敏度
● CMOS 输出(QC)有效电平选择(AHLB):高电平或低电平输出有效
● 按键最长输出时间:16 秒(±30%)
● 上电约 0.4 秒的初始化时间,此期间内不要触摸检测点,且此时所有功能被禁止
● HBM ESD:大于 4KV
● 封装形式:SOT23-6、DFN2*2-6L、DFN1*1-4L
● 不可应用于阻容降压、电源纹波过大的应用场景。仅适用于电池供电且电源纹波较小的应用
3. 系统框图



5. 功能描述
5.1 输出模式和选项脚位
◼ AHLB 脚位:选择 QC(CMOS)输出高电平有效或低电平有效
◼ LPM 脚位:选择低速工作模式或低功耗模式
◼ 工作模式分为低功耗模式、低速模式、快速模式
◼ 工作模式切换时序如下

5.2 按键最长输出时间
若有物体覆盖触摸盘或环境突然变化,可能导致触摸检测持续有效。IC 内部触控算法
检测到输出有效持续时间达到设定值 16S(±30%)时,系统会回到上电初始状态,且
输出变为无效。
5.3 模式实时切换
PT2051A 在低速模式下运行,可实时响应双击触摸。在此模式下侦测到 LPM 拉高后会
切换到低功耗模式,可节省功耗。在低功耗模式下侦测到 LPM 拉低后又可以切换到低
速模式。

5.4 灵敏度调整
IC 触摸管脚上的等效电容大小会影响灵敏度,灵敏度调整必须符合 PCB 的实际应用,下面是一些调整灵敏度的方法:
1) 调整触摸盘大小:
在其它条件不变的情况下,使用较大的触摸盘尺寸可增加灵敏度,反之则会降低灵敏
度;但触摸盘尺寸必须在有效范围内。
2) 调整介质面板厚度:
在其它条件不变的情况下,使用较薄的介质可增加灵敏度,反之则会降低灵敏度。
3) 调整 Cs 电容值
在其它条件不变的情况下,触摸盘上未接对地 Cs 电容时,灵敏度最高,反之 Cs 电
容越大灵敏度变低,Cs 电容可用范围:(1≦Cs≦50pF)。

注:
1) 在 PCB 上从触摸盘到 TCH 脚的走线越短越好,且触摸走线与其它走线不得平行或交
叉。
2) 电源供电必须稳定,若电源电压发生快速漂移或跳变,可能造成灵敏度异常或误检测。
3) 覆盖在 PCB 上的介质,不得含有金属或导电组件成份﹐表面涂料亦同样要求。
4) 必须在 VDD 和 GND 间使用 C1 电容(104 或更大容量);且应采取与 IC 的 VDD
和 GND 管脚最短距离布线。
5) 可利用 Cs 电容调整灵敏度,Cs 电容值越小灵敏度越高,灵敏度调整必须根据实际应
用的 PCB来做调整,Cs 电容值的范围为 1~50pF。
6) 调整灵敏度的电容(Cs)必须选用较小的温度系数及较稳定的电容器,如 X7R、NPO。
针对触摸应用,建议选择 NPO 电容器,以降低因温度变化而影响灵敏度。

上一篇:PT2043A 单触控单输出 IC
下一篇:最后一页