产品分类/ Products
- ET7428 1Ω Dual SPDT Negative Signal Handing Analog Switch
- ET7222 High-Speed USB 2.0(480Mbps) Switch
- ET5228H 0.6Ω Dual SPDT Negative Signal Handing Analog Switch
- ET5223 0.5Ω Dual SPDT Analog Switch
- HTR6916 共阴极16x9阵列LED 驱动器
- HTR7198(S), HTR7144(S) 带自动呼吸功能的18x
- PL62010 集成升降压控制器及双向PD3.0等多种快
- RY6050-ADJ Series 500mA Adjustable High-Speed Low Power LDO
- RY6050 Series 500mA High PSRR, Low Noise, Low Power LDO
- RY6313 40V 150mA Low Power LDO
- RY6031 300mA High PSRR, Low Noise, Low Power LDO
- RY8337C 36V 3A 500KHz Synchronous Step-Down Regulator
- RY8337B 30V 3A 500KHz Synchronous Step-Down Regulator
- RY8337 38V 3.3A 500KHz Synchronous Step-Down Regulator
步进电机驱动
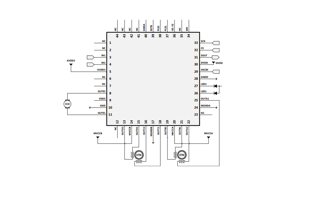
产品名称:HTD9901内置IRCUT驱动的摄像机和安全监控摄像头用镜头驱动芯
型号: HTD9901
产片介绍:HTD9901是一款用于摄像机和安全监控摄像头的镜头驱动芯片,内置IRCUT驱动。 HTD9901通过电压驱动模式实现了超低噪声的微步细分驱动。 HTD9901提供带有散热焊盘的QFN52,QFN44QFN32,QFN24封装,无铅产品,符合环保标准。
产片介绍:HTD9901是一款用于摄像机和安全监控摄像头的镜头驱动芯片,内置IRCUT驱动。 HTD9901通过电压驱动模式实现了超低噪声的微步细分驱动。 HTD9901提供带有散热焊盘的QFN52,QFN44QFN32,QFN24封装,无铅产品,符合环保标准。
┄┄┄详细介绍┄┄┄
■ 概述
HTD9901是一款用于摄像机和安全监控摄像头的镜头驱动芯片,内置IRCUT驱动。
HTD9901通过电压驱动模式实现了超低噪声的微步细分驱动。
HTD9901提供带有散热焊盘的QFN52,QFN44QFN32,QFN24封装,无铅产品,符合环保标准。
HTD9901通过电压驱动模式实现了超低噪声的微步细分驱动。
HTD9901提供带有散热焊盘的QFN52,QFN44QFN32,QFN24封装,无铅产品,符合环保标准。
■ 特点
· 电压驱动模式:两路256细分步进驱动器实现超低噪声的缩放和调焦
· 内置IRCUT驱动(仅HTD9901QNW不支持)
· 4线串行数据通信接口
· 内置2通道驱动LED的开漏输出(仅HTD9901QNL&HTD9901CQNL不支持)
· 可选无源晶振
(仅HTD9901QNP&HTD9901QNL支持)
· 内置IRCUT驱动(仅HTD9901QNW不支持)
· 4线串行数据通信接口
· 内置2通道驱动LED的开漏输出(仅HTD9901QNL&HTD9901CQNL不支持)
· 可选无源晶振
(仅HTD9901QNP&HTD9901QNL支持)
■ 应用
· 摄像机 ·安全监控摄像头
■ 引脚图

■ 典型应用图

上一篇:第一页
下一篇:HTD9900C内置IRCUT驱动的摄像机和安全监控摄像头驱动
