产品分类/ Products
- ET7428 1Ω Dual SPDT Negative Signal Handing Analog Switch
- ET7222 High-Speed USB 2.0(480Mbps) Switch
- ET5228H 0.6Ω Dual SPDT Negative Signal Handing Analog Switch
- ET5223 0.5Ω Dual SPDT Analog Switch
- HTR6916 共阴极16x9阵列LED 驱动器
- HTR7198(S), HTR7144(S) 带自动呼吸功能的18x
- PL62010 集成升降压控制器及双向PD3.0等多种快
- RY6050-ADJ Series 500mA Adjustable High-Speed Low Power LDO
- RY6050 Series 500mA High PSRR, Low Noise, Low Power LDO
- RY6313 40V 150mA Low Power LDO
- RY6031 300mA High PSRR, Low Noise, Low Power LDO
- RY8337C 36V 3A 500KHz Synchronous Step-Down Regulator
- RY8337B 30V 3A 500KHz Synchronous Step-Down Regulator
- RY8337 38V 3.3A 500KHz Synchronous Step-Down Regulator
无刷直流电机驱动
产品名称:HTD8325 5.0A 三路半桥集成驱动芯片
型号: HTD8325
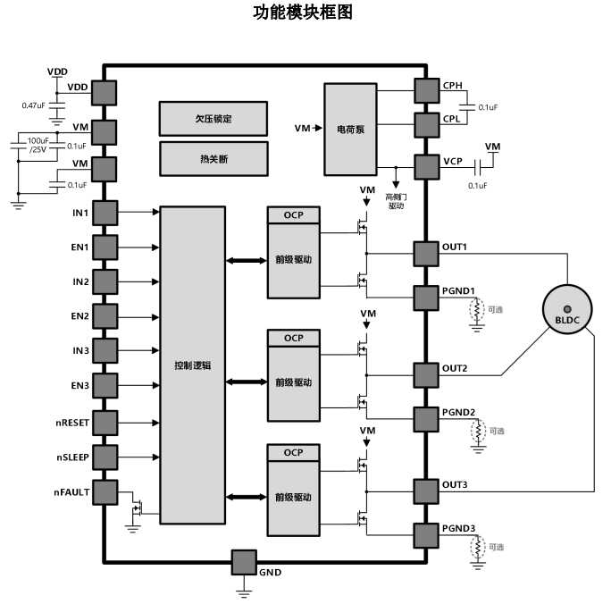
产片介绍:HTD8325是一款包含三路半桥且可独立控制的驱动芯片,用于驱动一个三相直流无刷电机,或驱动螺线管等其它负载。每路半桥高、低边均配置N通道功率MOSFET,可输出5 0A峰值电流。低边MOSFET的源端,即芯片的功率地可选择接检流电阻到地,以检测输出电流。
产片介绍:HTD8325是一款包含三路半桥且可独立控制的驱动芯片,用于驱动一个三相直流无刷电机,或驱动螺线管等其它负载。每路半桥高、低边均配置N通道功率MOSFET,可输出5 0A峰值电流。低边MOSFET的源端,即芯片的功率地可选择接检流电阻到地,以检测输出电流。
┄┄┄详细介绍┄┄┄
■ 概述
HTD8325是一款包含三路半桥且可独立控制的驱动芯片,用于驱动一个三相直流无刷电机,或驱动螺线管等其它负载。每路半桥高、低边均配置N通道功率MOSFET,可输出5.0A峰值电流。低边MOSFET的源端,即芯片的功率地可选择接检流电阻到地,以检测输出电流。
内部保护功能包含过流保护,短路保护和过温保护,并提供一个故障检测输出管脚。
HTD8325提供一种4mmx4mm的QFN24封装,并带有裸露散热焊盘,能有效改善散热性能,且为无铅封装,符合环保标准。
内部保护功能包含过流保护,短路保护和过温保护,并提供一个故障检测输出管脚。
HTD8325提供一种4mmx4mm的QFN24封装,并带有裸露散热焊盘,能有效改善散热性能,且为无铅封装,符合环保标准。
■ 特点
● 三路独立半桥电机驱动器。
● 驱动三相直流无刷电机(BLDC)
● 三个独立用于电流检测的接地引脚
● 低RDS(ON)电阻,HS+LS=130mΩ
● ±5.0A峰值输出电流
● 宽电压供电,5.5V-18V
● 过温保护
● 短路保护
● 欠压锁定保护
● 过温保护
● 短路保护
● 欠压锁定保护
■ 应用
● 手持云台 ● 消费类产品
● 办公自动化设备 ● 工厂自动化
■ 封装形式

■ 典型应用图




上一篇:HTD8811双通道H 桥电机驱动芯片
下一篇:最后一页