产品分类/ Products
- ET7428 1Ω Dual SPDT Negative Signal Handing Analog Switch
- ET7222 High-Speed USB 2.0(480Mbps) Switch
- ET5228H 0.6Ω Dual SPDT Negative Signal Handing Analog Switch
- ET5223 0.5Ω Dual SPDT Analog Switch
- HTR6916 共阴极16x9阵列LED 驱动器
- HTR7198(S), HTR7144(S) 带自动呼吸功能的18x
- PL62010 集成升降压控制器及双向PD3.0等多种快
- RY6050-ADJ Series 500mA Adjustable High-Speed Low Power LDO
- RY6050 Series 500mA High PSRR, Low Noise, Low Power LDO
- RY6313 40V 150mA Low Power LDO
- RY6031 300mA High PSRR, Low Noise, Low Power LDO
- RY8337C 36V 3A 500KHz Synchronous Step-Down Regulator
- RY8337B 30V 3A 500KHz Synchronous Step-Down Regulator
- RY8337 38V 3.3A 500KHz Synchronous Step-Down Regulator
全集成PD快充SOC
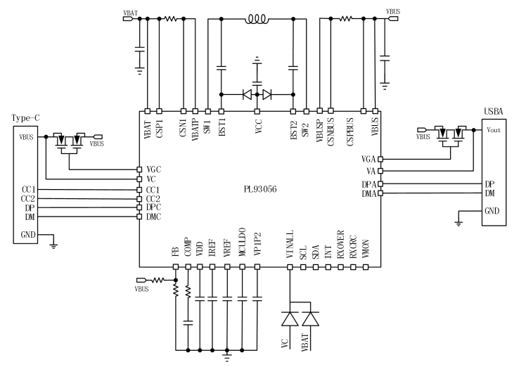
产品名称:PL93056集成快充全协议、H桥及充电管理的双向升降压SOC
型号: PL93056
产片介绍: PL93056是集成了快充全协议的、高效率的、带充电管理的同步双向升降压SOC。它是一个针对type-CPD快充应用而设计的、功能丰富的、使用灵活的升降压转换器平台。它可以被设置成降压充电、升压充电以及升降压充电几种模式。
产片介绍: PL93056是集成了快充全协议的、高效率的、带充电管理的同步双向升降压SOC。它是一个针对type-CPD快充应用而设计的、功能丰富的、使用灵活的升降压转换器平台。它可以被设置成降压充电、升压充电以及升降压充电几种模式。
┄┄┄详细介绍┄┄┄
1 概述
PL93056是集成了快充全协议的、高效率的、带充电管理的同步双向升降压SOC。它是一个针对type-CPD快充应用而设计的、功能丰富的、使用灵活的升降压转换器平台。它可以被设置成降压充电、升压充电以及升降压充电几种模式。PL93056 集成了I2C 接口,可方便与外部系统通信。通过I2C可将电池电压、BUS电压、电池电流、BUS电流及各端口的电压电流信息传送到外部系统。同时,内部集成了耐高压的CC1/CC2、DP/DM USB通信协议接口。搭配普通的MCU就可为各种快充应用提供完整、强大、灵活的升降压快充方案。
在充电模式,可通过升压、降压及升降压有效的给电池充电。PL93056支持涓流、恒流、恒压的充电管理。充电电流和电压都可以通过两个12-bit 寄存器来控制。PL93056 集成I2C接口,通过读写寄存器用户可方便的控制系统进入充电或放电模式,设置充电电流、充满电压、输出电压以及输出恒流点。通过I2C接口可以监控USB端口的状态,并控制端口NMOS的导通和关闭。同时用户也可以通过读状态寄存器来监控DC-DC的状态,甚至监控整个系统的工作情况。
PL93056提供VMON引脚。MCU可以通过该引脚直接实时读取VBUS、IBUS、VBAT、IBAT以及各端口的电压、电流信息。以简化系统设计和降低BOM成本。
为确保系统在任何工作条件下的安全,PL93056集成了欠压保护、过压保护、过流保护、短路保护、以及温度保护等功能。
2 特性
·双向升降压充放电功能, 同时支持PD3.0, QC3.0, AFC, SCP, FCP, BC1.2 等协议
·支持PD3.0协议的双角色转换
·内置充电管理功能,包括涓流、恒流、恒压、充满停 止及复充
·VBUS/VBAT电压范围最高可到24V 集成一个8mR 的H桥
·集成A口和C口的插拔检测功能
·集成端口的过流、过压保护功能
·支持1-4串锂电充电管理
·支持4.2V和3.5V的充满电压且可调
·开关频率可选150Khz 或 300Khz
·内置自适应充电功能,通过写寄存器可动态调整 VINREG电压适应不同功率的适配器
·内置12-bit DAC 可确保电流以10mA的步径设置
·内置12-bit DAC 可确保输出电压以5mV的步径设置
·内置电荷泵实现端口使用NMOS关断输出
·外部可通过VMON 引脚检测电池端、BUS端以及各个 端口端的电压和电流等信息
·集成DC-DC转换器的各种保护功能
·当BUS电压与电池电压接近时,可设置直通
·内置I2C接口与外部系统通信
·集成3.3V/50mA LDO
·QFN6x6-42 封装
3 应用
·移动电源
·充电宝
·电动工具
·充电器
4 典型应用框图

