产品分类/ Products
- ET7428 1Ω Dual SPDT Negative Signal Handing Analog Switch
- ET7222 High-Speed USB 2.0(480Mbps) Switch
- ET5228H 0.6Ω Dual SPDT Negative Signal Handing Analog Switch
- ET5223 0.5Ω Dual SPDT Analog Switch
- HTR6916 共阴极16x9阵列LED 驱动器
- HTR7198(S), HTR7144(S) 带自动呼吸功能的18x
- PL62010 集成升降压控制器及双向PD3.0等多种快
- RY6050-ADJ Series 500mA Adjustable High-Speed Low Power LDO
- RY6050 Series 500mA High PSRR, Low Noise, Low Power LDO
- RY6313 40V 150mA Low Power LDO
- RY6031 300mA High PSRR, Low Noise, Low Power LDO
- RY8337C 36V 3A 500KHz Synchronous Step-Down Regulator
- RY8337B 30V 3A 500KHz Synchronous Step-Down Regulator
- RY8337 38V 3.3A 500KHz Synchronous Step-Down Regulator
全集成PD快充SOC
产品名称:LYF62001 高效,同步双向buck - boost充电器集成快速充电协议
型号: LYF62001
产片介绍:In charging mode, it steps up or down the input voltagetoeffectively charge the batteries LYF62001 supportstricklecharging, constant current (CC) charging andconstant voltage (CV) charging management The chargingcurrent and charging voltage can be programmed by two12-bit DAC converters
产片介绍:In charging mode, it steps up or down the input voltagetoeffectively charge the batteries LYF62001 supportstricklecharging, constant current (CC) charging andconstant voltage (CV) charging management The chargingcurrent and charging voltage can be programmed by two12-bit DAC converters
┄┄┄详细介绍┄┄┄
1 Description
LYF62001 is a high efficiency, synchronous bi-directional buck-boost charger with integrated fast charge protocols. It is a comprehensive and flexible buck-boost chargerplatform designed for most of fast charging applicationswith type-C port and PD protocol. It can be programmedtobuck charging, boost charging or buck-boost charging. LYF62001 provides I2C interface to communicatewithMCU, provides high voltage sensing for battery andBUSterminals, accurate rail-rail current sensing for batterycurrent, BUS current and USB ports currents. It alsoprovides high voltage blocking for CC1, CC2, DP, DMcommunication signals for all of the USB ports. LYF62001can work with a general MCU to provide a complete, powerful and flexible buck-boost charging systemfor all kinds of fast charge application such as power bank, battery packs, or portable energy cubic etc.
In charging mode, it steps up or down the input voltagetoeffectively charge the batteries. LYF62001 supportstricklecharging, constant current (CC) charging andconstant voltage (CV) charging management. The chargingcurrent and charging voltage can be programmed by two12-bit DAC converters.
The LYF62001 features I2C interface, so the user caneasily control the charging/discharging mode, andprogramcharging current, charging voltage, output voltage, andoutput current limits through I2C. It also monitors thestatusof USB ports and provides two NMOS gate driverstocontrol the power path independently. User canalsouseI2C to monitor the status of DC-DC, even thewholesystem.
LYF62001 also provides VMON pin, through whichtheMCU can monitor VBUS, VBAT voltage, IBUS, IBATcurrent and the current of each port in real time. All thesefeatures simplify the system design and reduce BOMcost for any charging system.
The LYF62001 supports under voltage protection, overvoltage protection, over current protection, short circuit protection and over temperature protections toensuresystem safety under different abnormal conditions.
2 Features
∙ Bi-directional buck-boost charging and dischargingwith PD3.0,QC3.0,AFC, SCP,FCP,BC1.2protocols integrated
∙ Support source role, sink role and DRP role for PD3.0
∙ Charging management, including trickle chargingCC charging, Cv charging and charging terminationfunctions
∙ Wide VBUS and VBAT voltage operation range up to 32V
∙ Support up A port and C port, plug-in and plug-out detection
∙ Support over current, over voltage protection for each port.
∙ 1 Cell to 6 Cells battery charge management
∙ Support both 4.2V and 3.5V battery charging
∙ Programmable switching frequency 150Khz and 300Khz
∙ Programmable VINREG voltage to prevent overloading adaptors.
∙ 12-bit DAC converter to guarantee programmable current limit with10mA/step
∙ 12-bit DAC converter to guarantee programmable output voltage with 5mV/step
∙ Programmable cable drop compensation
∙ Integrate N-Gate drivers for USB ports
∙ Battery voltage, BUS voltage and all ports voltage sensing on VMON pin
∙ Battery current, BUS current and all ports current sensing on VMON pin
∙ Comprehensive protection features in on-chip buck-boost controller
∙ Supports pass-through operation when VBUS is close to VBAT
∙ I2C interface is available to communicate with MCU
∙ On-chip LDO to provide power for MCU
∙ QFN5X5-40 package
3 Applications
∙ Power Bank
∙ Battery packs
∙ Li-ion Battery Charger
∙ Portable equipments
∙ General fast Charging
∙ Smart USB Sockets
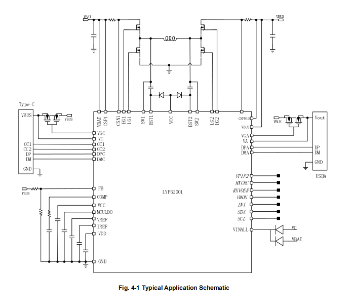
4 Typical Application Schematic

上一篇:PL94056高效同步双向Buck-Boost充电器,集成快速充电协议
下一篇:PL62010 集成升降压控制器及双向PD3.0等多种快充协议的SOC
