产品分类/ Products
- ET7428 1Ω Dual SPDT Negative Signal Handing Analog Switch
- ET7222 High-Speed USB 2.0(480Mbps) Switch
- ET5228H 0.6Ω Dual SPDT Negative Signal Handing Analog Switch
- ET5223 0.5Ω Dual SPDT Analog Switch
- HTR6916 共阴极16x9阵列LED 驱动器
- HTR7198(S), HTR7144(S) 带自动呼吸功能的18x
- PL62010 集成升降压控制器及双向PD3.0等多种快
- RY6050-ADJ Series 500mA Adjustable High-Speed Low Power LDO
- RY6050 Series 500mA High PSRR, Low Noise, Low Power LDO
- RY6313 40V 150mA Low Power LDO
- RY6031 300mA High PSRR, Low Noise, Low Power LDO
- RY8337C 36V 3A 500KHz Synchronous Step-Down Regulator
- RY8337B 30V 3A 500KHz Synchronous Step-Down Regulator
- RY8337 38V 3.3A 500KHz Synchronous Step-Down Regulator
16键
产品名称:PT2026 16 触控 I2C 输出 IC
型号: PT2026
产片介绍:PT2026 是一款电容式触摸控制 ASIC,支持 16 通道触摸输入,I2C 键值输出。可通过 I2C 调 节灵敏度以及功能设置。算法带有走线自补偿功能,具有低功耗、高抗干扰、宽工作电压范围的突 出优势。适用于小家电,智能门锁等消费类电子产品。
产片介绍:PT2026 是一款电容式触摸控制 ASIC,支持 16 通道触摸输入,I2C 键值输出。可通过 I2C 调 节灵敏度以及功能设置。算法带有走线自补偿功能,具有低功耗、高抗干扰、宽工作电压范围的突 出优势。适用于小家电,智能门锁等消费类电子产品。
┄┄┄详细介绍┄┄┄
1. 产品概述
PT2026 是一款电容式触摸控制 ASIC,支持 16 通道触摸输入,I2C 键值输出。可通过 I2C 调节灵敏度以及功能设置。算法带有走线自补偿功能,具有低功耗、高抗干扰、宽工作电压范围的突出优势。适用于小家电,智能门锁等消费类电子产品。
2. 主要特性
● 工作电压范围:2.4~5.5V
● 工作电流:8uA(低功耗模式)@VDD=3V&CMOD=33nF
● 16 通道触摸输入 I2C 键值输出
● 带自适应模式可自补偿修正触摸通道差异或走线长短不一致情况
● CMOD 脚外接电容可整体调节灵敏度,电容越大灵敏度越高
● 触摸相关参数均可通过 I2C 接口独立调节
● 具有防水功能,当水漫或成片水珠覆盖在触摸面板时,按键仍可有效判别
● 内置稳压源、上电复位和低压复位等硬件模块
● 内置实时环境自适应、高效数字滤波等软件算法
● 封装形式:SSOP28、QFN24
● HBM ESD: 4KV
3. 封装及引脚说明


表 1 引脚说明

4. 功能介绍
● 默认功能如下:
通道使能: 16 路
阈值设置模式: 自适应
低功耗使能: 使能
超长按键复位: 按键有效超过 16S,所有使能的触摸通道复位
休眠等待时间: 无触摸休眠等待时间 4S
键值读取地址为: 0x1C(TCH9~TCH16) 0x1D(TCH1~TCH8)
● 支持触摸相关参数,I2C 接口可设
● I2C 接口最大支持速率为 100K/S
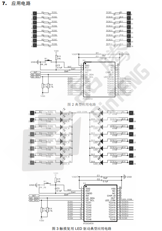
● 支持触摸引脚复用 LED 驱动功能。但应用上因 LED 灯寄生电容的存在,会对触摸灵敏
度造成衰减。参考配置如下:
● 引脚功能描述
◼ LED_COM:LED 灯驱动公共端
◼ INT:无触摸输出高电平,键值变化输出 10mS 低电平脉冲

5. 寄存器描述
表2寄存器总表






