首页 > 产品中心 > 音频功放系列 > 自适应双声道功放 >
产品分类/ Products
自适应双声道功放
产品名称:HT878T可任意限幅、内置自适应升压的2X8.0W立体声音频功放
型号: HT878T
产片介绍:HT878T是一款内置自适应升压的立体声D类音频功率放大器,由鲤电池供电升压至VpouT=8 3V时, THD+N=1%、1kHz信号条件下,能连续输出2X6 8W功率(4Ω 负载):另外,其还支持AB类模式。

┄┄┄详细介绍┄┄┄

■ 概述
  HT878T是一款内置自适应升压的立体声D类音频功率放大器,由电池供电升压至VPouT=8.3V时, THD+N=1%、1kHz信号条件下,能连续输出2X6.8W功率 (4Ω 负载): 另外,其还支持AB类模式。
  HT878T内置G类升压,可任意设置最大升压值以满足不同的输出功率需求。该升压在小音乐信号时不升压,仅当功率较大时工作。其可大幅提高系统效率,延长电池续航时间。
  HT878T具有可任意配置的限幅(Limiter)功能。限幅功能开启后,即使输入信号很大,音乐输出也能被限制在指定的功率和THD+N之内,满足不同音质体验和保护喇叭的需求。
  HT878T还具有自动限温控制(TFB)功能,在高功率输出、高环境温度、AB类模式低效率等情况下导致芯片片内温度较高时,芯片能自动降低系统增益,避免芯片进入过温关断保护模式,在保证音乐品质的前提下显著提升音乐峰值功率。
  此外,HT878T内部集成免滤波器调制技术,能够直接驱动扬声器,内置的关断功能使待机电流最小化,还集成了输出端过流保护、片内过温保护和电源欠压异常保护等功能。
■ 特点
·可任意配置的限幅功能
 -自由配置音频限制幅度,使输出音频信号限制在固定失真水平内
·内置自动限温控制功能
  -适应不同散热条件,避免出现过温关断现象
·高效自适应G类升压功能,有效延长播放时间
  -可调节最大限流值,有效防止电池拉死
  -升压值可调
·支持AB类与D类切换
  THD+N: 0.04%(RL,=4Ω, fIN=1kHz,Po=2x1.0W)
·低静态电流: 7mA,3.7V
·输出功率(VBAT=4.2V, fIN=1kHz, RL=4Ω)
  2x6.8W (Vpout=8.3V, THD+N= 1%, 连续输出)
  2x8.4W (Vpout=8.3V, THD+N = 10%, 瞬态输出)
·VBAT供电范围: 2.8V至5.5V
·三种增益选择:21dB,25.5dB,30dB
·免滤波器数字调制,直接驱动扬声器
·保护功能:过流/过热欠压异常保护功能
·无铅无卤封装,TSSOP24L-PP
■ 应用
· 智能音响          · 无线音响            · 便携式音箱
· 便携式游戏机       · 2.1声道小音箱          · 拉杆音箱
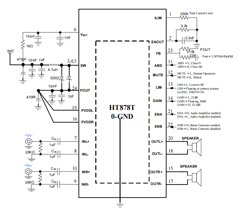
■ 典型应用图


 

 

上一篇:第一页
下一篇:HT8787B 可任意限幅、内置自适应升压的2X9.0W立体声音频功放

公司简介,关于我们 佰泰盛世产品展示 联系佰泰盛世
点击关闭

  • 销售 马生:
    销售 陆生:

    扫码联系微信

    服务热线:

    0755-82717797