产品分类/ Products
- ET7428 1Ω Dual SPDT Negative Signal Handing Analog Switch
- ET7222 High-Speed USB 2.0(480Mbps) Switch
- ET5228H 0.6Ω Dual SPDT Negative Signal Handing Analog Switch
- ET5223 0.5Ω Dual SPDT Analog Switch
- HTR6916 共阴极16x9阵列LED 驱动器
- HTR7198(S), HTR7144(S) 带自动呼吸功能的18x
- PL62010 集成升降压控制器及双向PD3.0等多种快
- RY6050-ADJ Series 500mA Adjustable High-Speed Low Power LDO
- RY6050 Series 500mA High PSRR, Low Noise, Low Power LDO
- RY6313 40V 150mA Low Power LDO
- RY6031 300mA High PSRR, Low Noise, Low Power LDO
- RY8337C 36V 3A 500KHz Synchronous Step-Down Regulator
- RY8337B 30V 3A 500KHz Synchronous Step-Down Regulator
- RY8337 38V 3.3A 500KHz Synchronous Step-Down Regulator
AB类功放
产品名称:AXPA7851Q 4 x 48W MOSFETQuad Bridge Power Amplifier
型号: AXPA7851Q
产片介绍:AXPA7851Q is an automotive AEC-Q100 certified quad bridge class AB car radio audio power amplifier designed in BCD (Bipolar, CMOS, DMOS) technology with a fully complementary P-Channel N-Channel output structure It has a rail to rail output voltage swing, high output current and low saturation losses, giving it an excellent distortion performance
产片介绍:AXPA7851Q is an automotive AEC-Q100 certified quad bridge class AB car radio audio power amplifier designed in BCD (Bipolar, CMOS, DMOS) technology with a fully complementary P-Channel N-Channel output structure It has a rail to rail output voltage swing, high output current and low saturation losses, giving it an excellent distortion performance
┄┄┄详细介绍┄┄┄
Description
AXPA7851Q is an automotive AEC-Q100 certified quad bridge class AB car radio audio power amplifier
designed in BCD (Bipolar, CMOS, DMOS) technology with a fully complementary P-Channel/N-Channel
output structure. It has a rail to rail output voltage swing, high output current and low saturation losses,
giving it an excellent distortion performance. AXPA7851Q can operate down to 6V for low voltage
operation to achieve 'start-stop' battery profile during engine stop enabling reduction in overall emissions.
designed in BCD (Bipolar, CMOS, DMOS) technology with a fully complementary P-Channel/N-Channel
output structure. It has a rail to rail output voltage swing, high output current and low saturation losses,
giving it an excellent distortion performance. AXPA7851Q can operate down to 6V for low voltage
operation to achieve 'start-stop' battery profile during engine stop enabling reduction in overall emissions.
Features
▪ Automotive AEC-Q100 Certified
▪ Multipower BCD technology with DMOS MOSFET output power stage
▪ Hi-Fi class low distortion
▪ Low output noise
▪ High immunity to RF noise injection
▪ Standby function
▪ Mute function
▪ Auto-mute at min. supply voltage detection
▪ Low external component count
▪ No external compensation
▪ No bootstrap capacitors
▪ Internally fixed gain (26dB)
▪ Automotive AEC-Q100 Certified
▪ Multipower BCD technology with DMOS MOSFET output power stage
▪ Hi-Fi class low distortion
▪ Low output noise
▪ High immunity to RF noise injection
▪ Standby function
▪ Mute function
▪ Auto-mute at min. supply voltage detection
▪ Low external component count
▪ No external compensation
▪ No bootstrap capacitors
▪ Internally fixed gain (26dB)
▪ Capable to operate down to 6V (e.g. “start-stop”)
▪ High output power capability:
– 4 x 48W/4Ω Max.
– 4 x 28W/4Ω @ 14.4V, 1kHz, 10%
▪ Protections:
– Output short circuit to GND, to Vs, across the load
– Very inductive loads
– Overrating chip temperature with soft thermal limiter
– Output DC Offset detection
– Output Clipping detection
– Load dump
– ESD
▪ High output power capability:
– 4 x 48W/4Ω Max.
– 4 x 28W/4Ω @ 14.4V, 1kHz, 10%
▪ Protections:
– Output short circuit to GND, to Vs, across the load
– Very inductive loads
– Overrating chip temperature with soft thermal limiter
– Output DC Offset detection
– Output Clipping detection
– Load dump
– ESD
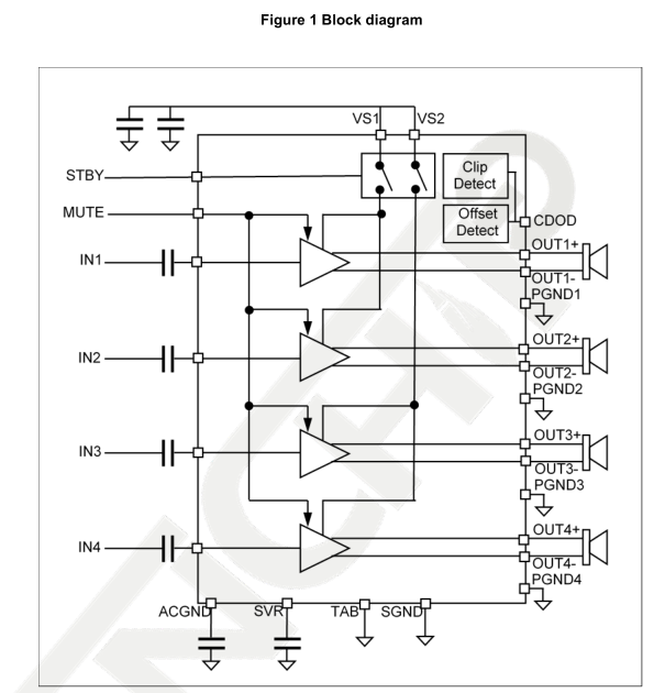
1 Block Diagram and Application Circuits


2 Pin Description
2.1 Pin Names
2.1 Pin Names

2.2 Pin Functions

3 Electrical Specifications
3.1 Absolute Maximum Ratings
3.1 Absolute Maximum Ratings

3.2 Thermal Data

3.3 Electrical Characteristics



4 Functional Description
4.1 Overview
4.1 Overview
AXPA7851Q is a complementary quad audio power amplifier designed in BCD Technology
and it is automotive AEC-Q100 certified. Integrated within the AXPA7851Q are:
• 4 dependent class AB amplifiers with DMOS Mosfet output stages
• Clipping detector
• Offset Detection circuit with CDOD pin
• Standby function with STBY pin
• Mute function with MUTE pin
• Circuits fully operational down to 6V, with no pop noise and uninterrupted play during battery transitions.
• Protection circuits for
▪ short circuit
▪ open circuit
▪ over voltage
▪ over temperature
It is available in package FZIP25.
and it is automotive AEC-Q100 certified. Integrated within the AXPA7851Q are:
• 4 dependent class AB amplifiers with DMOS Mosfet output stages
• Clipping detector
• Offset Detection circuit with CDOD pin
• Standby function with STBY pin
• Mute function with MUTE pin
• Circuits fully operational down to 6V, with no pop noise and uninterrupted play during battery transitions.
• Protection circuits for
▪ short circuit
▪ open circuit
▪ over voltage
▪ over temperature
It is available in package FZIP25.
4.2 Inputs
AXPA7851Q's channel inputs are ground-compatible with reference to ACGND. Referring to
application circuit (Figure 2), input capacitors of 0.47μF will attain a low frequency cut-off of
around 16Hz. For best pop noise minimization, input capacitors should be 1/4 of the capacitor
connected to ACGND pin.
AXPA7851Q's channel inputs are ground-compatible with reference to ACGND. Referring to
application circuit (Figure 2), input capacitors of 0.47μF will attain a low frequency cut-off of
around 16Hz. For best pop noise minimization, input capacitors should be 1/4 of the capacitor
connected to ACGND pin.
4.3 Standby and Mute
Standby and Mute functions are controlled by CMOS compatible STBY and MUTE pins.
Control signals for these functions should be coupled to AXPA7851Q using a RC circuit (refer
to Figure 2 Application Diagram) to damp any sharp transition, preventing unwanted audible
transient noise. If not used, an external resistive pull up to VS should be connected.
4.4 SVR – Supply Voltage Rejection
The SVR pin is set internally to Vs/4 and serves as the input voltage reference as well as to generate the Vs/2 output reference.
An external capacitor connected to the SVR help in supply voltage ripple rejection and serves 3
functions:
1. Start-up time
2. Shut-down time
3. Pop noise free transitions.
A minimum capacitance value of 10μF is recommended.
Upon STBY going beyond the 2.6V threshold, the SVR pin is charged for normal operation.
The Start-up profile time constant is determined by an internal R coupled with the external capacitor.
A 2-step profile is designed with a fast charge of 3kΩ from 0 to VS/4-2Vbe voltage and thereafter a slower charge through 50kΩ to Vs/4 voltage.
A time constant slower than 2.5V/ms is recommended for pop-free transitions.

4.5 Operation Modes
4.5.1 Low Voltage Operation
In the effort to reduce emissions of polluting substances, OEM specifications dictates that the car engine automatically stops when the car is stopping at traffic lights. AXPA7851Q can meet this operation requirement.
4.5.1 Low Voltage Operation
In the effort to reduce emissions of polluting substances, OEM specifications dictates that the car engine automatically stops when the car is stopping at traffic lights. AXPA7851Q can meet this operation requirement.
It provides for continuous operation when the battery falls as low as 6V, remaining fully
operational. The output power is however reduced accordingly to the available voltage supply.
Upon battery voltage dropping below 6V, a proper sequencing is performed with amplifier first
fast muted and then the SVR capacitor discharged. On returning to above 6V, the amplifier
restarts.
4.5.2 Cranks
AXPA7851Q has excellent performance on worst case cranks profile from 16V to 6V,
continuing to play and without producing any pop noise. It can sustain operation for battery
cranking curves shown below:


4.5.3 Advanced battery management (hybrid vehicles)
For sudden spikes in battery voltage, as in the case of Hybrid vehicles engine ignition,
AXPA7851Q can handle such situations of 16V in 10ms spikes without any pop noise and
interruptions.
For sudden spikes in battery voltage, as in the case of Hybrid vehicles engine ignition,
AXPA7851Q can handle such situations of 16V in 10ms spikes without any pop noise and
interruptions.

4.6 Output Clip Detection (CDOD)
The CDOD indicates Output Clip Detection during non Mute operation. It goes active low upon
occurrence of clipping at the output waveform. An internal clipping circuit detects for output
distortion of more than 1% and pulls down CDOD low. This acts as a feedback signal for the
audio processor to reduce its output signal to the amplifier for clipping reduction. Clip detection is functional down to Vs=6.5V.
The CDOD indicates Output Clip Detection during non Mute operation. It goes active low upon
occurrence of clipping at the output waveform. An internal clipping circuit detects for output
distortion of more than 1% and pulls down CDOD low. This acts as a feedback signal for the
audio processor to reduce its output signal to the amplifier for clipping reduction. Clip detection is functional down to Vs=6.5V.
4.7 Output DC Offset Detection (CDOD)
The CDOD indicates Output DC Offset Detection during Mute operation.
To safeguard against damaging speakers because of large DC offsets at the outputs, an offset
detector is designed into AXPA7851Q. When muted and without signal input, it detects for
differential output voltage, to be within a threshold of +/-2V and pulls CDOD low if it is exceeded.
The CDOD indicates Output DC Offset Detection during Mute operation.
To safeguard against damaging speakers because of large DC offsets at the outputs, an offset
detector is designed into AXPA7851Q. When muted and without signal input, it detects for
differential output voltage, to be within a threshold of +/-2V and pulls CDOD low if it is exceeded.
4.8 Protection
4.8.1 Short circuits
AXPA7851Q detects for short circuit under the conditions of:
1. Short to ground
When detected, the outputs are put into tristate high impedance. The device will only
revert to normal operation when short is removed. This is determined by detecting the
output voltage returning to internally set limits.
2. Short to Vs
When detected, the outputs are put into tri-state high impedance. The device will only
revert to normal operation when the short is removed. This is determined by detecting the
output voltage returning to internally set limits.
3. Short across the load
This is determined by sensing an over current at the outputs. The outputs are then put
into a high impedance protection mode for 100s. The short is repeated checked every
100s, If the short is removed, the amplifier returns to normal operation, otherwise high
impedance state is maintained.
4.8.2 Open circuit Operation
When there is an open load condition, no damage will occur. AXPA7851Q will continue to play.
4.8.3 Over-voltage and load dump
AXPA7851Q is designed to detect over voltage of beyond 19V. When detected, the amplifier
outputs go into a high impedance state preventing damage. Normal play operations are
reverted when Vs returns to the acceptable range.
The robustness of the design allows for protection against load dumps surges of as high as
50V with 5ms rise time and 50ms duration.

4.8.4 Thermal protection
Thermal warning is activated at Tj of 140℃. If Tj rise continues and reaches 150℃, a slow
mute is then activated to reduce output power and dissipation. On reaching Tj of 170℃, the
amplifier will be shutdown to prevent damage.
Thermal warning is activated at Tj of 140℃. If Tj rise continues and reaches 150℃, a slow
mute is then activated to reduce output power and dissipation. On reaching Tj of 170℃, the
amplifier will be shutdown to prevent damage.
4.9 Heat sink definition
The power dissipation and temperature generated by the heat dissipation is governed by the
following equation.
Pd ∗ (Rthj~case + Rthc~amb) = Tj − Ta
Pd = Power dissipation of amplifier (W)
Rthj~case = Thermal resistance from silicon junction to the package casing. (℃/W)
Rthc~amb = Thermal resistance from case to ambient (℃/W)
Tj = Silicon junction operating temperature (℃)
Tamb = Ambient Temperature. (℃)
Example:
Pd= 28W
Rthj~case = 1℃/W
Tj = 150℃
Tamb = 70℃
Rthc~amb = 1.8℃/W
The heatsink need to be designed to have thermal resistance of 1.8oC/W or lower to avoid
overheating and thermal shutdown.
上一篇: AXPA17851 4x48W MOSFETQuad Bridge Power Amplifier
下一篇:AXPA7388Q 4 x 45W MOSFET Quad Bridge Power Amplifier