产品分类/ Products
- ET7428 1Ω Dual SPDT Negative Signal Handing Analog Switch
- ET7222 High-Speed USB 2.0(480Mbps) Switch
- ET5228H 0.6Ω Dual SPDT Negative Signal Handing Analog Switch
- ET5223 0.5Ω Dual SPDT Analog Switch
- HTR6916 共阴极16x9阵列LED 驱动器
- HTR7198(S), HTR7144(S) 带自动呼吸功能的18x
- PL62010 集成升降压控制器及双向PD3.0等多种快
- RY6050-ADJ Series 500mA Adjustable High-Speed Low Power LDO
- RY6050 Series 500mA High PSRR, Low Noise, Low Power LDO
- RY6313 40V 150mA Low Power LDO
- RY6031 300mA High PSRR, Low Noise, Low Power LDO
- RY8337C 36V 3A 500KHz Synchronous Step-Down Regulator
- RY8337B 30V 3A 500KHz Synchronous Step-Down Regulator
- RY8337 38V 3.3A 500KHz Synchronous Step-Down Regulator
D类功放双通道
产品名称:CSC3601 2×50W 立体声 D 类音频功率放大器
型号: CSC3601
产片介绍:CSC3601是一款高效率的立体声D类功率放大器电路。 CSC3601集成的锁相环电路,可通过选择不同的开关频率来避免了 AM 干扰,其先进的 EMI 抑制技术使得在电路输出端仅使用廉价的磁珠滤波器即可达到EMC的要求。同时电路带有外部时钟同步功能,实现多个器件同步。
产片介绍:CSC3601是一款高效率的立体声D类功率放大器电路。 CSC3601集成的锁相环电路,可通过选择不同的开关频率来避免了 AM 干扰,其先进的 EMI 抑制技术使得在电路输出端仅使用廉价的磁珠滤波器即可达到EMC的要求。同时电路带有外部时钟同步功能,实现多个器件同步。
┄┄┄详细介绍┄┄┄
■ 产品概述
CSC3601是一款高效率的立体声D类功率放大器电路。
CSC3601集成的锁相环电路,可通过选择不同的开关频率来避免了 AM 干扰,其先进的 EMI 抑制技术使得在电路输出端仅使用廉价的磁珠滤波器即可达到EMC的要求。同时电路带有外部时钟同步功能,实现多个器件同步。
CSC3601支持单声道和立体声两种输出模式。mono 模式下,搭配2Ω扬声器时,输出功率可达到 100W。立体声模式下,在一定面积散热器,输出功率可达2x50 W/4Ω。
CSC3601具有非常全面的保护设计,包括:短路保护,过温保护,过欠压和直流保护等。
CSC3601集成的锁相环电路,可通过选择不同的开关频率来避免了 AM 干扰,其先进的 EMI 抑制技术使得在电路输出端仅使用廉价的磁珠滤波器即可达到EMC的要求。同时电路带有外部时钟同步功能,实现多个器件同步。
CSC3601支持单声道和立体声两种输出模式。mono 模式下,搭配2Ω扬声器时,输出功率可达到 100W。立体声模式下,在一定面积散热器,输出功率可达2x50 W/4Ω。
CSC3601具有非常全面的保护设计,包括:短路保护,过温保护,过欠压和直流保护等。
■ 主要特点
• 宽工作电压范围:5.5V-26V
• 高效率 D 类工作模式:
-> 90%的转换效率
- 先进的 PWM 调制方案
• 开关频率外部可调
- 开关频率最高可达 1.2MHz
- AM 抑制
- 主从模式与同步功能
• 功率限制外部可调
• 兼容差模输入应用和单端输入应用
• 集成多种自保护电路,包含过压、欠压、 过温、直流检测、短路保护
• ETSSOP32 增强型封
■ 典型应用
消费类音频设备
车载音频设备
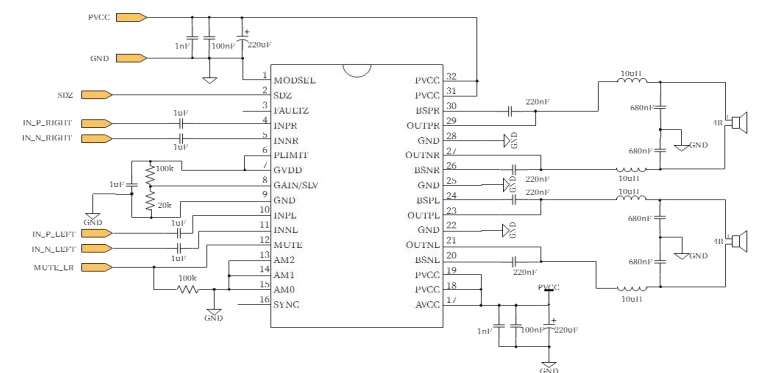
■ 典型应用线路图
