产品分类/ Products
- ET7428 1Ω Dual SPDT Negative Signal Handing Analog Switch
- ET7222 High-Speed USB 2.0(480Mbps) Switch
- ET5228H 0.6Ω Dual SPDT Negative Signal Handing Analog Switch
- ET5223 0.5Ω Dual SPDT Analog Switch
- HTR6916 共阴极16x9阵列LED 驱动器
- HTR7198(S), HTR7144(S) 带自动呼吸功能的18x
- PL62010 集成升降压控制器及双向PD3.0等多种快
- RY6050-ADJ Series 500mA Adjustable High-Speed Low Power LDO
- RY6050 Series 500mA High PSRR, Low Noise, Low Power LDO
- RY6313 40V 150mA Low Power LDO
- RY6031 300mA High PSRR, Low Noise, Low Power LDO
- RY8337C 36V 3A 500KHz Synchronous Step-Down Regulator
- RY8337B 30V 3A 500KHz Synchronous Step-Down Regulator
- RY8337 38V 3.3A 500KHz Synchronous Step-Down Regulator
5V充2节/3节充电芯片
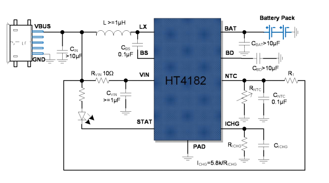
产品名称:HT4182 具有电量均衡5V输入高效同步升压型1.6A双节电池充电
型号: HT4188
产片介绍:HT4182是一款5V输入,升压模式的充电管理IC,适用于双节串联锂电池。其能自适应任意5V电源进行充电,并且由输入过压、欠压保护。 HT4182采用同步升压结构,内置MOSFET,外围元件简单。通过调节外部电阻,可任意调节充电电流,最大支持1 6A,效率超过90%。
产片介绍:HT4182是一款5V输入,升压模式的充电管理IC,适用于双节串联锂电池。其能自适应任意5V电源进行充电,并且由输入过压、欠压保护。 HT4182采用同步升压结构,内置MOSFET,外围元件简单。通过调节外部电阻,可任意调节充电电流,最大支持1 6A,效率超过90%。
┄┄┄详细介绍┄┄┄
■ 概述
HT4182是一款5V输入,升压模式的充电管理IC,适用于双节串联锂电池。其能自适应任意5V电源进行充电,并且由输入过压、欠压保护。
HT4182采用同步升压结构,内置MOSFET,外围元件简单。通过调节外部电阻,可任意调节充电电流,最大支持1.6A,效率超过90%。
HT4182具有多重保护功能:充电超时、芯片过热反馈调节、过温关断、输入过压、输入欠压、输出过流、输出过压、输出短路、NTC温度保护等。异常时,可通过LED进行异常指示。
该产品提供ESOP8封装。
HT4182采用同步升压结构,内置MOSFET,外围元件简单。通过调节外部电阻,可任意调节充电电流,最大支持1.6A,效率超过90%。
HT4182具有多重保护功能:充电超时、芯片过热反馈调节、过温关断、输入过压、输入欠压、输出过流、输出过压、输出短路、NTC温度保护等。异常时,可通过LED进行异常指示。
该产品提供ESOP8封装。
■ 特点
• 高效的1.6A 800kHz开关模式同步升压充电器5V输入、7.2V电池、1A充电电流下,效率92%
• 支持5V输入,给双节串联锂电池充电4V-6V范围内正常工作(最大极限16V);4-4.3V自 动调节输入电流;6.2V过压保护
• 电池饱充电压8.4V和8.7V可选
• 短路涓流/预充涓流/恒流/恒压充电模式
• 短路涓流/预充涓流/恒流/恒压充电模式
• 充电电流由外部电阻灵活调节
• LED状态显示
• 保护:充电超时、芯片过热反馈调节、过温关断、输入过压、输入欠压、输出过流、输出
• LED状态显示
• 保护:充电超时、芯片过热反馈调节、过温关断、输入过压、输入欠压、输出过流、输出
过压,输出短路、NTC温度保护等
• ESOP8封装
■ 应用
・音箱 ・ POS机 ・电子烟
・对讲机 ・其他便携式电子设备
■ 典型应用图
