产品分类/ Products
- ET7428 1Ω Dual SPDT Negative Signal Handing Analog Switch
- ET7222 High-Speed USB 2.0(480Mbps) Switch
- ET5228H 0.6Ω Dual SPDT Negative Signal Handing Analog Switch
- ET5223 0.5Ω Dual SPDT Analog Switch
- HTR6916 共阴极16x9阵列LED 驱动器
- HTR7198(S), HTR7144(S) 带自动呼吸功能的18x
- PL62010 集成升降压控制器及双向PD3.0等多种快
- RY6050-ADJ Series 500mA Adjustable High-Speed Low Power LDO
- RY6050 Series 500mA High PSRR, Low Noise, Low Power LDO
- RY6313 40V 150mA Low Power LDO
- RY6031 300mA High PSRR, Low Noise, Low Power LDO
- RY8337C 36V 3A 500KHz Synchronous Step-Down Regulator
- RY8337B 30V 3A 500KHz Synchronous Step-Down Regulator
- RY8337 38V 3.3A 500KHz Synchronous Step-Down Regulator
DC-DC降压
产品名称:PL89021 100V降压DC-DC
型号: PL89021
产片介绍:PL89021是一款同步降压DC-DC转换器,旨在调节宽输入电压范围,最大限度地减少对外部浪涌抑制组件的需求。最小可控导通时间为100纳秒,便于实现大型降压转换比,使其能够直接将48V名义输入压降到低电压电源,从而降低系统复杂性和解决方案成本。
产片介绍:PL89021是一款同步降压DC-DC转换器,旨在调节宽输入电压范围,最大限度地减少对外部浪涌抑制组件的需求。最小可控导通时间为100纳秒,便于实现大型降压转换比,使其能够直接将48V名义输入压降到低电压电源,从而降低系统复杂性和解决方案成本。
┄┄┄详细介绍┄┄┄
1、产品特征:
• 5V-100V宽范围工作输入电压
• 结温范围: –40°C to +150°C
• 固定3ms内部软启动计时器
• 峰值电流限制保护
• 使能欠压锁定和热停机保护
• 最小开启时间低至100ns
• 可调开关频率最大可达2MHz
• 5µA超低静态电流
• COT(恒定导通时间控制)控制架构
• 集成高侧0.7Ω场效应管和低侧0.34Ω场效应管开关,支持宽占空比范围
• 1.2V内部电源基准
• 无需环路补偿器件
• 集成VCC偏置调节器和自举二极管
• 开漏式电源良好指示灯
• 采用ESOP8封装
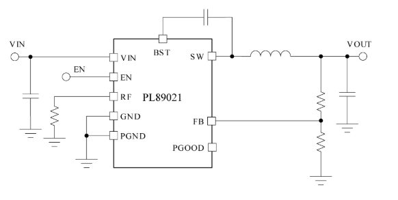
2、应用原理图:

3、产品描述
PL89021是一款同步降压DC-DC转换器,旨在调节宽输入电压范围,最大限度地减少对外部浪涌抑制组件的需求。最小可控导通时间为100纳秒,便于实现大型降压转换比,使其能够直接将48V名义输入压降到低电压电源,从而降低系统复杂性和解决方案成本。PL89021能够在低至5V的输入电压下降期间运行,必要时几乎以100%的占空比工作,非常适合宽输入供应范围的工业应用和高数量电池组应用。
PL89021集成了高侧和低侧功率MOSFET,能够提供高达1A的输出电流。其恒定开启时间(COT)控制架构能提供几乎恒定的开关频率,并具有优异的负载和线路瞬态响应。PL89021的其他特性包括超低静态电流和高轻负载效率、创新的峰谷过流保护、集成的VCC偏置电源和引导二极管、精确的启用和输入欠压锁定(UVLO)以及带自动恢复的热关断保护。开放漏极的PGOOD指示器提供排序功能、故障报告和输出电压监控。
4、典型应用场景
• 电器,电源设备和园艺工具
• 高容量电池组 (电动自行车, 电动滑板车)
• 电机驱动装置,无人机,通讯设备
上一篇:HTN7865 4.5V~65V输入,5A异步降压变换器
下一篇:LYF89023 100V/3A异步降压DC/DC转换器