产品分类/ Products
- ET7428 1Ω Dual SPDT Negative Signal Handing Analog Switch
- ET7222 High-Speed USB 2.0(480Mbps) Switch
- ET5228H 0.6Ω Dual SPDT Negative Signal Handing Analog Switch
- ET5223 0.5Ω Dual SPDT Analog Switch
- HTR6916 共阴极16x9阵列LED 驱动器
- HTR7198(S), HTR7144(S) 带自动呼吸功能的18x
- PL62010 集成升降压控制器及双向PD3.0等多种快
- RY6050-ADJ Series 500mA Adjustable High-Speed Low Power LDO
- RY6050 Series 500mA High PSRR, Low Noise, Low Power LDO
- RY6313 40V 150mA Low Power LDO
- RY6031 300mA High PSRR, Low Noise, Low Power LDO
- RY8337C 36V 3A 500KHz Synchronous Step-Down Regulator
- RY8337B 30V 3A 500KHz Synchronous Step-Down Regulator
- RY8337 38V 3.3A 500KHz Synchronous Step-Down Regulator
DC-DC降压
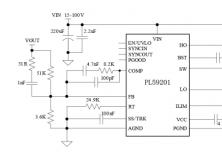
产品名称:PL59201 100V同步降压控制器
型号: PL59201
产片介绍:PL59201是一款100V同步降压控制器,旨在从高输入电压源或受高电压瞬变影响的输入轨进行调节,从而最大限度地减少对外部浪涌抑制组件的需求。PL59201在低至6V的输入电压骤降期间仍能继续工作,如果需要的话,其占空比接近100%,使其非常适合工业控制、机器人、数据通信和射频功率放大器应用。
产片介绍:PL59201是一款100V同步降压控制器,旨在从高输入电压源或受高电压瞬变影响的输入轨进行调节,从而最大限度地减少对外部浪涌抑制组件的需求。PL59201在低至6V的输入电压骤降期间仍能继续工作,如果需要的话,其占空比接近100%,使其非常适合工业控制、机器人、数据通信和射频功率放大器应用。
┄┄┄详细介绍┄┄┄
1、产品特征:
• 输入电压范围:6V-100V
• 最大输出电流:20A
• 可调节工作频率最高1MHz
• 内置强大的栅极驱动 2.3A/3.5A
• 自适应死区控制
• 频率同步功能
• 线路前馈的电压控制模式
• 支持欠压保护、过压保护、过流保护、短路保护和过温保护
• 封装:QFN3.5x4.5-20L
2、应用原理图:

3、产品描述
PL59201是一款100V同步降压控制器,旨在从高输入电压源或受高电压瞬变影响的输入轨进行调节,从而最大限度地减少对外部浪涌抑制组件的需求。PL59201在低至6V的输入电压骤降期间仍能继续工作,如果需要的话,其占空比接近100%,使其非常适合工业控制、机器人、数据通信和射频功率放大器应用。
强制PWM(FPWM)操作消除了频率变化,以最大限度地减少EMI,而用户可选的二极管仿真功能降低了轻负载条件下的电流消耗。通过测量低压侧MOSFET两端的电压降或使用可选的电流感测电阻器来实现逐周期过电流保护。高达1 MHz的可调开关频率可以与外部时钟源同步,以消除噪声敏感应用中的拍频。
4、典型应用场景
• 高电池节数电池组(如:电动自行车、电动踏板车)
• 电机驱动器、无人机、电信
• 移动储能电源
• 非隔离式POE
• 网络和计算机
• 电器、电动工具和园艺工具