产品分类/ Products
- ET7428 1Ω Dual SPDT Negative Signal Handing Analog Switch
- ET7222 High-Speed USB 2.0(480Mbps) Switch
- ET5228H 0.6Ω Dual SPDT Negative Signal Handing Analog Switch
- ET5223 0.5Ω Dual SPDT Analog Switch
- HTR6916 共阴极16x9阵列LED 驱动器
- HTR7198(S), HTR7144(S) 带自动呼吸功能的18x
- PL62010 集成升降压控制器及双向PD3.0等多种快
- RY6050-ADJ Series 500mA Adjustable High-Speed Low Power LDO
- RY6050 Series 500mA High PSRR, Low Noise, Low Power LDO
- RY6313 40V 150mA Low Power LDO
- RY6031 300mA High PSRR, Low Noise, Low Power LDO
- RY8337C 36V 3A 500KHz Synchronous Step-Down Regulator
- RY8337B 30V 3A 500KHz Synchronous Step-Down Regulator
- RY8337 38V 3.3A 500KHz Synchronous Step-Down Regulator
DC-DC降压
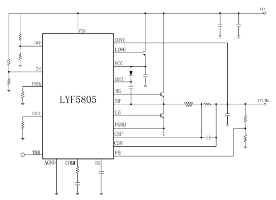
产品名称:LYF5805 100V降压DC-DC
型号: LYF5805
产片介绍:LYF5805是一款100V高压大电流同步降压控制器,专为输入电压高达100V的高性能同步降压DC DC应用而设计。LYF5805驱动一对外部NMOSFET。开关频率可在50kHz-500kHz范围内编程,从而可以灵活地调整效率和尺寸。对于低电压应用,可以使用内部1 2V参考电压来精确调节输出电压。
产片介绍:LYF5805是一款100V高压大电流同步降压控制器,专为输入电压高达100V的高性能同步降压DC DC应用而设计。LYF5805驱动一对外部NMOSFET。开关频率可在50kHz-500kHz范围内编程,从而可以灵活地调整效率和尺寸。对于低电压应用,可以使用内部1 2V参考电压来精确调节输出电压。
┄┄┄详细介绍┄┄┄
1、产品特征:
• 12V-100V的宽输入电压范围
• 最大输出电流:20A
• 可调节工作频率最高500kHz
• COT控制模式
• 可编程软启动
• 可编程逐周期限流保护
• 支持欠压保护、过压保护、过流保护、短路保护和过温保护等
• 封装:QFN3x3-20
2、应用原理图:

3、产品描述
LYF5805是一款100V高压大电流同步降压控制器,专为输入电压高达100V的高性能同步降压DC/DC应用而设计。LYF5805驱动一对外部NMOSFET。开关频率可在50kHz-500kHz范围内编程,从而可以灵活地调整效率和尺寸。对于低电压应用,可以使用内部1.2V参考电压来精确调节输出电压。
保护功能包括用户可编程的欠压锁定、过压锁定和过流保护。在停机模式下,电源电流降至10μA 以下。LYF5805是汽车信息娱乐应用、信号转换器等的不错选择。
4、典型应用场景
• 高电池节数电池组(如:电动自行车、电动踏板车)
• 电机驱动器、无人机、电信
• 移动储能电源
• 非隔离式POE
• 电器、电动工具和园艺工具