产品分类/ Products
- ET7428 1Ω Dual SPDT Negative Signal Handing Analog Switch
- ET7222 High-Speed USB 2.0(480Mbps) Switch
- ET5228H 0.6Ω Dual SPDT Negative Signal Handing Analog Switch
- ET5223 0.5Ω Dual SPDT Analog Switch
- HTR6916 共阴极16x9阵列LED 驱动器
- HTR7198(S), HTR7144(S) 带自动呼吸功能的18x
- PL62010 集成升降压控制器及双向PD3.0等多种快
- RY6050-ADJ Series 500mA Adjustable High-Speed Low Power LDO
- RY6050 Series 500mA High PSRR, Low Noise, Low Power LDO
- RY6313 40V 150mA Low Power LDO
- RY6031 300mA High PSRR, Low Noise, Low Power LDO
- RY8337C 36V 3A 500KHz Synchronous Step-Down Regulator
- RY8337B 30V 3A 500KHz Synchronous Step-Down Regulator
- RY8337 38V 3.3A 500KHz Synchronous Step-Down Regulator
DC-DC降压
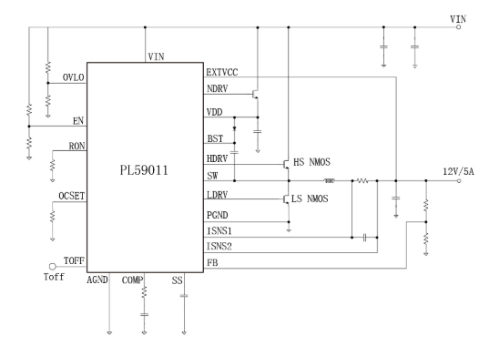
产品名称:PL59011 100V高压大电流同步降压控制器
型号: PL59011
产片介绍:PL59011是一款适用于输入电压高达100V的超宽输入范围、高性能同步降压DC-DC的PWM控制器。PL59011通过驱动一对外部整流和续流MOS-FET实现大输出电流(可达20A)、超宽出入范围(12-100V)的降压DC-DC应用。
产片介绍:PL59011是一款适用于输入电压高达100V的超宽输入范围、高性能同步降压DC-DC的PWM控制器。PL59011通过驱动一对外部整流和续流MOS-FET实现大输出电流(可达20A)、超宽出入范围(12-100V)的降压DC-DC应用。
┄┄┄详细介绍┄┄┄
1、产品特征:
• 12V-100V的宽输入电压范围
• 最大输出电流:20A
• 开关频率范围为最高500kHz
• COT控制模式
• 可编程软启动
• 可编程逐周期限流保护
• 支持欠压保护、过压保护、过流保护、短路保护和过温保护等
• 封装:ETSSOP20
2、应用原理图

3、产品描述
PL59011是一款适用于输入电压高达100V的超宽输入范围、高性能同步降压DC-DC的PWM控制器。PL59011通过驱动一对外部整流和续流MOS-FET实现大输出电流(可达20A)、超宽出入范围(12-100V)的降压DC-DC应用。可外部编程调整开关频率,可调范围为50 kHz -500 kHz,实现在不同应用下对转换效率、体积、功率大小的灵活设计。
PL59011保护功能齐全,具有可编程设置的输入欠压锁定、输入过压锁定、和输出过流保护以及电源电流低于10µA时的自动关闭模式。在家庭储能电源、电信总线网络转换器、工业电机驱动等高压、大电流应用的理想选择。
4、典型应用场景
• 高电池节数电池组(如:电动自行车、电动踏板车)
• 电机驱动器、无人机、电信
• 移动储能电源
• 非隔离式POE
• 车载电子
• 电器、电动工具和园艺工具
上一篇:LYF5805 100V降压DC-DC
下一篇:PL88101 高压同步降压转换器