首页 > 产品中心 > 电源管理类 > DC-DC降压 >
产品分类/ Products
DC-DC降压
产品名称:PL84052 降压DC-DC转换器
型号: PL84052
产片介绍:PL84052是一款PWM(脉宽调制)控制器,旨在用于输入电压为4 2V到24V的高性能同步降压 DC-DC 应用。PL84052采用恒定开启时间控制。根据FREQ引脚和GND引脚之间的不同电阻值,开关频率可以设置为150kHz或300kHz。

┄┄┄详细介绍┄┄┄

1、产品特征:
 • 4.2V - 32V 宽范围工作输入电压
 • 2.0V - 32V 宽范围工作输出电压
 • 集成两个13mΩ 功率开关场效应管
 • 可利用脉宽调制信号或模拟信号对输出电流或输出电压进行动态编程
 • 可利用电阻实现开关频率可调
 • 利用频率抖动以实现良好的电磁干扰防护
 • 集成两个场效应管栅极驱动
 • 全面保护功能包括输出短路保护,逐周期峰值电流限制,温度调节,过温关机,输入欠压保护,输出过压保护
 • 双输出平均电流限制功能,采用稳定的电压调节环路
 • QFN5x5-32封装
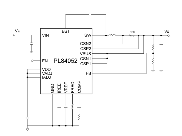
2、应用原理图
3、产品描述
  PL84052是一款PWM(脉宽调制)控制器,旨在用于输入电压为4.2V到24V的高性能同步降压 DC-DC 应用。PL84052采用恒定开启时间控制。根据FREQ引脚和GND引脚之间的不同电阻值,开关频率可以设置为150kHz或300kHz。
  该设备还具有可编程的软启动功能,并提供各种保护特性,包括周期性电流限制、输入欠压锁定(UVLO)、输出过压保护(OVP)、热关断和输出短路保护等。PL84052提供电压控制回路、恒流回路和热调节回路。
4、典型应用场景
 • 汽车启停系统
 • 工业用电源供应器
 • USB电源传输技术

上一篇:PL82052 同步降压转换器
下一篇:PL83081 双路恒流同步降压转换器

公司简介,关于我们 佰泰盛世产品展示 联系佰泰盛世
点击关闭

  • 销售 马生:
    销售 陆生:

    扫码联系微信

    服务热线:

    0755-82717797