产品分类/ Products
- ET7428 1Ω Dual SPDT Negative Signal Handing Analog Switch
- ET7222 High-Speed USB 2.0(480Mbps) Switch
- ET5228H 0.6Ω Dual SPDT Negative Signal Handing Analog Switch
- ET5223 0.5Ω Dual SPDT Analog Switch
- HTR6916 共阴极16x9阵列LED 驱动器
- HTR7198(S), HTR7144(S) 带自动呼吸功能的18x
- PL62010 集成升降压控制器及双向PD3.0等多种快
- RY6050-ADJ Series 500mA Adjustable High-Speed Low Power LDO
- RY6050 Series 500mA High PSRR, Low Noise, Low Power LDO
- RY6313 40V 150mA Low Power LDO
- RY6031 300mA High PSRR, Low Noise, Low Power LDO
- RY8337C 36V 3A 500KHz Synchronous Step-Down Regulator
- RY8337B 30V 3A 500KHz Synchronous Step-Down Regulator
- RY8337 38V 3.3A 500KHz Synchronous Step-Down Regulator
模拟开关芯片
产品名称:LN3005 超低阻 双通道 单刀双掷 模拟开关
型号: LN3005
产片介绍: LN3005是一个双通道单刀双掷模拟开关(SPDT),适用于通信系统,医疗设备和其它便携式电池供电设备。它采用CMOS工艺,具有双向,超低阻值,低功耗,低漏电流,高速,高带宽的特点,非常适合电池供电的便携式产品采用。
产片介绍: LN3005是一个双通道单刀双掷模拟开关(SPDT),适用于通信系统,医疗设备和其它便携式电池供电设备。它采用CMOS工艺,具有双向,超低阻值,低功耗,低漏电流,高速,高带宽的特点,非常适合电池供电的便携式产品采用。
┄┄┄详细介绍┄┄┄
■ 产品概述
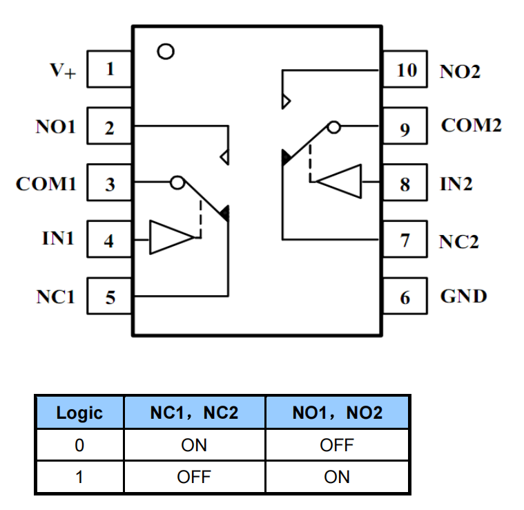
LN3005是一个双通道单刀双掷模拟开关(SPDT),适用于通信系统,医疗设备和其它便携式电池供电设备。它采用CMOS工艺,具有双向,超低阻值,低功耗,低漏电流,高速,高带宽的特点,非常适合电池供电的便携式产品采用。
其极低的开关阻抗——0.5Ω(TYP)和快速开关时间——tON=16ns, tOFF=15ns,可以大大减少电池供电便携式产品的信号损失,改善音频及视频输出级。LN3005在封装上采用了DFN-10和MSOP-10的封装,体积小巧,节省了很多空间。LN3005集成了两个单刀双掷开关,由两个常开NO和两个常关NC开关组成,可以用来作为2选1的多路选择开关。
■ 产品特点
● 电压工作范围:1.8V~5.5V
● 超低阻值:0.5Ω(TYP)
● 快速开关时间:tON=16ns, tOFF=15ns
● -3dB带宽:30MHz
● 超低功耗:<0.01μW
● 轨到轨的工作范围
● TTL/CMOS兼容
● 小体积封装:DFN-10,MSOP-10
■ 用途
● 电池供电,手提和便携式设备
● 手机/蜂窝式移动电话
● 膝上型,笔记本,掌上型PDA
● 通讯系统,用户交换机
● 医疗设备,超声波,心电图仪
● 测试设备,便携式仪表,数字万用表
● 音频和视频传输,转换
● 采样保持电路
● 数字滤波器
● 高速多路复用
● 积分复位电路等
■ 封装
● DFN3×3-10
● MSOP-10
LN3005是一个双通道单刀双掷模拟开关(SPDT),适用于通信系统,医疗设备和其它便携式电池供电设备。它采用CMOS工艺,具有双向,超低阻值,低功耗,低漏电流,高速,高带宽的特点,非常适合电池供电的便携式产品采用。
其极低的开关阻抗——0.5Ω(TYP)和快速开关时间——tON=16ns, tOFF=15ns,可以大大减少电池供电便携式产品的信号损失,改善音频及视频输出级。LN3005在封装上采用了DFN-10和MSOP-10的封装,体积小巧,节省了很多空间。LN3005集成了两个单刀双掷开关,由两个常开NO和两个常关NC开关组成,可以用来作为2选1的多路选择开关。
■ 产品特点
● 电压工作范围:1.8V~5.5V
● 超低阻值:0.5Ω(TYP)
● 快速开关时间:tON=16ns, tOFF=15ns
● -3dB带宽:30MHz
● 超低功耗:<0.01μW
● 轨到轨的工作范围
● TTL/CMOS兼容
● 小体积封装:DFN-10,MSOP-10
■ 用途
● 电池供电,手提和便携式设备
● 手机/蜂窝式移动电话
● 膝上型,笔记本,掌上型PDA
● 通讯系统,用户交换机
● 医疗设备,超声波,心电图仪
● 测试设备,便携式仪表,数字万用表
● 音频和视频传输,转换
● 采样保持电路
● 数字滤波器
● 高速多路复用
● 积分复位电路等
■ 封装
● DFN3×3-10
● MSOP-10
■ 功能框图

上一篇:第一页
下一篇:LN3657 300MHz 低电压单刀双掷模拟开关
