产品分类/ Products
- ET7428 1Ω Dual SPDT Negative Signal Handing Analog Switch
- ET7222 High-Speed USB 2.0(480Mbps) Switch
- ET5228H 0.6Ω Dual SPDT Negative Signal Handing Analog Switch
- ET5223 0.5Ω Dual SPDT Analog Switch
- HTR6916 共阴极16x9阵列LED 驱动器
- HTR7198(S), HTR7144(S) 带自动呼吸功能的18x
- PL62010 集成升降压控制器及双向PD3.0等多种快
- RY6050-ADJ Series 500mA Adjustable High-Speed Low Power LDO
- RY6050 Series 500mA High PSRR, Low Noise, Low Power LDO
- RY6313 40V 150mA Low Power LDO
- RY6031 300mA High PSRR, Low Noise, Low Power LDO
- RY8337C 36V 3A 500KHz Synchronous Step-Down Regulator
- RY8337B 30V 3A 500KHz Synchronous Step-Down Regulator
- RY8337 38V 3.3A 500KHz Synchronous Step-Down Regulator
模拟开关芯片
产品名称:LN3657 300MHz 低电压单刀双掷模拟开关
型号: LN3657
产片介绍: LN3657 是一款单通道单刀双掷(SPDT)CMOS 模拟开关,适用于语音切换,移动设备等。LN3657 可在 1 8V-5 5V 的电源下工作,工作带宽为 300MHz,最低导通电阻为 4 5Ω。
产片介绍: LN3657 是一款单通道单刀双掷(SPDT)CMOS 模拟开关,适用于语音切换,移动设备等。LN3657 可在 1 8V-5 5V 的电源下工作,工作带宽为 300MHz,最低导通电阻为 4 5Ω。
┄┄┄详细介绍┄┄┄
■ 产品概述
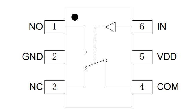
LN3657 是一款单通道单刀双掷(SPDT)CMOS 模拟开关,适用于语音切换,移动设备等。LN3657 可在 1.8V-5.5V 的电源下工作,工作带宽为 300MHz,最低导通电阻为 4.5Ω。
LN3657 可以在一定范围内传输负电平。它的两个开关之间的导通电阻失配小于 0.3Ω*,在整个导通范围内,内阻变化不超过 2.3Ω*。(*:以上参数均为在 VDD=5.0V 时测得)
■ 产品特点
● 宽电压工作范围1.8V-5.5V
● 5V 时典型导通电阻4.5Ω
● 快速切换,Ton<20ns,Toff<10ns
● 高带宽 300MHz
● 可传输 -2V 到VDD 的信号电平
● TTL/CMOS 电平兼容
● 宽电压工作范围1.8V-5.5V
● 5V 时典型导通电阻4.5Ω
● 快速切换,Ton<20ns,Toff<10ns
● 高带宽 300MHz
● 可传输 -2V 到VDD 的信号电平
● TTL/CMOS 电平兼容
■ 封装
● SOT363
● SOT23-6L
● SOT363
● SOT23-6L
■ 用途
● 移动设备
● 音乐播放器
● 手机
● 计算机配件
■ 引脚定义

上一篇:LN3005 超低阻 双通道 单刀双掷 模拟开关
下一篇:ET5223 0.5Ω Dual SPDT Analog Switch
