产品分类/ Products
- ET7428 1Ω Dual SPDT Negative Signal Handing Analog Switch
- ET7222 High-Speed USB 2.0(480Mbps) Switch
- ET5228H 0.6Ω Dual SPDT Negative Signal Handing Analog Switch
- ET5223 0.5Ω Dual SPDT Analog Switch
- HTR6916 共阴极16x9阵列LED 驱动器
- HTR7198(S), HTR7144(S) 带自动呼吸功能的18x
- PL62010 集成升降压控制器及双向PD3.0等多种快
- RY6050-ADJ Series 500mA Adjustable High-Speed Low Power LDO
- RY6050 Series 500mA High PSRR, Low Noise, Low Power LDO
- RY6313 40V 150mA Low Power LDO
- RY6031 300mA High PSRR, Low Noise, Low Power LDO
- RY8337C 36V 3A 500KHz Synchronous Step-Down Regulator
- RY8337B 30V 3A 500KHz Synchronous Step-Down Regulator
- RY8337 38V 3.3A 500KHz Synchronous Step-Down Regulator
步进电机驱动
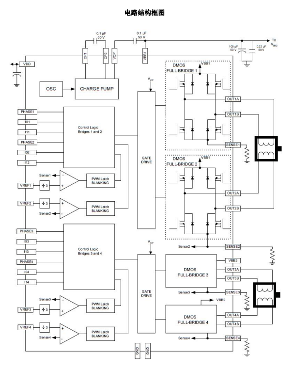
产品名称:HR3988 四路DMOS全桥电机驱动芯片
型号: HR3988
产片介绍:HR3988是一款四路DMOS全桥驱动芯片,能够驱动多达2个步进电机或4个直流电机。每个全桥输出额定值高达38V, 1 2 A。其内部集成了固定关闭时间的PWM电流调节器和2 位非线性数模转换器,支持步进电机的全步、半步、1 4步控制,或直流电机的正向、反向、滑行模式控制。
产片介绍:HR3988是一款四路DMOS全桥驱动芯片,能够驱动多达2个步进电机或4个直流电机。每个全桥输出额定值高达38V, 1 2 A。其内部集成了固定关闭时间的PWM电流调节器和2 位非线性数模转换器,支持步进电机的全步、半步、1 4步控制,或直流电机的正向、反向、滑行模式控制。
┄┄┄详细介绍┄┄┄
■ 概述
HR3988是一款四路DMOS全桥驱动芯片,能够驱动多达2个步进电机或4个直流电机。每个全桥输出额定值高达38V, 1.2 A。其内部集成了固定关闭时间的PWM电流调节器和2 位非线性数模转换器,支持步进电机的全步、半步、1/4步控制,或直流电机的正向、反向、滑行模式控制。其PWM电流调节器采用的混合衰减模式可有效降低电机的可闻噪声,增加步进精度,并减小功耗。
在PWM工作模式下,内置的同步整流控制电路能够有效减小电路功耗。
该芯片还具有过热关断、欠压锁定等保护功能,且无需特定的上电时序。
HR3988提供两种贴片封装,并都带有裸露散热焊盘,能有效改善散热性能。一种是QFN36(6mm×6mm),另一种是TQFP48 (7 mm × 7 mm)。两种封装为无铅封装,引框采用100%无锡电镀。
■ 特点
● 38V 1.2A额定输出能力;
● 4路全桥;
● 可驱动2个步进电机;
● 大电流输出;
● 兼容3.3 和5 V逻辑电平;
● 同步整流;
● 欠压锁定(UVLO)保护电路;
● 过热关断保护电路;
■ 封装形式

■ 典型应用图


上一篇:HTD9801/9810 双通道H 桥电机驱动芯片
下一篇:HR4982 内置转换器和过流保护的微特步进电机驱动芯片
