产品分类/ Products
- ET7428 1Ω Dual SPDT Negative Signal Handing Analog Switch
- ET7222 High-Speed USB 2.0(480Mbps) Switch
- ET5228H 0.6Ω Dual SPDT Negative Signal Handing Analog Switch
- ET5223 0.5Ω Dual SPDT Analog Switch
- HTR6916 共阴极16x9阵列LED 驱动器
- HTR7198(S), HTR7144(S) 带自动呼吸功能的18x
- PL62010 集成升降压控制器及双向PD3.0等多种快
- RY6050-ADJ Series 500mA Adjustable High-Speed Low Power LDO
- RY6050 Series 500mA High PSRR, Low Noise, Low Power LDO
- RY6313 40V 150mA Low Power LDO
- RY6031 300mA High PSRR, Low Noise, Low Power LDO
- RY8337C 36V 3A 500KHz Synchronous Step-Down Regulator
- RY8337B 30V 3A 500KHz Synchronous Step-Down Regulator
- RY8337 38V 3.3A 500KHz Synchronous Step-Down Regulator
步进电机驱动
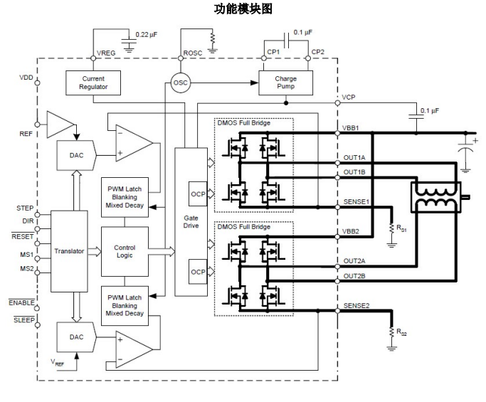
产品名称:HR4982 内置转换器和过流保护的微特步进电机驱动芯片
型号: HR4982
产片介绍:HR4982是一种便于使用的内部集成了译码器的微特步进电机驱动器。其设计为能使双极步进电机以全、1 8、1 16和1 128步进模式工作。步进模式由逻辑输入MSx选择。输出驱动能力达到35V和±2A。HR4982包含一个工作在慢衰或混合衰减模式的固定关闭时间的电流调节器。
产片介绍:HR4982是一种便于使用的内部集成了译码器的微特步进电机驱动器。其设计为能使双极步进电机以全、1 8、1 16和1 128步进模式工作。步进模式由逻辑输入MSx选择。输出驱动能力达到35V和±2A。HR4982包含一个工作在慢衰或混合衰减模式的固定关闭时间的电流调节器。
┄┄┄详细介绍┄┄┄
■ 概述
HR4982是一种便于使用的内部集成了译码器的微特步进电机驱动器。其设计为能使双极步进电机以全、1/8、1/16和1/128步进模式工作。步进模式由逻辑输入MSx选择。输出驱动能力达到35V和±2A。HR4982包含一个工作在慢衰或混合衰减模式的固定关闭时间的电流调节器。
译码器是HR4982易于实施的关键。通过STEP简单的输入一个脉冲就可以使电机完成一次步进,省去了相序表,高频控制线及复杂的编程接口。这使其更适于在没有复杂的微处理器或微处理器负担过重的场合。
在步进操作期间,HR4982的内部电路可以自动的控制其PWM操作工作在快、慢及混合衰减模式。在混合衰减模式下,器件初始经过一段时间的快衰减后,将切换至慢衰减模式直至固定关闭时间结束。混合衰减模式控制
不但降低了电机工作时产生的噪声,还增加了步进的准确性,同时减小了系统的功耗。
内部的同步整流控制电路改善了PWM操作时的功耗。内部保护电路包括:带迟滞的过热保护、欠压锁定及过流保护。不需要特别的上电时序。
HR4982提供一种带有裸露焊盘的TSSOP24封装,能有效改善散热性能,且是无铅产品,引脚框采用100%无锡电镀。
■ 特点
● 低导通电阻RDS(ON)
● 自动检测并选择电流衰减模式
● 支持慢衰减和混合衰减模式
● 降低功耗的同步整流功能
● 内部欠压锁定
● 过流保护
● 兼容3.3V和5V逻辑电平
● 过热关断电路
● 对地短路保护
● 负载短路保护
● 四种步进模式,最高支持128细分
■ 封装形式

■ 典型应用图



