产品分类/ Products
- ET7428 1Ω Dual SPDT Negative Signal Handing Analog Switch
- ET7222 High-Speed USB 2.0(480Mbps) Switch
- ET5228H 0.6Ω Dual SPDT Negative Signal Handing Analog Switch
- ET5223 0.5Ω Dual SPDT Analog Switch
- HTR6916 共阴极16x9阵列LED 驱动器
- HTR7198(S), HTR7144(S) 带自动呼吸功能的18x
- PL62010 集成升降压控制器及双向PD3.0等多种快
- RY6050-ADJ Series 500mA Adjustable High-Speed Low Power LDO
- RY6050 Series 500mA High PSRR, Low Noise, Low Power LDO
- RY6313 40V 150mA Low Power LDO
- RY6031 300mA High PSRR, Low Noise, Low Power LDO
- RY8337C 36V 3A 500KHz Synchronous Step-Down Regulator
- RY8337B 30V 3A 500KHz Synchronous Step-Down Regulator
- RY8337 38V 3.3A 500KHz Synchronous Step-Down Regulator
步进电机驱动
产品名称:HR8549 双通道 H 桥电机驱动芯片
型号: HR8549
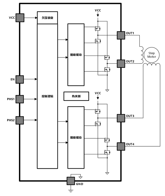
产片介绍:HR8549 是一种双通道低饱和电压的正、反向电机驱动芯片,为玩具、打印机和其它电机一体化应用提供一种双通道电机驱动方案。HR8549 内置两路 H 桥驱动,可以驱动两路刷式直流电机,或者通过输出并接驱动一路刷式直流电机,或者一个双极步进电机,或者螺线管或者其它感性负载
产片介绍:HR8549 是一种双通道低饱和电压的正、反向电机驱动芯片,为玩具、打印机和其它电机一体化应用提供一种双通道电机驱动方案。HR8549 内置两路 H 桥驱动,可以驱动两路刷式直流电机,或者通过输出并接驱动一路刷式直流电机,或者一个双极步进电机,或者螺线管或者其它感性负载
┄┄┄详细介绍┄┄┄
描述
HR8549为玩具、打印机和其它机电一体化应用提供一种双通道电机驱动方案。
HR8549内置两路H桥驱动,可以驱动两个直流有刷电机,或者通过输出并接驱动一
个直流有刷电机,或者一个双极步进电机,或者螺线管及其它感性负载。
特点
● 双通道H桥电机驱动器
● 驱动两个直流有刷电机或者一个步进电机
● 低RDS(ON)电阻,1.0Ω(HS+LS)
● 1A驱动输出
● 输出可以并用,2A驱动输出
● 单电源供电,2.7V-13V
● 支持休眠模式,降低功耗
● 过温关断电路
● 欠压锁定保护
应用
■ 锂电池供电玩具
■ POS 打印机
■ 安防相机
■ 办公自动化设备
■ 游戏机
■ 机器人
典型应用原理图



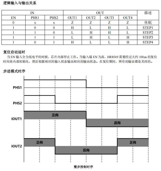
模块功能描述
HR8549 是一种双通道低饱和电压的正、反向电机驱动芯片,为玩具、打印机
和其它电机一体化应用提供一种双通道电机驱动方案。HR8549 内置两路 H 桥驱
动,可以驱动两路刷式直流电机,或者通过输出并接驱动一路刷式直流电机,或
者一个双极步进电机,或者螺线管或者其它感性负载。
功能框图


