产品分类/ Products
- ET7428 1Ω Dual SPDT Negative Signal Handing Analog Switch
- ET7222 High-Speed USB 2.0(480Mbps) Switch
- ET5228H 0.6Ω Dual SPDT Negative Signal Handing Analog Switch
- ET5223 0.5Ω Dual SPDT Analog Switch
- HTR6916 共阴极16x9阵列LED 驱动器
- HTR7198(S), HTR7144(S) 带自动呼吸功能的18x
- PL62010 集成升降压控制器及双向PD3.0等多种快
- RY6050-ADJ Series 500mA Adjustable High-Speed Low Power LDO
- RY6050 Series 500mA High PSRR, Low Noise, Low Power LDO
- RY6313 40V 150mA Low Power LDO
- RY6031 300mA High PSRR, Low Noise, Low Power LDO
- RY8337C 36V 3A 500KHz Synchronous Step-Down Regulator
- RY8337B 30V 3A 500KHz Synchronous Step-Down Regulator
- RY8337 38V 3.3A 500KHz Synchronous Step-Down Regulator
步进电机驱动
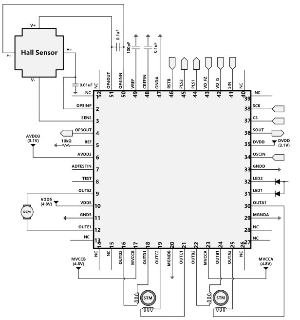
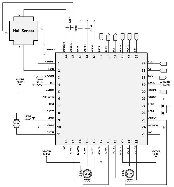
产品名称:HTD9800 内置光圈控制的摄像机和安全监控摄像头用镜头驱动芯
型号: HTD9800
产片介绍:HTD9800是一款用于摄像机和安全监控摄像头的镜头驱动芯片,内置光圈控制功能。 HTD9800通过电压驱动模式实现了超低噪声的微步细分驱动。 HTD9800提供带有散热焊盘的QFN52封装和不带散热焊盘的MIS44封装,均是无铅产品,符合环保标准。
产片介绍:HTD9800是一款用于摄像机和安全监控摄像头的镜头驱动芯片,内置光圈控制功能。 HTD9800通过电压驱动模式实现了超低噪声的微步细分驱动。 HTD9800提供带有散热焊盘的QFN52封装和不带散热焊盘的MIS44封装,均是无铅产品,符合环保标准。
┄┄┄详细介绍┄┄┄
描述
HTD9800是一款用于摄像机和安全监控摄像头的镜头驱动芯片,内置光圈控制功能。
HTD9800通过电压驱动模式实现了超低噪声的微步细分驱动。
HTD9800提供带有散热焊盘的QFN52封装和不带散热焊盘的MIS44封装,均是无铅产品,符合环保标准。
HTD9800通过电压驱动模式实现了超低噪声的微步细分驱动。
HTD9800提供带有散热焊盘的QFN52封装和不带散热焊盘的MIS44封装,均是无铅产品,符合环保标准。
特点
● 电压驱动模式:两路256细分步进驱动器实现超低噪声的缩放和调焦
● 内置光圈控制器
● 4线串行数据通信接口
● 内置2通道驱动LED的开漏输出
● PWM调制实现低功耗光圈驱动
应用
● 摄像机
● 安全监控摄像头


功能模块框图

电路工作极限

注意:如果工作于高于上述极限值的条件,本产品可能会遭受永久性损坏。此范围是器件所能工作的最大范围,因为超出了推荐工作范围,器件的性能无法保证,并且当长期处于极限工作条件时,可能会影响产品的可靠性。
*1:不超过上述绝对最大额定值和功耗条件下的值
*2:除功耗,工作环境温度和存储温度外,所有值都是在 Ta=25℃下得到的
*3:(DVDD+0.3)不得超过 4.0V,(AVDD+0.3)不得超过 4.0V
*4:芯片工作温度范围受限于 Ta=85℃时芯片的功耗(独立芯片)。使用该产品时,请参考标准封装的 PD-Ta 曲线图,根据电源电压、负载和环境温度进行散热设计并留足够余量。
上一篇:HR8549 双通道 H 桥电机驱动芯片
下一篇:最后一页