产品分类/ Products
- ET7428 1Ω Dual SPDT Negative Signal Handing Analog Switch
- ET7222 High-Speed USB 2.0(480Mbps) Switch
- ET5228H 0.6Ω Dual SPDT Negative Signal Handing Analog Switch
- ET5223 0.5Ω Dual SPDT Analog Switch
- HTR6916 共阴极16x9阵列LED 驱动器
- HTR7198(S), HTR7144(S) 带自动呼吸功能的18x
- PL62010 集成升降压控制器及双向PD3.0等多种快
- RY6050-ADJ Series 500mA Adjustable High-Speed Low Power LDO
- RY6050 Series 500mA High PSRR, Low Noise, Low Power LDO
- RY6313 40V 150mA Low Power LDO
- RY6031 300mA High PSRR, Low Noise, Low Power LDO
- RY8337C 36V 3A 500KHz Synchronous Step-Down Regulator
- RY8337B 30V 3A 500KHz Synchronous Step-Down Regulator
- RY8337 38V 3.3A 500KHz Synchronous Step-Down Regulator
有刷直流电机驱动
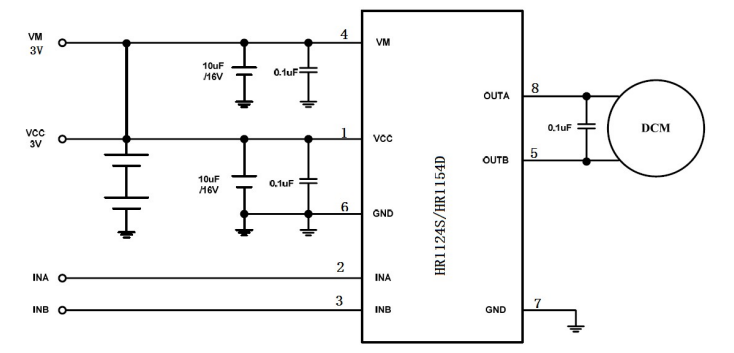
产品名称:HR1124S_HR1154D 玩具单通道直流电机驱动器
型号: HR1124S_HR1154D
产片介绍:HR1124S HR1154D是应用于直流电机方案的单通道H桥驱动器芯片。HR1124S HR1154D的H桥驱动部分采用低导通电阻的PMOS和NMOS功率管。低导通电阻保证芯片低的功率损耗,使得芯片安全工作更长时间。此外HR1124S HR1154D拥有低待机电流、低静态工作电流。这些性能使能HR1124S HR1154D易用于玩具方案。
产片介绍:HR1124S HR1154D是应用于直流电机方案的单通道H桥驱动器芯片。HR1124S HR1154D的H桥驱动部分采用低导通电阻的PMOS和NMOS功率管。低导通电阻保证芯片低的功率损耗,使得芯片安全工作更长时间。此外HR1124S HR1154D拥有低待机电流、低静态工作电流。这些性能使能HR1124S HR1154D易用于玩具方案。
┄┄┄详细介绍┄┄┄
■ 概述
HR1124S/HR1154D是应用于直流电机方案的单通道H桥驱动器芯片。HR1124S/HR1154D的H桥驱动部分采用低导通电阻的PMOS和NMOS功率管。低导通电阻保证芯片低的功率损耗,使得芯片安全工作更长时间。此外HR1124S/HR1154D拥有低待机电流、低静态工作电流。这些性能使能HR1124S/HR1154D易用于玩具方案。
HR1124S/HR1154D内部含有过温关断保护。当负载电机是低阻抗的,或者输出端短路,这样使能HR1124S/HR1154D的输出电流急剧上升,同时内部温度也急剧上升。当芯片温度超过最大温度阈值(典型150℃),HR1124S/HR1154D会关断所有的输出,防止潜在安全隐患。只有当确认了芯片回归到安全的工作温度,内置温度迟滞电流才重新控制驱动电路。
■ 特点
● 内置PMOS、NMOS的单通道H桥驱动器
● 四种驱动功能:正传、反转、停转和刹车功能
● 低RDS(ON)电阻(0.3Ω),连续输出电流:
HR1124S:1.2A(SOP8);
HR1154D:1.5A(DIP8);
● 低待机电流(0.01uA)和低静态工作电流(0.2mA)
● 低工作电压
● 宽电压供电,1.8V-6.8V
● 内置过温关断保护电路
● 符合RoHS标准
■ 应用
● 锂电池供电直流电机驱动 ● 玩具机器人驱动控制
■ 封装形式



电路应用参考




