产品分类/ Products
- ET7428 1Ω Dual SPDT Negative Signal Handing Analog Switch
- ET7222 High-Speed USB 2.0(480Mbps) Switch
- ET5228H 0.6Ω Dual SPDT Negative Signal Handing Analog Switch
- ET5223 0.5Ω Dual SPDT Analog Switch
- HTR6916 共阴极16x9阵列LED 驱动器
- HTR7198(S), HTR7144(S) 带自动呼吸功能的18x
- PL62010 集成升降压控制器及双向PD3.0等多种快
- RY6050-ADJ Series 500mA Adjustable High-Speed Low Power LDO
- RY6050 Series 500mA High PSRR, Low Noise, Low Power LDO
- RY6313 40V 150mA Low Power LDO
- RY6031 300mA High PSRR, Low Noise, Low Power LDO
- RY8337C 36V 3A 500KHz Synchronous Step-Down Regulator
- RY8337B 30V 3A 500KHz Synchronous Step-Down Regulator
- RY8337 38V 3.3A 500KHz Synchronous Step-Down Regulator
升降压芯片
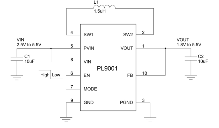
产品名称:PL9001 1.0A输出、低噪声、脉宽调制 (PWM) 降压-升压DC-DC转换
型号: PL9001
产片介绍:PL9001是一款1 0A输出、低噪声、脉宽调制 (PWM) 降压-升压DC-DC转换器,可在高于、低于或等于输出电压的输入电压下工作。该器件具有两个内部同步整流器,可实现高效率;它不需要外部肖特基二极管。内部固定频率 2 5MHz作提供了简单的后滤波,并允许使用小型感应器和电容器。
产片介绍:PL9001是一款1 0A输出、低噪声、脉宽调制 (PWM) 降压-升压DC-DC转换器,可在高于、低于或等于输出电压的输入电压下工作。该器件具有两个内部同步整流器,可实现高效率;它不需要外部肖特基二极管。内部固定频率 2 5MHz作提供了简单的后滤波,并允许使用小型感应器和电容器。
┄┄┄详细介绍┄┄┄
1、产品特征:
• 在输入电压高于、低于或等于输出的时候实现有输出可控
• 在降压模式下,3.3V时为1A输出电流(VIN为3.6V至5.5V)
• 升压模式下3.3V输出电流高达800mA (VIN>2.8V)
• 单独电感器
• 2.5V-5.5V输入电压范围
• 可调输出电压范围为1.8V-5.5V
• 高达95%效率
• 使用低ESR陶瓷电容器时依旧保持稳定
• 无需肖特基二极管
• 关机时输出断开
• 小于1uA的关机电流
• 小于65uA 的静态电流
• 拥有节能模式以提高效率运行
• 固定频率运行模式
• 停机期间负载自动断开
• 欠压锁定保护
2、应用原理图

3、产品描述
PL9001是一款1.0A输出、低噪声、脉宽调制 (PWM) 降压-升压DC-DC转换器,可在高于、低于或等于输出电压的输入电压下工作。该器件具有两个内部同步整流器,可实现高效率;它不需要外部肖特基二极管。内部固定频率 2.5MHz作提供了简单的后滤波,并允许使用小型感应器和电容器。在低负载电流下,转换器进入省电模式,以在较宽的负载范围内保持高效率。省电模式可能会被禁用,迫使PL9001在PWM模式下运行。
PL9001非常适合单节锂离子电池应用。它还可用于三节碱性、镍镉或镍氢应用。停机模式将器件置于待机状态,从而将静态电源电流降至1μA以下。其他功能包括内部软启动、内部补偿、短路保护、电流限制和过温保护。该器件采用3mmx3mm的10引脚DFN封装。
4、典型应用场景
• 所有三节碱性、镍镉或镍氢或单节锂电池
• MP3播放器
• 手持式仪器
• 数码相机
• 智能手机
• 便携式GPS
• 微型硬盘驱动器电源
上一篇:PL5501High Efficiency 4-Switch Buck-Boost Controller
下一篇:PL94053 集成MOS升降压控制器