产品分类/ Products
- ET7428 1Ω Dual SPDT Negative Signal Handing Analog Switch
- ET7222 High-Speed USB 2.0(480Mbps) Switch
- ET5228H 0.6Ω Dual SPDT Negative Signal Handing Analog Switch
- ET5223 0.5Ω Dual SPDT Analog Switch
- HTR6916 共阴极16x9阵列LED 驱动器
- HTR7198(S), HTR7144(S) 带自动呼吸功能的18x
- PL62010 集成升降压控制器及双向PD3.0等多种快
- RY6050-ADJ Series 500mA Adjustable High-Speed Low Power LDO
- RY6050 Series 500mA High PSRR, Low Noise, Low Power LDO
- RY6313 40V 150mA Low Power LDO
- RY6031 300mA High PSRR, Low Noise, Low Power LDO
- RY8337C 36V 3A 500KHz Synchronous Step-Down Regulator
- RY8337B 30V 3A 500KHz Synchronous Step-Down Regulator
- RY8337 38V 3.3A 500KHz Synchronous Step-Down Regulator
升降压芯片
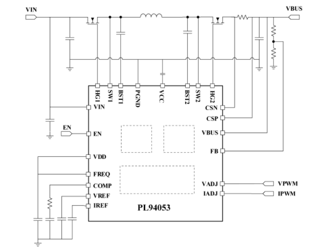
产品名称:PL94053 集成MOS升降压控制器
型号: PL94053
产片介绍:PL94053 是一款同步 4 开关降压-升压控制器,能够在高于或低于输入电压时调节输出电压。PL94053可在 3 6 V 至 32 V(最大 36 V)的宽输入电压范围内工作,以支持各种应用。集成两个 9mΩ 功率场效应管。
产片介绍:PL94053 是一款同步 4 开关降压-升压控制器,能够在高于或低于输入电压时调节输出电压。PL94053可在 3 6 V 至 32 V(最大 36 V)的宽输入电压范围内工作,以支持各种应用。集成两个 9mΩ 功率场效应管。
┄┄┄详细介绍┄┄┄
1、产品特征:
• 输入电压范围:3.5V-32V
• 输出电压范围:2.0V-30V
• 最大输出电流:5A
• 开关频率:150KHz/300KHz
• 集成了两个9mΩ FET
• 支持PWM调压、调电流
• 支持欠压、过压、过流、短路、温度等保护
• 封装:QFN5x5-32
2、应用原理图:

3、产品描述
PL94053 是一款同步 4 开关降压-升压控制器,能够在高于或低于输入电压时调节输出电压。PL94053可在 3.6 V 至 32 V(最大 36 V)的宽输入电压范围内工作,以支持各种应用。集成两个 9mΩ 功率场效应管。
PL94053 在降压、升压和降压-升压作模式下采用恒定导通时间控制,以实现卓越的带载能力和线路调节能力。开关频率可以根据 FREQ 引脚和 AGND 引脚之间的电阻值不同设置为 150kHz、300kHz、600kHz 或 1200kHz。该器件还具有可编程软启动功能,并提供各种保护功能,包括逐周期电流限制、输入欠压锁定 (UVLO)、输出过压保护 (OVP)、输入过压保护、热关断和输出短路保护等。
VADJ、IADJ 引脚用于编程输出 VBUS 电压和输出电流限制,提供电压控制回路、恒流回路、热调节回路、温度感应,这使得PL94053成为 USB 供电 (PD) 应用的绝佳选择。
4、典型应用场景
• 车载电子
• 新能源供电系统
• 便携式设备
• 工业用电压供应器
• HUB电源
上一篇:PL9001 1.0A输出、低噪声、脉宽调制 (PWM) 降压-升压DC-DC转换
下一篇:PL62006全集成快充协议SOC