产品分类/ Products
- ET7428 1Ω Dual SPDT Negative Signal Handing Analog Switch
- ET7222 High-Speed USB 2.0(480Mbps) Switch
- ET5228H 0.6Ω Dual SPDT Negative Signal Handing Analog Switch
- ET5223 0.5Ω Dual SPDT Analog Switch
- HTR6916 共阴极16x9阵列LED 驱动器
- HTR7198(S), HTR7144(S) 带自动呼吸功能的18x
- PL62010 集成升降压控制器及双向PD3.0等多种快
- RY6050-ADJ Series 500mA Adjustable High-Speed Low Power LDO
- RY6050 Series 500mA High PSRR, Low Noise, Low Power LDO
- RY6313 40V 150mA Low Power LDO
- RY6031 300mA High PSRR, Low Noise, Low Power LDO
- RY8337C 36V 3A 500KHz Synchronous Step-Down Regulator
- RY8337B 30V 3A 500KHz Synchronous Step-Down Regulator
- RY8337 38V 3.3A 500KHz Synchronous Step-Down Regulator
D类功放双通道
产品名称:VA2221 2X15W D类功放可省电感 兼容TPA3110 8V-26V输入
型号: VA2221
产片介绍:General DescriptionTheVA2221isacost-effectivefilter-lessClass Dstereoaudiopoweramplifierthatoperatesinwide range of various power supplies VA2221 provide volume control w
产片介绍:General DescriptionTheVA2221isacost-effectivefilter-lessClass Dstereoaudiopoweramplifierthatoperatesinwide range of various power supplies VA2221 provide volume control w
┄┄┄详细介绍┄┄┄
General Description
The VA2221 is a cost-effective filter-less Class D stereo audio power amplifier that operates in wide range of various power supplies. VA2221 provide volume control with four selectable gain settings (20dB, 26dB, 32dB, 36dB). VA2221 can output 15W per channel into 8Ω load with lower supply current and fewer external components for driving bridged- tied stereo speaker directly with excellent EMI per- formance. With the function of power limit, the speakers could be operated safely and the input signal would be also normalized.
VA2221 operates with high efficiency energy con- version up to 88% (8Ω Load) so that the external heat sink can be eliminated while playing music.
VA2221 also integrates Anti-Pop, Output Short & Over-Heat Protection Circuitry to ensure device re- liability. This device also provides the DC detect and protection scheme to prevent the damage of speaker voice coils.
The VA2221 is available in small TSSOP-28 green package with exposed pad.
Features
- Operation Voltage from 8V to 26V
- Excellent EMI Performance for Filter-Free Operation
- Maximum 88% Efficiency with an 8Ω Speaker
- 16.5W@8Ω Load with THD+N =10% at 18V
- 9.3W@8Ω Load with THD+N =10% at 12V
- Four Selectable Gain Settings
- Scalable Power Limit Function
- Speaker DC Detection and Protection
- Thermal Protection with Auto-Recovery
- Speaker Protection Circuitry
- Short Circuit and Thermal Protection
- RoHS 2.0 compliant TSSOP-28 Green Pack- age with Exposed Pad
Applications
- LCD TV
- Multimedia Speakers
- Sound Bar
Typical Application

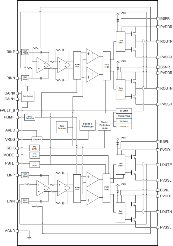
Functional Block Diagram

Pin Assignments And Descriptions

| Pin No. | Pin | I/O/P | Function Description |
| 1 | SD_B | I | Shutdown control terminal. Low active. TTL Logic levels with compli- ance to AVDD. |
| 2 | FAULT_B | O | Protection Flag Indicator (Open Drain). Connecting FAULT_B and SD_B can be set to auto-recovery. Otherwise need to reset by cycling AVDD. |
| 3 | LINP | I | Left channel positive audio signal input. |
| 4 | LINN | I | Left channel negative audio signal input. |
| 5 | GAIN0 | I | Gain selection least significant bit. |
| 6 | GAIN1 | I | Gain selection most significant bit. |
| 7 | AVDD | P | Analog Power Supply. |
| 8 | AGND | P | Analog Ground. |
| 9 | VREG | O | Regulated Voltage. Nominal voltage is 5.8V. |
| 10 | PLIMIT | I | Power Limit Level Adjust. Connect a resistor divider from VREG to GND to set power limit. Connect to VREG directly for no power limit. |
| 11 | RINN | I | Right channel negative audio signal input. |
| 12 | RINP | I | Right channel positive audio signal input. |
| 13 | MODE | I | Modulation Mode Select. Pull-Low to disable new modulation scheme. |
| 14 | PBTL | I | Parallel BTL mode switch. |
| 15,16 | PVDDR | P | Right channel power supply. |
| 17 | BSPR | I | Bootstrap I/O for right channel positive high-side switch. |
| 18 | ROUTP | O | Right channel positive output. |
| 19 | PVSSR | P | Right channel power ground. |
| 20 | ROUTN | O | Right channel negative output. |
| 21 | BSNR | I | Bootstrap I/O for right channel negative high-side switch. |
| 22 | BSNL | I | Bootstrap I/O for left channel negative high-side switch. |
| 23 | LOUTN | O | Left channel negative output. |
| 24 | PVSSL | P | Left channel power ground. |
| 25 | LOUTP | O | Left channel positive output. |
| 26 | BSPL | O | Bootstrap I/O for left channel positive high-side switch. |
| 27,28 | PVDDL | P | Left channel power supply. |
上一篇:HT876 带任意限幅的10.9Wx2高保真音频功放
下一篇:VA2213 2X15W D类功放可省电感 兼容TPA3110 带静音脚 8V-26V输入