产品分类/ Products
- ET7428 1Ω Dual SPDT Negative Signal Handing Analog Switch
- ET7222 High-Speed USB 2.0(480Mbps) Switch
- ET5228H 0.6Ω Dual SPDT Negative Signal Handing Analog Switch
- ET5223 0.5Ω Dual SPDT Analog Switch
- HTR6916 共阴极16x9阵列LED 驱动器
- HTR7198(S), HTR7144(S) 带自动呼吸功能的18x
- PL62010 集成升降压控制器及双向PD3.0等多种快
- RY6050-ADJ Series 500mA Adjustable High-Speed Low Power LDO
- RY6050 Series 500mA High PSRR, Low Noise, Low Power LDO
- RY6313 40V 150mA Low Power LDO
- RY6031 300mA High PSRR, Low Noise, Low Power LDO
- RY8337C 36V 3A 500KHz Synchronous Step-Down Regulator
- RY8337B 30V 3A 500KHz Synchronous Step-Down Regulator
- RY8337 38V 3.3A 500KHz Synchronous Step-Down Regulator
耳机功放
产品名称:HT4832(33mW免输出电容立体声耳机放大器)
型号: HT4832
产片介绍:HT4832是一款无需输出隔直电容的立体声耳机放大器。支持差分和单端的模拟信号输入,并具备4种增益设置。 HT4832在3 6V供电下,THD+N = 1%,32ohm负载时能提供33mW的输出。其具有低至0 014%的THD+N HT4832能在2 5V-5 2V电源条件下工作,具有过热保护和欠压保护等功能。的关断电流低至0 1pA。
产片介绍:HT4832是一款无需输出隔直电容的立体声耳机放大器。支持差分和单端的模拟信号输入,并具备4种增益设置。 HT4832在3 6V供电下,THD+N = 1%,32ohm负载时能提供33mW的输出。其具有低至0 014%的THD+N HT4832能在2 5V-5 2V电源条件下工作,具有过热保护和欠压保护等功能。的关断电流低至0 1pA。
┄┄┄详细介绍┄┄┄
■ 概述
HT4832是一款无需输出隔直电容的立体声耳机放大器。
HT4832支持差分和单端的模拟信号输入,并具备4种增益设置。
HT4832在3.6V供电下,THD+N = 1%,32ohm负载时能提供33mW的输出。其具有低至0.014%的THD+N.
HT4832能在2.5V-5.2V电源条件下工作,具有过热保护和欠压保护等功能。
HT4832的关断电流低至0.1pA。
HT4832支持差分和单端的模拟信号输入,并具备4种增益设置。
HT4832在3.6V供电下,THD+N = 1%,32ohm负载时能提供33mW的输出。其具有低至0.014%的THD+N.
HT4832能在2.5V-5.2V电源条件下工作,具有过热保护和欠压保护等功能。
HT4832的关断电流低至0.1pA。
■ 特点:
· 无需大尺寸输出隔直电容 以OV电位为参考输出;出色的低频表现
· 静态电流∶3.6mA(PVDD=3.6V,Output=floating)
· 关断电流∶ 0.1uA
· 单端或差分输入 内置输入电阻减少外部元器件数量系统噪声性能优良
· THD+N仅为∶0.014%(3.6V,32ohm,20mW)
· 功率输出∶33mW (PVDD=3.6V, RL=32Ω, THD+N=1%)
· 单电源供电∶ 2.5V-5.5V
· 增益可选∶-6/0/3/6 dB
· 保护功能∶ 过热/欠压异常保护功能
· 无铅封装,QFN16
■ 应用
· 蓝牙耳机 · 智能手机
· 音响 · 平板/笔记本电脑
· CD/MP3 · 便携式游戏机
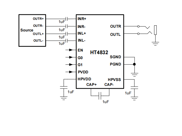
■ 典型应用图

上一篇:HT97220 125mW免输出耦合电容的立体声线路驱动器/耳机放大器
下一篇:HT97180(L) 125mW免输出耦合电容的立体声线路驱动器/耳机放大器